GM Service Manual Online
For 1990-2009 cars only

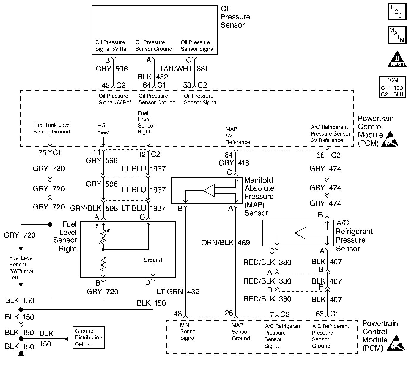
Object Number: 98224  Size: LF
OBD II Symbol Description Notice
Engine Controls Components
Cell 20: Engine Data Sensors
Handling ESD Sensitive Parts Notice
Handling ESD Sensitive Parts Notice

Circuit Description

The PCM uses a common 5.0 Volt Reference 1 circuit as a sensor feed. This circuit supplies 5 Volts to the following sensors:

    • The A/C Pressure sensor
    • The MAP sensor
    • The engine oil pressure sensor
    • The right tank Fuel Level sensor

The PCM monitors the voltage on the 5.0 Volt Reference 1 circuit. If the voltage is out of range, this DTC sets.

Conditions for Setting the DTC

    • The 5.0 volt reference circuit is out of range.
    • The above condition is present for greater than 2 seconds.

Action Taken When the DTC Sets

    • The PCM illuminates the malfunction indicator lamp (MIL) on the second consecutive ignition cycle that the diagnostic runs and fails.
    • The PCM records the operating conditions at the time the diagnostic fails. The first time the diagnostic fails, the PCM stores this information in the Failure Records. If the diagnostic reports a failure on the second consecutive ignition cycle, the PCM records the operating conditions at the time of the failure. The PCM writes the conditions to the Freeze Frame and updates the Failure Records.

Conditions for Clearing the MIL/DTC

    • The PCM turns OFF the malfunction indicator lamp (MIL) after 3 consecutive ignition cycles that the diagnostic runs and does not fail.
    • A last test failed, or current DTC, clears when the diagnostic runs and does not fail.
    • A history DTC clears after 40 consecutive warm-up cycles, if no failures are reported by this or any other emission related diagnostic.
    • Use a scan tool in order to clear the MIL and the DTC.

Diagnostic Aids

Using the Freeze Frame and/or Failure Records data may aid in locating an intermittent condition. If you cannot duplicate the DTC, the information included in the Freeze Frame and/or Failure Records data can help determine how many miles since the DTC set. The Fail Counter and Pass Counter can also help determine how many ignition cycles the diagnostic reported a pass and/or a fail. Operate vehicle within the same freeze frame conditions (RPM, load, vehicle speed, temperature etc.) that you observed. This will isolate when the DTC failed. For an intermittent condition, refer to Symptoms .

Test Description

The numbers below refer to the step numbers on the diagnostic table.

  1. The 5.0 volt reference circuits for the sensors listed are tied together inside the PCM. This step separates the 5.0 volt reference circuits and isolates the 5.0 volt reference circuit which is shorted to voltage.

  2. The 5.0 volt reference circuits for the sensors listed are tied together inside the PCM. This step separates the 5.0 volt reference circuits and isolates the 5.0 volt reference circuit which is shorted to ground.

  3. This step isolates the 5.0 volt reference circuit from the sensor signal circuit.

Step

Action

Value(s)

Yes

No

1

Did you perform the Powertrain On-Board Diagnostic (OBD) System Check?

--

Go to Step 2

Go to Powertrain On Board Diagnostic (OBD) System Check

2

  1. Turn OFF the ignition.
  2. Disconnect the PCM connector located on the same side as the manufacturer's logo. Refer to Powertrain Control Module/Throttle Actuator Control Module Replacement
  3. Turn ON the ignition leaving the engine OFF.
  4. Connect a DMM J 39200 to ground.
  5. Probe the PCM connector 5.0 volt reference circuits for the following components using the brown adapters from the connector test adaptor kit J 35616 :
  6. • The MAP sensor
    • The Oil Pressure sensor
    • The Fuel Level sensor (right tank)
    • The A/C Pressure sensor

Do any of the circuits measure greater than the specified value?

5.1V

Go to Step 4

Go to Step 3

3

  1. Turn OFF the ignition.
  2. Connect a test lamp to B+.
  3. Turn ON the ignition leaving the engine OFF.
  4. Probe the PCM connector 5.0 volt reference circuits for the following components using the brown adapters from the connector test adaptor kit J 35616 :
  5. • The MAP sensor
    • The Oil Pressure sensor
    • The Fuel Level sensor (right tank)
    • The A/C Pressure sensor

Does the test lamp illuminate for any of the circuits?

--

Go to Step 5

Go to Diagnostic Aids

4

  1. Disconnect the electrical connector at the sensor that measured greater than the specified value.
  2. Probe the affected 5.0 volt reference circuit at the PCM connector using the brown adapters from the connector test adaptor kit J 35616 .

Does the volt meter display a voltage greater than the specified value?

5.1V

Go to Step 8

Go to Step 6

5

  1. Disconnect the electrical connector at the sensor that illuminated the test lamp.
  2. Probe the affected 5.0 volt reference circuit at the PCM connector using the brown adapters from the connector test adaptor kit J 35616 and a test lamp connected to B+.

Is the test lamp illuminated?

--

Go to Step 9

Go to Step 7

6

  1. Connect a DMM J 39200 to ground.
  2. Turn ON the ignition leaving the engine OFF.
  3. Measure the voltage on the signal circuit at the affected sensor.

Does the volt meter display a voltage greater than the specified value?

0.0V

Go to Step 10

Go to Step 12

7

  1. Connect a test lamp to B+.
  2. Turn ON the ignition leaving the engine OFF.
  3. Probe the signal circuit at the affected sensor.

Is the test lamp illuminated?

--

Go to Step 11

Go to Step 12

8

Repair the short to voltage on the appropriate 5.0 volt reference circuit.

Is the action complete?

--

Go to Step 13

--

9

Repair the short to ground on the appropriate 5.0 volt reference circuit.

Is the action complete?

--

Go to Step 13

--

10

Repair the short to voltage on the appropriate sensor signal circuit.

Is the action complete?

--

Go to Step 13

--

11

Repair the short to ground on the appropriate sensor signal circuit.

Is the action complete?

--

Go to Step 13

--

12

Important:: Program the replacement PCM. Refer to Powertrain Control Module/Throttle Actuator Control Module Replacement .

Replace the PCM.

Is the action complete?

--

Go to Step 13

--

13

  1. Select the Diagnostic Trouble Codes (DTC) option and the Clear DTC Information option using the scan tool.
  2. Idle the engine at the normal operating temperature.
  3. Select the Specific DTC option under the Diagnostic Trouble Code (DTC) option using a scan tool.
  4. Operate vehicle within the conditions for setting this DTC as specified in the supporting text if applicable.

Does the scan tool indicate that this test ran and passed?

--

Go to Step 14

--

14

Select the Capture Info option and the Review Info option using the scan tool.

Are any DTCs displayed that you have not diagnosed?

--

Go to applicable DTC table

System OK