GM Service Manual Online
For 1990-2009 cars only

Starting and Charging Schematics Rear Mounted EBTCM/BPMV

Figure 1:

Cell 30: Charging System


Object Number: 323482  Size: FS
Figure 2:

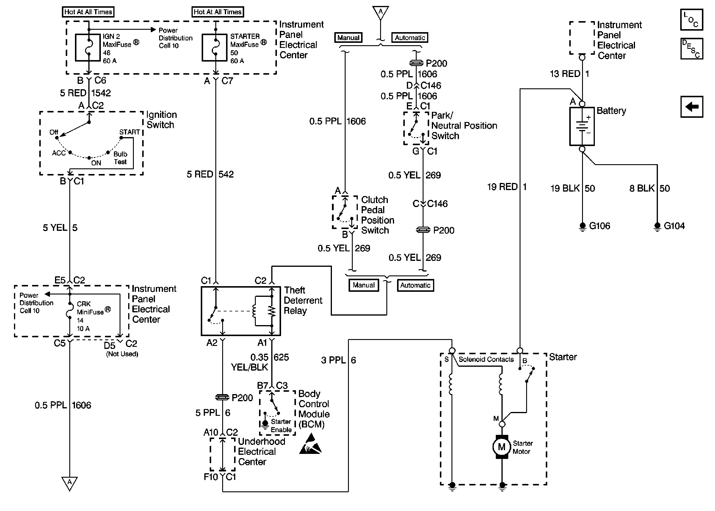
Cell 30: Starting System


Object Number: 323489  Size: FS

Starting and Charging Schematics Front Mounted EBTCM/BPMV

Figure 1:

Cell 30: Charging System


Object Number: 323482  Size: FS
Figure 2:

Cell 30: Starting System


Object Number: 323492  Size: FS