GM Service Manual Online
For 1990-2009 cars only

Engine Controls Schematics Rear Mounted EBTCM/BPMV

Figure 1:

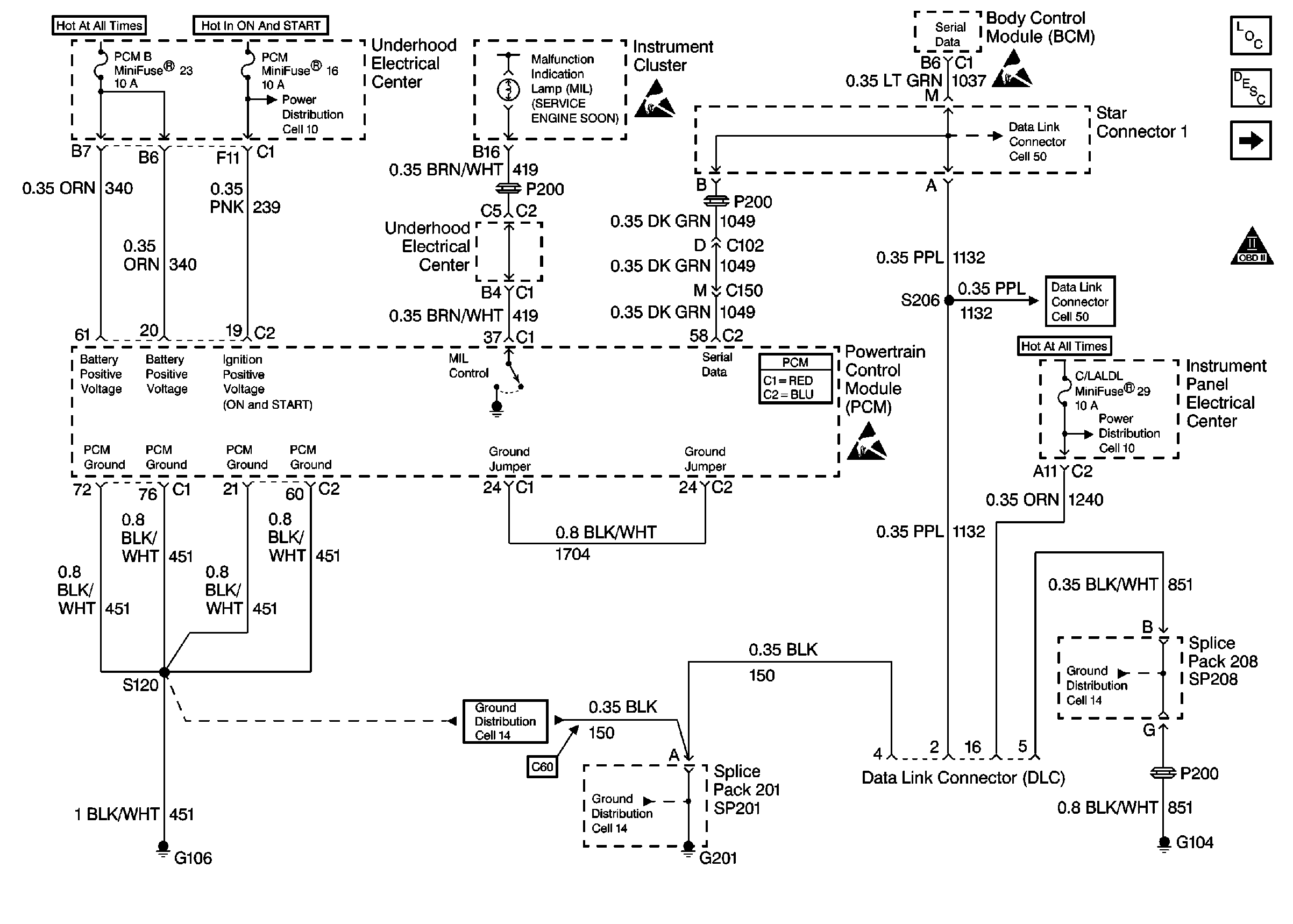
Cell 20: Power, Ground, DLC and MIL


Object Number: 315500  Size: FS
Figure 2:

Cell 20: Ignition Coil/Module Cylinders #1 & #3


Object Number: 315507  Size: FS
Figure 3:

Cell 20: Ignition Coil/Module Cylinders #5 & #7


Object Number: 315508  Size: FS
Figure 4:

Cell 20: Ignition Coil/Module Cylinders #2 & #4


Object Number: 315530  Size: FS
Figure 5:

Cell 20: Ignition Coil/Module Cylinders #6 & #8


Object Number: 315538  Size: FS
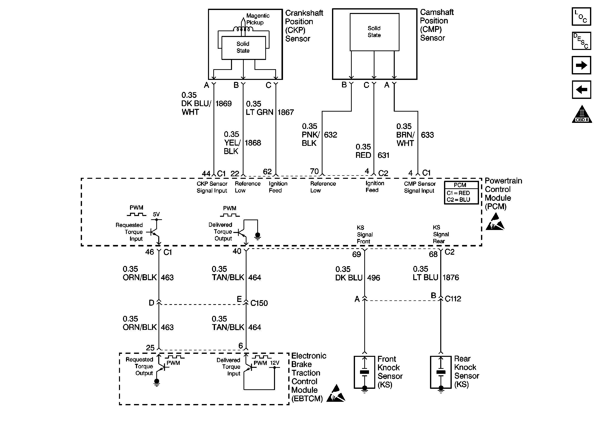
Figure 6:

Cell 20: CKP, CMP, KS and Traction Control System


Object Number: 315540  Size: FS
Figure 7:

Cell 20: Fuel Pump and Fuel Level Sensors


Object Number: 315544  Size: FS
Figure 8:

Cell 20: Fuel Injectors #2, #4, #6 and #8


Object Number: 315547  Size: FS
Figure 9:

Cell 20: Fuel Injectors #1, #3, #5 and #7


Object Number: 315551  Size: FS
Figure 10:

Cell 20: Cruise Control Switch


Object Number: 315553  Size: FS
Figure 11:

Cell 20: Power and Ground for TAC Module


Object Number: 315556  Size: FS
Figure 12:

Cell 20: TP and APP Sensors


Object Number: 315559  Size: FS
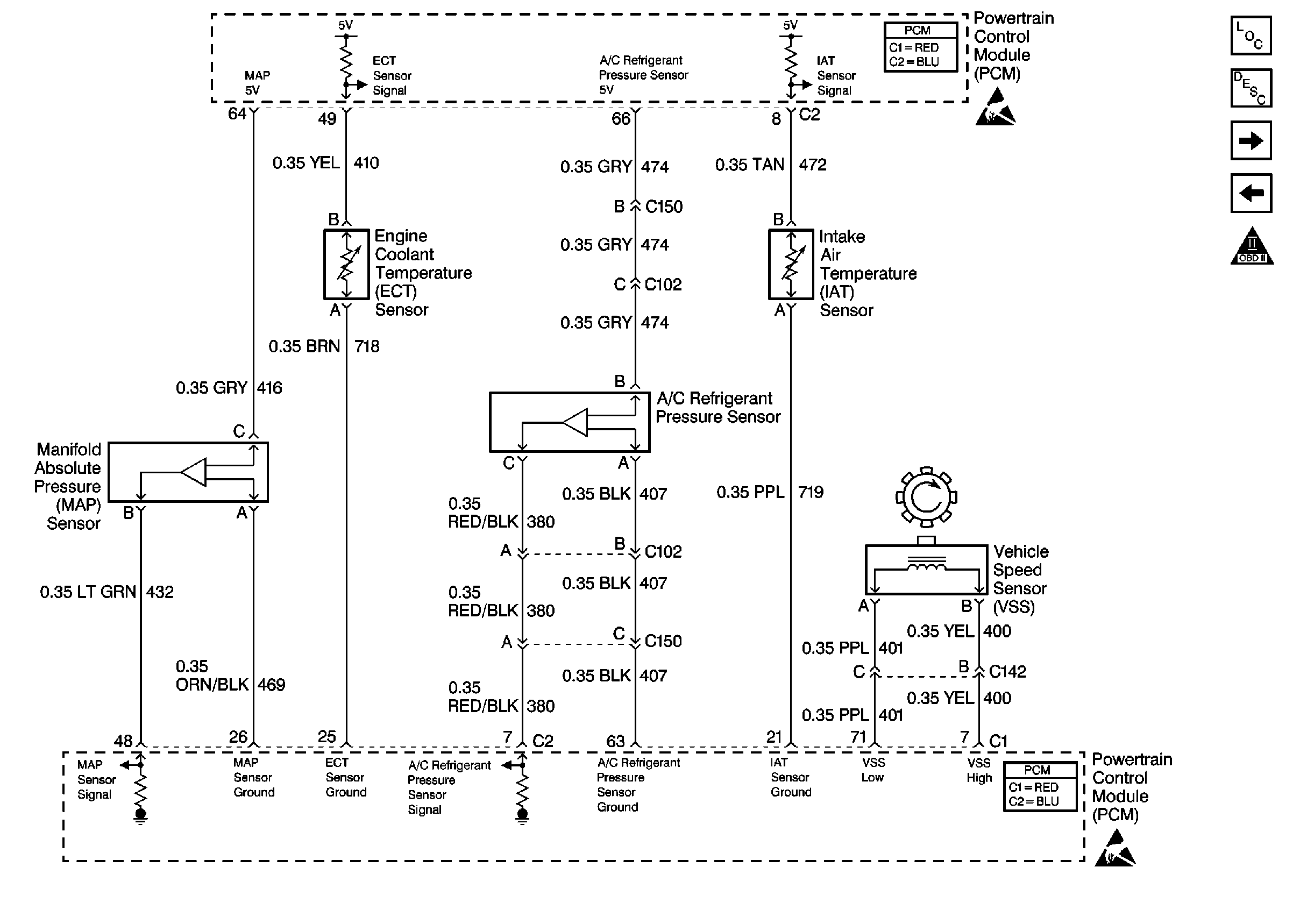
Figure 13:

Cell 20: Engine Data Sensors


Object Number: 316028  Size: FS
Figure 14:

Cell 20: Heated Oxygen Sensors HO2S


Object Number: 316032  Size: FS
Figure 15:

Cell 20: EVAP and AIR


Object Number: 316033  Size: FS
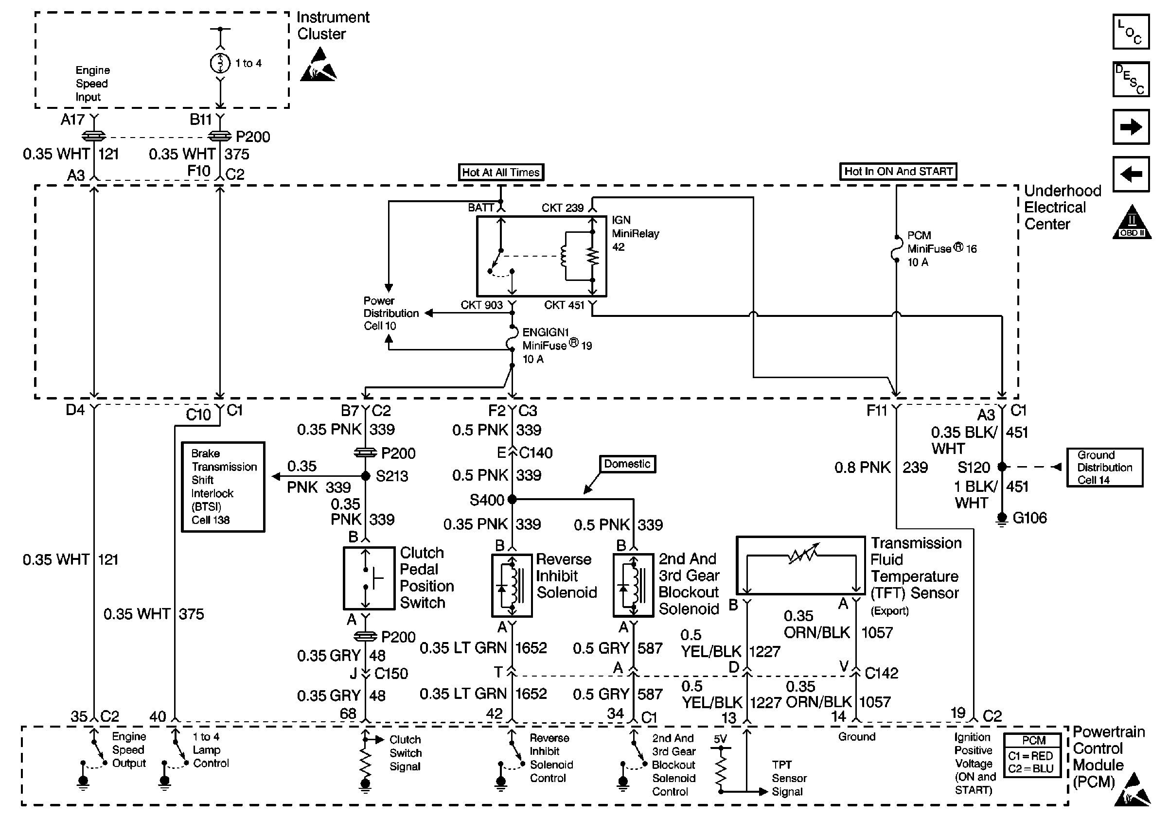
Figure 16:

Cell 20: Manual Transmission Controls


Object Number: 316035  Size: FS
Figure 17:

Cell 20: Automatic Transmission Controls


Object Number: 316037  Size: FS
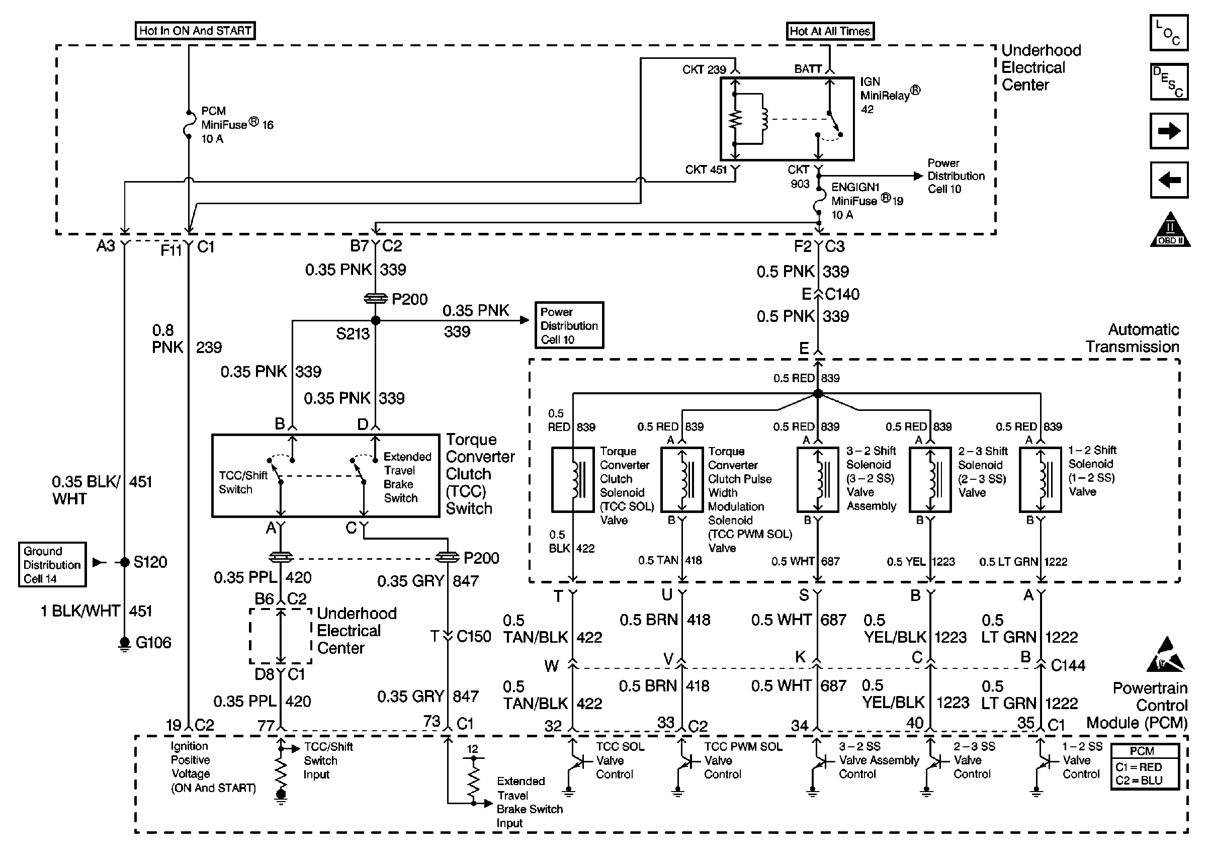
Figure 18:

Cell 20: Auto Transmission Controls and VSS Output


Object Number: 316040  Size: FS
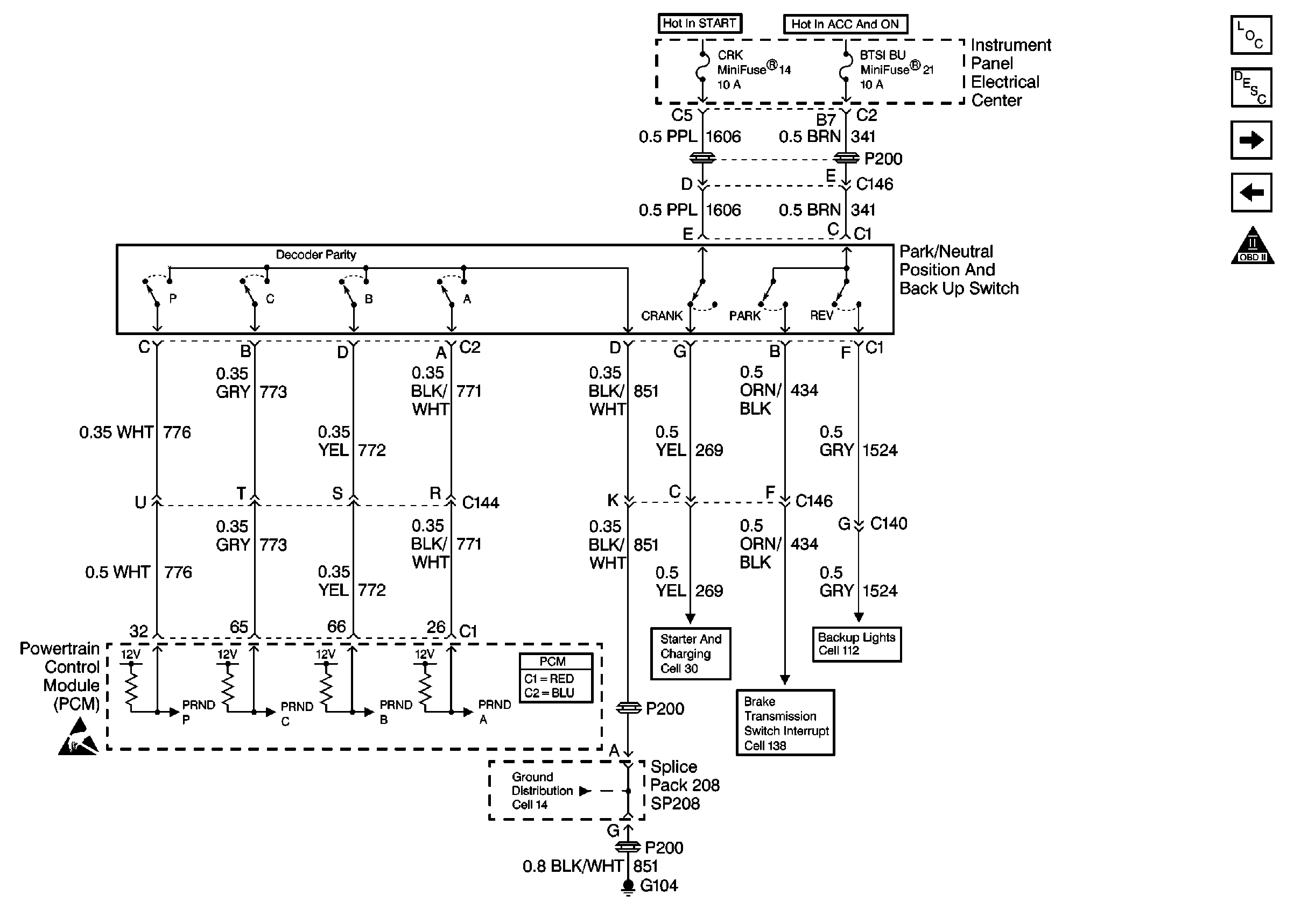
Figure 19:

Cell 20: Park Neutral Position Switch


Object Number: 316043  Size: FS
Figure 20:

Cell 20: Miscellaneous


Object Number: 316045  Size: FS
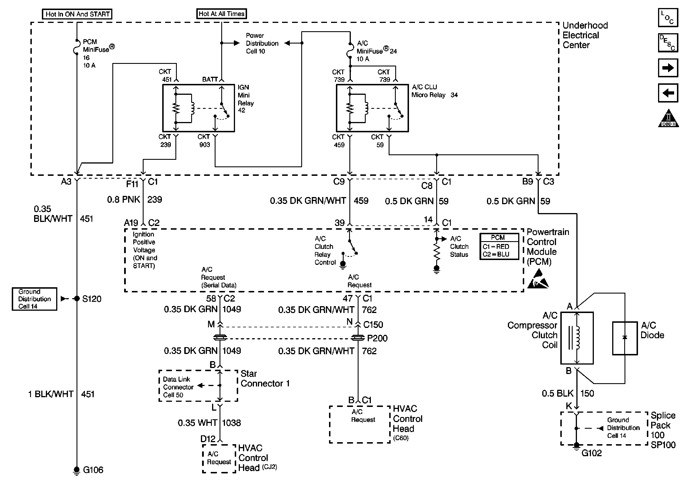
Figure 21:

Cell 20: A/C Compressor Controls


Object Number: 316127  Size: FS
Figure 22:

Cell 20: Engine Cooling Fan Controls


Object Number: 316135  Size: FS

Engine Controls Schematics Front Mounted EBTCM/BPMV

Figure 1:

Cell 20: Power, Ground, DLC and MIL


Object Number: 315503  Size: FS
Figure 2:

Cell 20: Ignition Coil/Module Cylinders 1 and 3


Object Number: 315507  Size: FS
Figure 3:

Cell 20: Ignition Coil/Module Cylinders 5 and 7


Object Number: 315508  Size: FS
Figure 4:

Cell 20: Ignition Coil/Module Cylinders 2 and 4


Object Number: 315530  Size: FS
Figure 5:

Cell 20: Ignition Coil/Module Cylinders 6 and 8


Object Number: 315538  Size: FS
Figure 6:

Cell 20: CKP,CMP,KS and Traction Control System


Object Number: 315542  Size: FS
Figure 7:

Cell 20: Fuel Pump and Fuel Level Sensors


Object Number: 315544  Size: FS
Figure 8:

Cell 20: Fuel Injectors 2, 4, 6 and 8


Object Number: 315547  Size: FS
Figure 9:

Cell 20: Fuel Injectors 1, 3, 5 and 7


Object Number: 315551  Size: FS
Figure 10:

Cell 20: Cruise Control Switch


Object Number: 315553  Size: FS
Figure 11:

Cell 20: Stop Lamp Switch


Object Number: 315556  Size: FS
Figure 12:

Cell 20: TP and APP Sensors


Object Number: 315559  Size: FS
Figure 13:

Cell 20: Engine Data Snesors


Object Number: 316030  Size: FS
Figure 14:

Cell 20: Heated Oxygen Sensors (HO2S)


Object Number: 316032  Size: FS
Figure 15:

Cell 20: EVAP and AIR


Object Number: 316033  Size: FS
Figure 16:

Cell 20: Manual Transmission Controls


Object Number: 332516  Size: FS
Figure 17:

Cell 20: Automatic Transmission Controls


Object Number: 316038  Size: FS
Figure 18:

Cell 20: Automatic Transmission Controls and VSS Output


Object Number: 316042  Size: FS
Figure 19:

Cell 20: Park Neutral Position Switch


Object Number: 316044  Size: FS
Figure 20:

Cell 20: Miscellaneous


Object Number: 316045  Size: FS
Figure 21:

Cell 20: A/C Compressor Controls


Object Number: 316130  Size: FS
Figure 22:

Cell 20: Engine Cooling Fan


Object Number: 316135  Size: FS