GM Service Manual Online
For 1990-2009 cars only

Suspension Controls Schematics Rear Mounted EBTCM/BPMV

Figure 1:

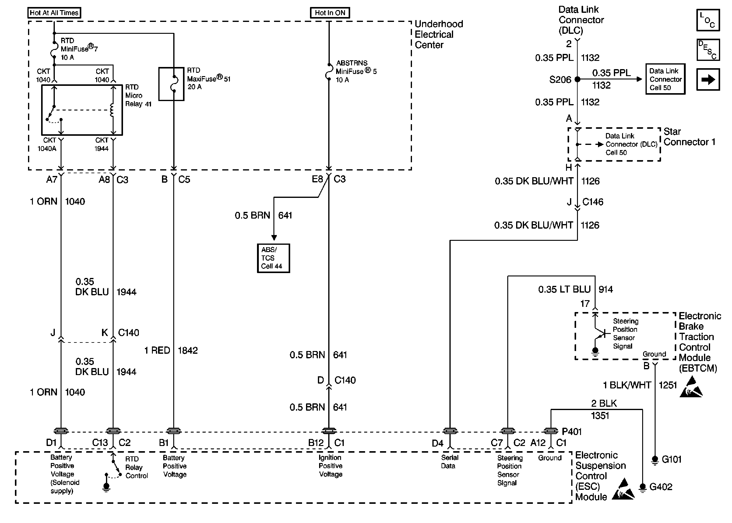
Cell 43: Power, Ground and DLC


Object Number: 323502  Size: FS
Figure 2:

Cell 43: Suspension Control Switch Input


Object Number: 323506  Size: FS
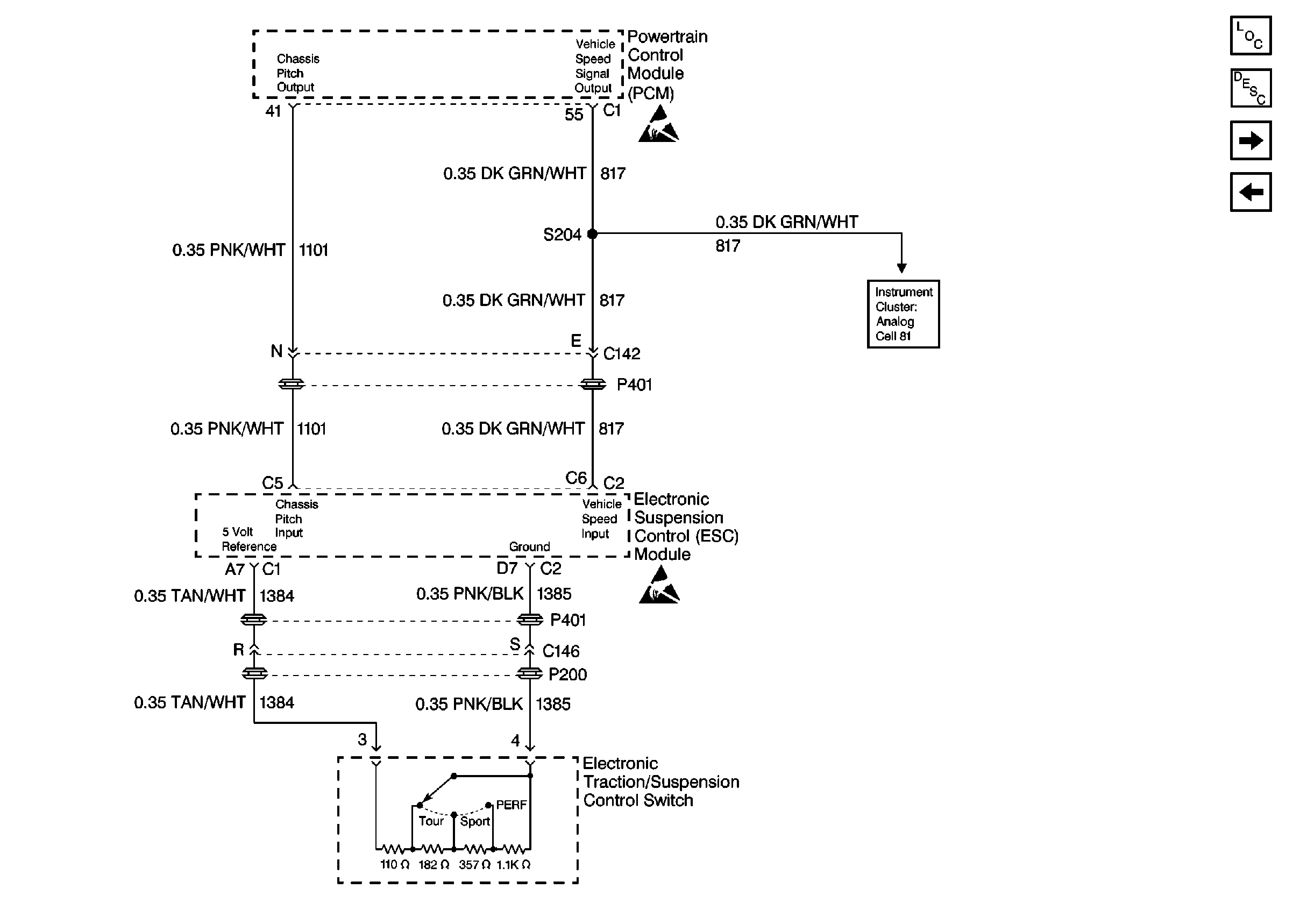
Figure 3:

Cell 43: Sensor Input


Object Number: 323507  Size: FS
Figure 4:

Cell 43: Solenoid Control System


Object Number: 323509  Size: FS

Suspension Controls Schematics Front Mounted EBTCM/BPMV

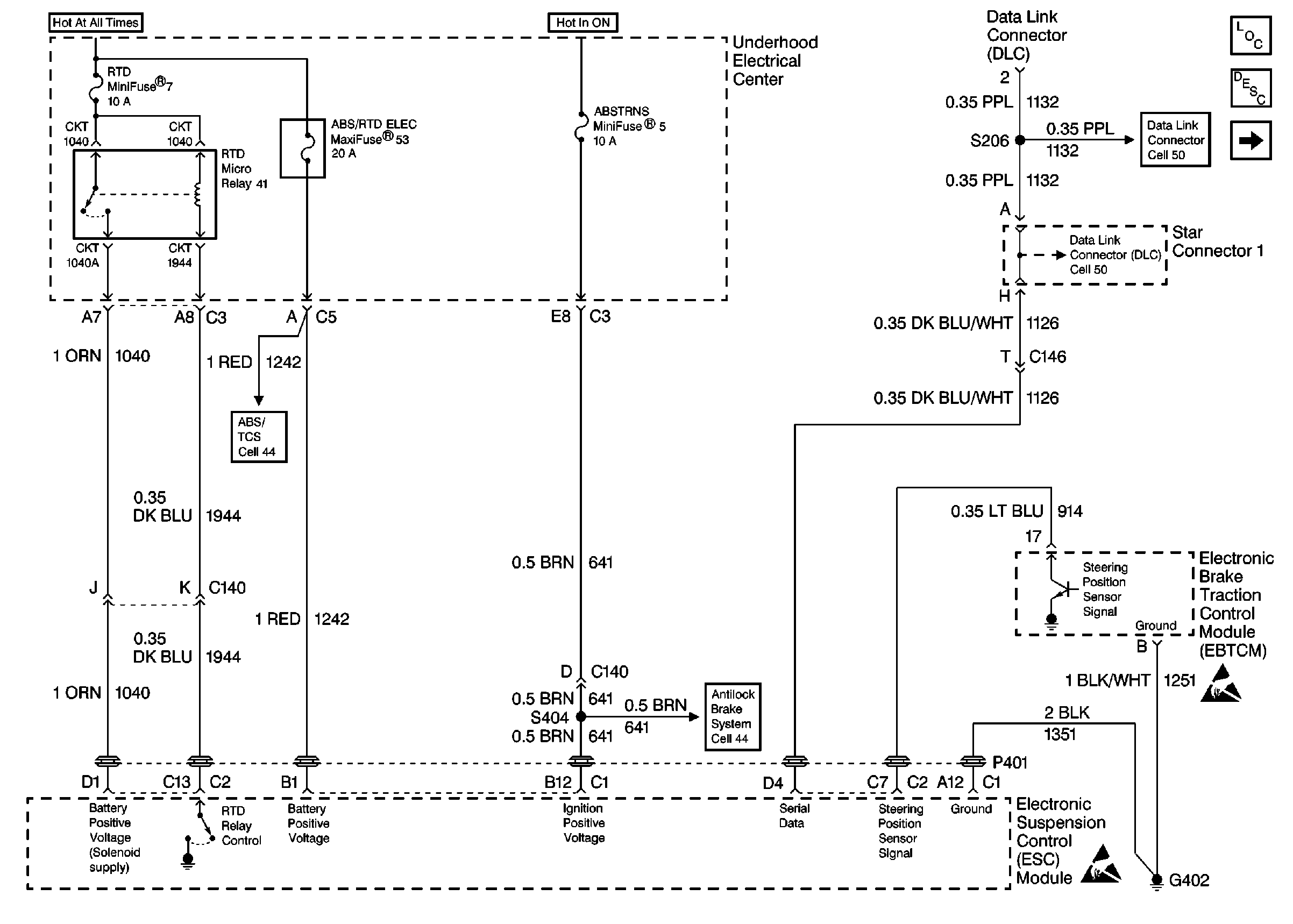
Figure 1:

Cell 43: Power, Ground and DLC


Object Number: 323503  Size: FS
Figure 2:

Cell 43: Suspension Control Switch Input


Object Number: 323504  Size: FS
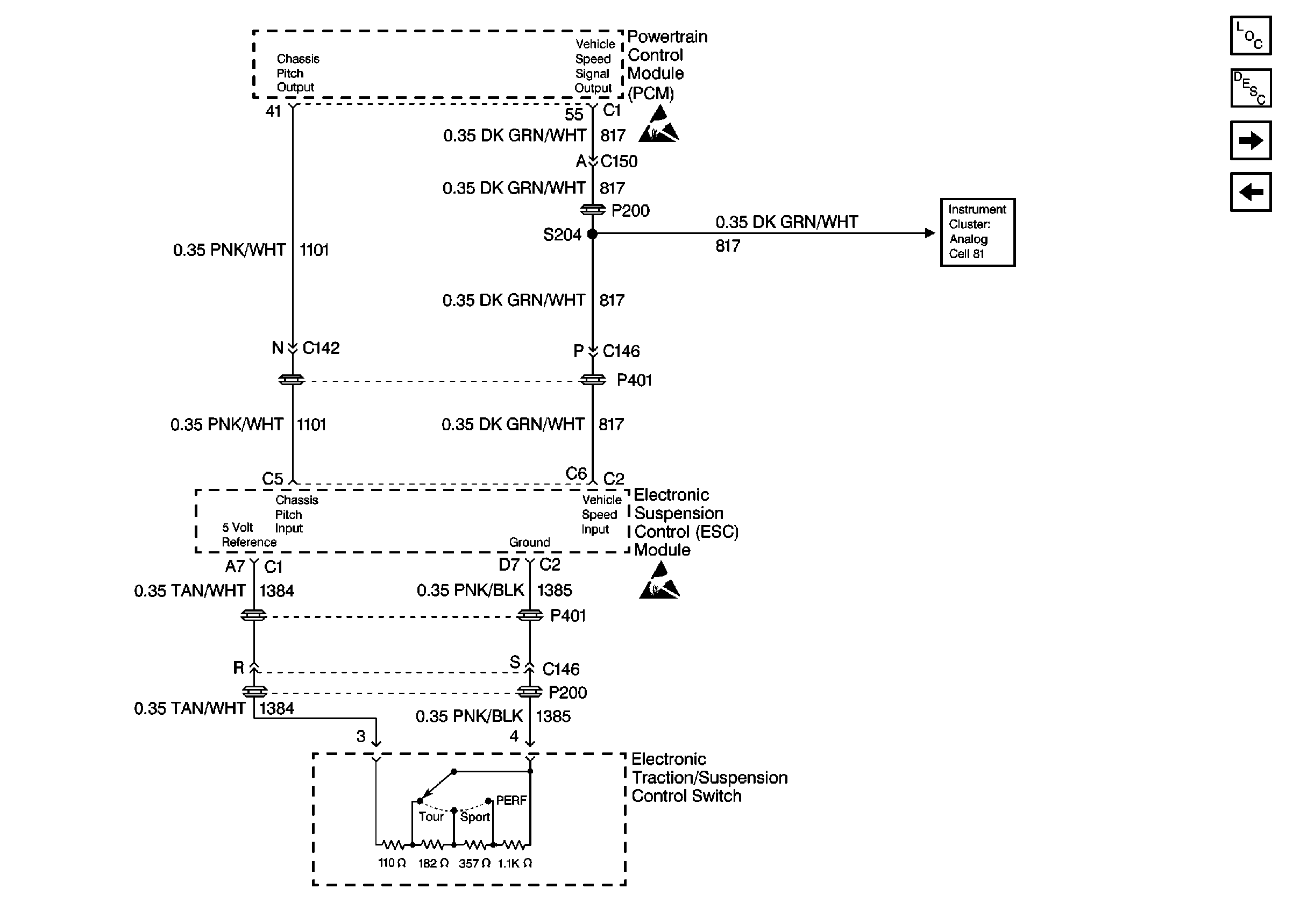
Figure 3:

Cell 43: Sensor Input


Object Number: 323507  Size: FS
Figure 4:

Cell 43: Solenoid Control System


Object Number: 323509  Size: FS