GM Service Manual Online
For 1990-2009 cars only

ABS/TCS Schematics Front Mounted EBTCM/BPMV

Figure 1:

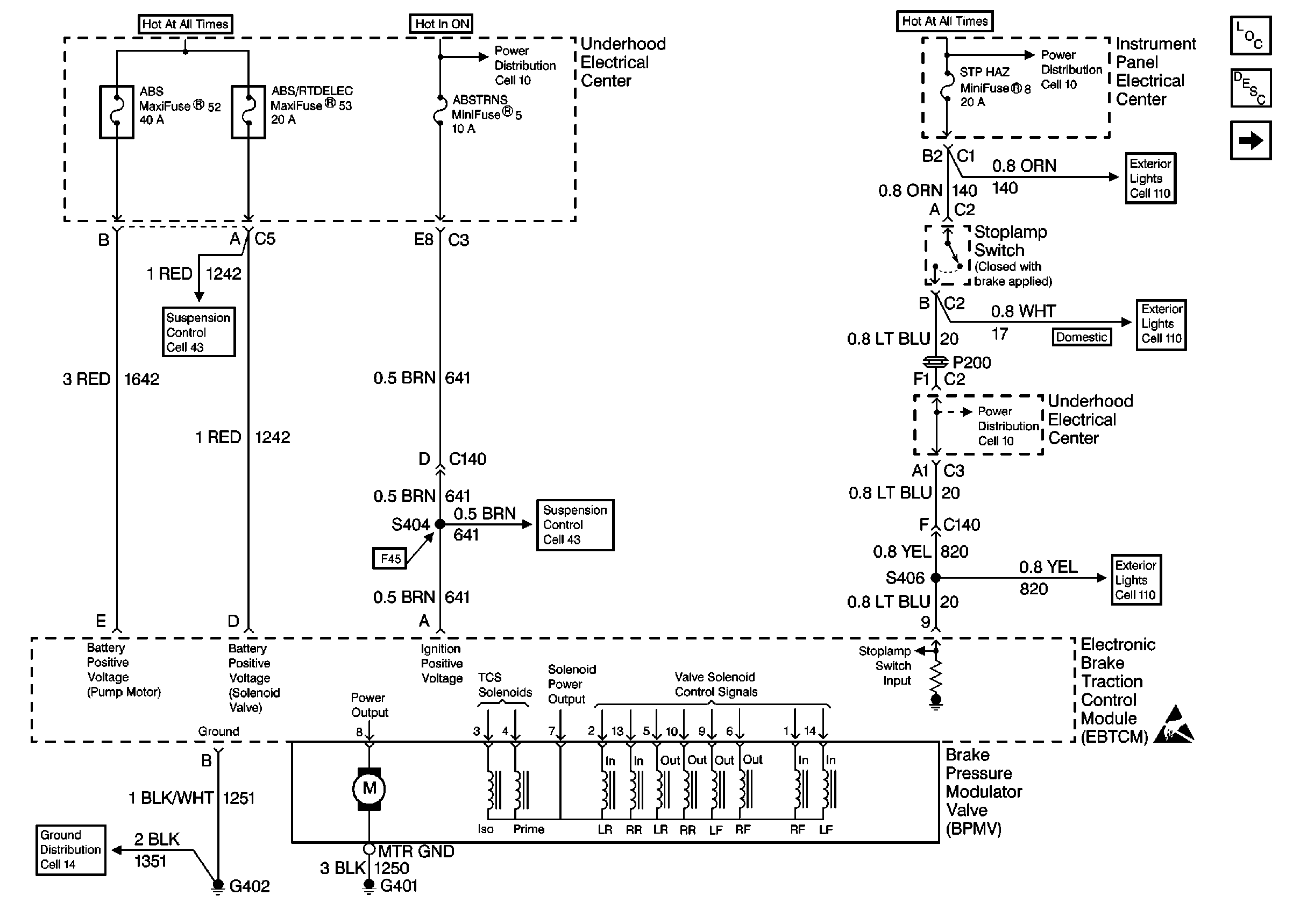
Cell 44: Power and Ground


Object Number: 316590  Size: FS
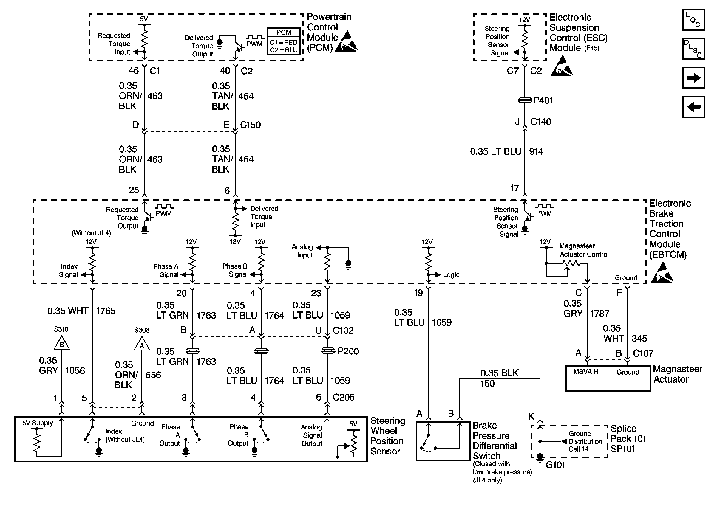
Figure 2:

Cell 44: Magnasteer System


Object Number: 316591  Size: FS
Figure 3:

Cell 44: Miscellaneous Sensor Inputs


Object Number: 316594  Size: FS
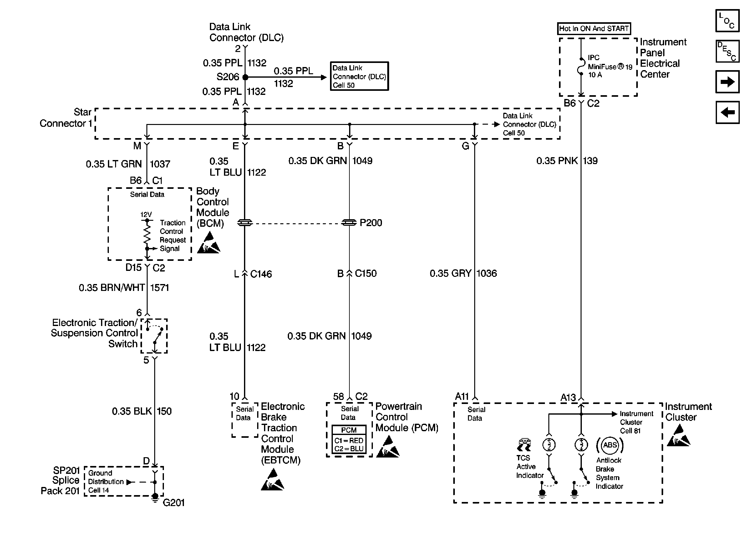
Figure 4:

Cell 44: Data Link Connector (DLC)


Object Number: 316595  Size: FS
Figure 5:

Cell 44: Wheel Speed Sensors


Object Number: 316597  Size: FS
Master Electrical Component List

ABS/TCS Schematics Rear Mounted EBTCM/BPMV

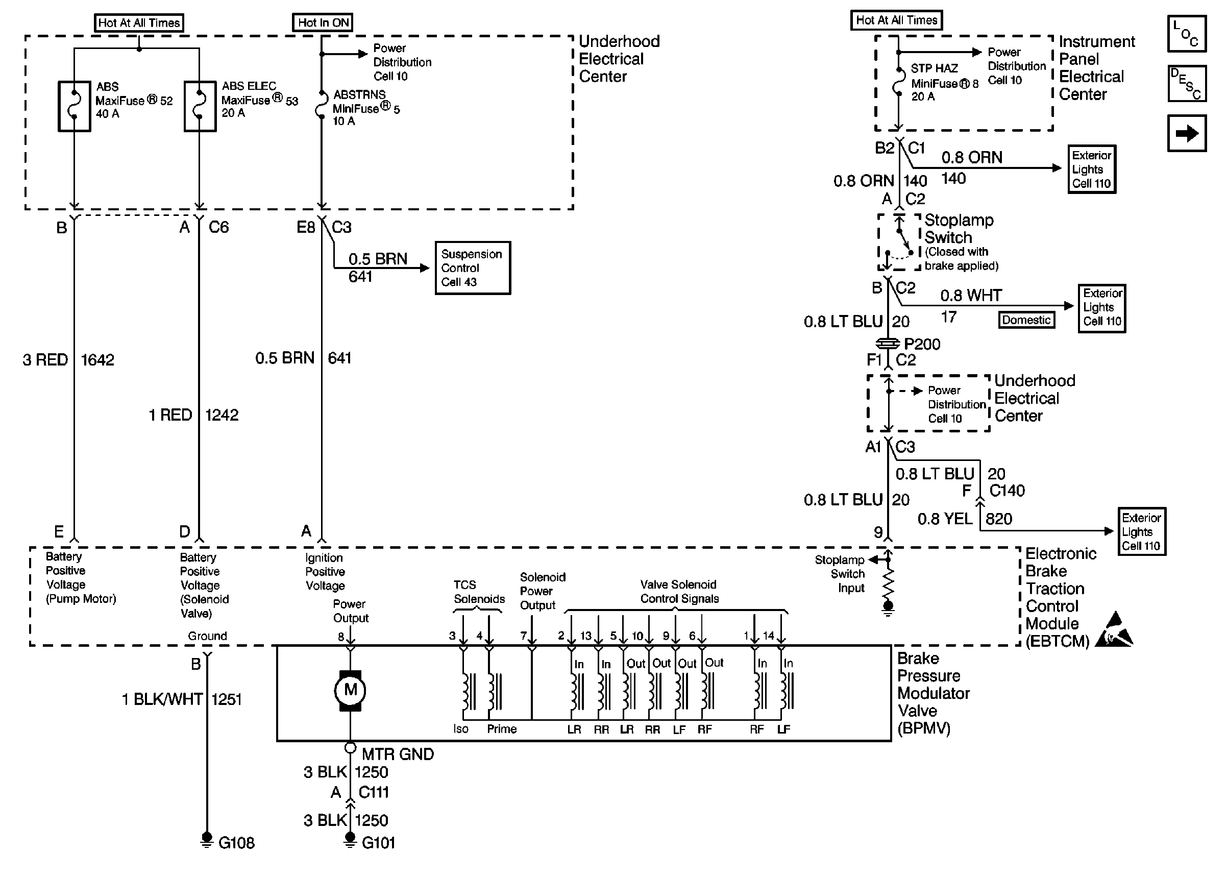
Figure 1:

Cell 44: Power and Ground


Object Number: 316599  Size: FS
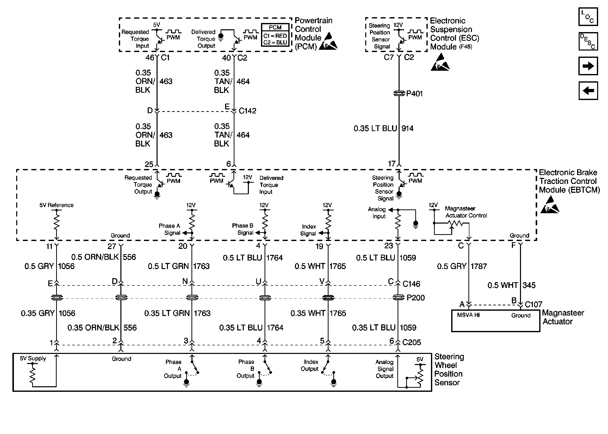
Figure 2:

Cell 44: Magnasteer System


Object Number: 316600  Size: FS
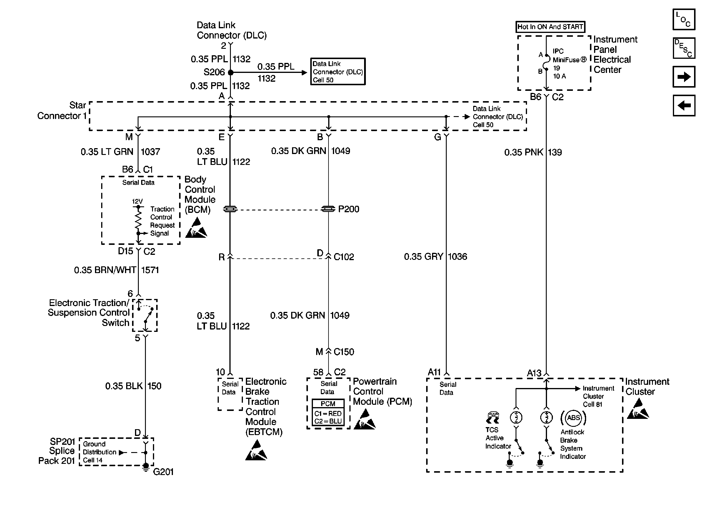
Figure 3:

Cell 44: Data Link Connector (DLC)


Object Number: 316602  Size: FS
Figure 4:

Cell 44: Wheel Speed Sensors


Object Number: 316603  Size: FS