GM Service Manual Online
For 1990-2009 cars only

Removal Procedure


    Object Number: 297279  Size: SH
  1. Recover the refrigerant. Refer to Refrigerant Recovery and Recharging .
  2. Disable the SIR system. Refer to Disabling the SIR System in SIR.
  3. Caution: Unless directed otherwise, the ignition and start switch must be in the OFF or LOCK position, and all electrical loads must be OFF before servicing any electrical component. Disconnect the negative battery cable to prevent an electrical spark should a tool or equipment come in contact with an exposed electrical terminal. Failure to follow these precautions may result in personal injury and/or damage to the vehicle or its components.

  4. Disconnect the negative battery cable.
  5. Remove the battery. Refer to Battery Replacement in Engine Electrical.
  6. Remove the battery heat shield. Refer to Battery Heat Shield Replacement in Body Front End.
  7. Drain the cooling system. Refer to Cooling System Draining and Filling in Engine Cooling.
  8. Remove the engine intake manifold. Refer to Intake Manifold Replacement in Engine Mechanical.
  9. Remove the nut retaining the heater pipe bracket to the dash panel.
  10. Reposition the heater pipe bracket.

  11. Object Number: 82061  Size: SH
  12. Remove the heater pipe to heater core retaining bolt.
  13. Important: Be sure to cap or plug the open heater pipe assembly and the heater core to prevent contamination.

  14. Disconnect the heater pipe assembly from the heater core, allow any remaining coolant to drain, discard the seal washers and cap or plug the heater pipe assembly and the heater core to prevent contamination.

  15. Object Number: 297276  Size: SH
  16. Remove the accumulator hose to evaporator retaining bolt.
  17. Important: Cap or tape the open accumulator hose, evaporator tube - rear and the evaporator immediately.

  18. Disconnect the accumulator hose and the evaporator tube - rear from the evaporator, discard the O-ring seals and cap or tape the hose end, the tube end and the evaporator to prevent contamination.

  19. Object Number: 174403  Size: SH
  20. Remove the evaporator and HVAC module drain tube from the HVAC module.

  21. Object Number: 95727  Size: SH
  22. Remove the console. Refer to Console Replacement in Instrument Panel, Gauges and Console.
  23. Remove the I/P accessory trim plate. Refer to Instrument Panel Accessory Trim Plate Replacement in Instrument Panel, Gauges and Console.
  24. Remove the I/P passenger compartment. Refer to Instrument Panel Compartment Replacement in Instrument Panel, Gauges and Console.
  25. Remove the RH lower insulator panel. Refer to Instrument Panel Insulator Panel Replacement in Instrument Panel, Gauges and Console.
  26. Remove the driver knee bolster trim panel. Refer to Driver Knee Bolster Panel Replacement in Instrument Panel, Gauges and Console.
  27. Remove the LH lower insulator panel. Refer to Instrument Panel Insulator Panel Replacement in Instrument Panel, Gauges and Console.
  28. Remove the I/P upper trim pad. Refer to Instrument Panel Upper Trim Pad Replacement in Instrument Panel, Gauges and Console.
  29. Remove the instrument panel cluster (IPC) to steering column bracket retaining screws.
  30. Reposition the IPC to allow room for the HVAC module to be removed.

  31. Object Number: 95655  Size: SH
  32. Remove the LH side window defogger outlet duct - lower.
  33. 24.1. Remove the push-in retainer.
    24.2. Use a twisting motion to release the defogger outlet duct - lower from the windshield defroster duct, then from the defogger outlet duct - upper.

    Object Number: 295297  Size: SH
  34. Disconnect the DRL sensor electrical connector from the LH side of the windshield defroster duct, if equipped.
  35. Disconnect the electrical connector from the temperature valve electric actuator.

  36. Object Number: 95646  Size: SH
  37. Remove the I/P center support bracket and the ignition switch housing bracket. Refer to Instrument Panel Center Support Bracket Replacement in Instrument Panel, Gauges and Console.
  38. Remove the LH floor air outlet duct retaining screws.
  39. Remove the floor air outlet duct.

  40. Object Number: 95652  Size: SH
  41. Remove the LH floor air outlet duct - rear.
  42. Rotate the duct ¼ turn clockwise to release.


    Object Number: 95658  Size: SH
  43. Remove the RH side window defogger outlet duct - lower.
  44. 31.1. Depress the defogger outlet duct - lower retaining tabs and release the duct from the passenger SIR bracket.
    31.2. Use a twisting motion to release the defogger outlet duct - lower from the windshield defroster duct, then from the defogger outlet duct - upper.
  45. Remove the passenger SIR bracket and the passenger knee bolster bracket. Refer to Instrument Panel Inflatable Restraint Module Bracket Replacement in Instrument Panel, Gauges and Console.

  46. Object Number: 95647  Size: SH
  47. Remove the RH floor air outlet duct retaining screws.
  48. Remove the floor air outlet duct.

  49. Object Number: 297307  Size: SH
  50. Pull the front floor carpet away from the RH side of the driveline tunnel to access the carpet air outlet duct.
  51. Use a rotating motion the release the carpet air outlet duct from the floor air outlet duct - rear.

  52. Object Number: 95654  Size: SH
  53. Remove the RH floor air outlet duct - rear.
  54. Rotate the floor air outlet duct - rear ¼ turn counterclockwise to release.


    Object Number: 295302  Size: SH
  55. Disconnect the wiring harness electrical connector from the blower motor resistor.
  56. Remove the blower motor w/impeller. Refer to Blower Motor and Fan Replacement .

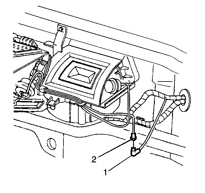
  57. Object Number: 297252  Size: SH
  58. Disconnect the I/P harness vacuum source line (1) from the HVAC module vacuum harness (2).

  59. Object Number: 95643  Size: SH
  60. Remove the windshield defroster duct retaining screws.
  61. Remove the windshield defroster duct.

  62. Object Number: 175438  Size: SH
  63. Remove the HVAC module retaining and sealing nuts from the dash panel.
  64. Reposition the refrigerant lines slightly, if necessary.

  65. Remove the HVAC module retaining screws from the I/P upper support beam.
  66. Carefully remove the HVAC module from the vehicle.

  67. Object Number: 179036  Size: SH
  68. Remove and discard the HVAC module air inlet, drain, and plumbing seals.

Installation Procedure


    Object Number: 179036  Size: SH
  1. Install new air inlet, drain, and plumbing seals to the HVAC module.

  2. Object Number: 296213  Size: SH
  3. Carefully install the HVAC module to the vehicle in the following SEQUENCE.
  4.         Important: Ensure that the cut-outs on the dashmat are properly aligned so that the air inlet, drain, and plumbing seals are seated directly against the dash panel and not the dashmat.

    2.1. Check the dashmat (1) for proper alignment to the dash panel; align if necessary.

    The opening in the dashmat for the HVAC module drain should be aligned so that the drain opening in the dash panel is approximately centered in the dash mat opening; allowing ample room for the module drain seal (2) to fully seat against the dash panel.

    2.2. ALIGN the heater core joint fitting, the condenser joint fitting, the HVAC module drain and the HVAC module studs to the corresponding openings on the dash panel.
    2.3. INSERT the LH stud into the dash panel FIRST, then the module drain, then the RH stud.
    2.4. Install the HVAC module LH retaining bolt to the I/P upper support beam module net locating hole (3).

    Notice: Use the correct fastener in the correct location. Replacement fasteners must be the correct part number for that application. Fasteners requiring replacement or fasteners requiring the use of thread locking compound or sealant are identified in the service procedure. Do not use paints, lubricants, or corrosion inhibitors on fasteners or fastener joint surfaces unless specified. These coatings affect fastener torque and joint clamping force and may damage the fastener. Use the correct tightening sequence and specifications when installing fasteners in order to avoid damage to parts and systems.

    2.5. Install the HVAC module RH retaining bolt to the I/P upper support beam.

    Tighten
    Tighten the HVAC module retaining bolts to 10 N·m (89 lb in).

            Important: To prevent possible water leaks or wind/road noise from entering the vehicle passenger compartment, DO NOT reuse the old HVAC module retaining and sealing nuts.

    2.6. Install the HVAC module new retaining and sealing nuts to the dash panel.

    Reposition the refrigerant lines slightly, if necessary.

    Tighten
    Tighten the HVAC module retaining and sealing nuts to 10 N·m (89 lb in).


    Object Number: 95643  Size: SH
  5. Install and align the windshield defroster duct to the HVAC module opening and the I/P upper support beam.
  6. Install the windshield defroster duct LH retaining screw (net locating hole).
  7. Install the windshield defroster duct RH retaining screw.
  8. Tighten
    Tighten the windshield defroster duct retaining screws to 10 N·m (89 lb in).


    Object Number: 297252  Size: SH
  9. Connect the I/P harness vacuum source line (1) to the HVAC module vacuum harness (2).

  10. Object Number: 295302  Size: SH
  11. Install the blower motor w/impeller. Refer to Blower Motor and Fan Replacement .
  12. Connect the wiring harness electrical connector to the blower motor resistor.

  13. Object Number: 95654  Size: SH
  14. Position and align the RH floor air outlet duct - rear to the HVAC module, then push firmly and evenly to secure the duct.

  15. Object Number: 297307  Size: SH
  16. Secure the carpet air outlet duct to the RH floor air outlet duct - rear.
  17. Use a rotating motion to secure the carpet air outlet duct to the floor air outlet duct - rear.

  18. Position the front floor carpet to the RH side of the driveline tunnel.

  19. Object Number: 95647  Size: SH
  20. Install the RH floor air outlet duct to the HVAC module.
  21. Install the floor air outlet duct retaining screws.
  22. Tighten
    Tighten the floor air outlet duct retaining screws to 1.6 N·m (14 lb in).


    Object Number: 95658  Size: SH
  23. Install the passenger SIR bracket and the passenger knee bolster bracket. Refer to Instrument Panel Inflatable Restraint Module Bracket Replacement in Instrument Panel, Gauges and Console.
  24. Install the RH side window defogger outlet duct - lower.
  25. 15.1. Use a twisting motion to secure the defogger outlet duct - lower to the defogger outlet duct - upper, then to the windshield defroster duct.
    15.2. Install the defogger outlet duct - lower retaining tabs to the passenger SIR bracket.

    Object Number: 95652  Size: SH
  26. Position and align the LH floor air outlet duct - rear to the HVAC module, then push firmly and evenly to secure the duct.

  27. Object Number: 95646  Size: SH
  28. Install the LH floor air outlet duct to the HVAC module.
  29. Install the floor air outlet duct retaining screws.
  30. Tighten
    Tighten the floor air outlet duct retaining screws to 1.6 N·m (14 lb in).

  31. Install the I/P center support bracket and the ignition switch housing bracket. Refer to Instrument Panel Center Support Bracket Replacement in Instrument Panel, Gauges and Console.

  32. Object Number: 295297  Size: SH
  33. Connect the electrical connector to the temperature valve electric actuator.
  34. Connect the DRL sensor electrical connector to the LH side of the windshield defroster duct, if equipped.

  35. Object Number: 95655  Size: SH
  36. Install the LH side window defogger outlet duct - lower.
  37. 22.1. Use a twisting motion to secure the defogger outlet duct - lower to the defogger outlet duct - upper, then to the windshield defroster duct.
    22.2. Install the push-in retainer.

    Object Number: 95727  Size: SH
  38. Install the instrument panel cluster (IPC) into position.
  39. Install the IPC to steering column bracket retaining screws.
  40. Tighten
    Tighten the IPC to steering column bracket retaining screws to 3.5 N·m (31 lb in).

  41. Install the I/P upper trim pad. Refer to Instrument Panel Upper Trim Pad Replacement in Instrument Panel, Gauges and Console.
  42. Install the LH lower insulator panel. Refer to Instrument Panel Insulator Panel Replacement in Instrument Panel, Gauges and Console.
  43. Install the driver knee bolster trim panel. Refer to Driver Knee Bolster Panel Replacement in Instrument Panel, Gauges and Console.
  44. Install the RH lower insulator panel. Refer to Instrument Panel Insulator Panel Replacement in Instrument Panel, Gauges and Console.
  45. Install the I/P passenger compartment. Refer to Instrument Panel Compartment Replacement in Instrument Panel, Gauges and Console.
  46. Install the I/P accessory trim plate. Refer to Instrument Panel Accessory Trim Plate Replacement in Instrument Panel, Gauges and Console.
  47. Install the console. Refer to Console Replacement in Instrument Panel, Gauges and Console.

  48. Object Number: 296218  Size: SH
  49. Install the evaporator and HVAC module drain tube to the module; orientate the drain tube to contact the dash panel as shown (1).
  50. Check to be sure that the drain tube is fully seated to the HVAC module.

  51. Object Number: 297232  Size: SH
  52. Remove the cap or tape from the accumulator hose, evaporator tube - rear and the evaporator.
  53. Using a lint-free clean, dry cloth, carefully clean the sealing surfaces of the accumulator hose, evaporator tube - rear and the evaporator.
  54. Lightly coat the new O-ring seals (1) with mineral base 525 viscosity refrigerant oil.
  55. Important: DO NOT allow any of the mineral base 525 viscosity refrigerant oil on the O-ring seals to enter the refrigerant system.

  56. Carefully slide the new O-ring seals (1) onto the accumulator hose and the evaporator tube - rear until seated.

  57. Object Number: 297276  Size: SH
  58. Install the accumulator hose and evaporator tube - rear to the evaporator.
  59. Install the accumulator hose to evaporator retaining bolt.
  60. Tighten
    Tighten the accumulator hose to evaporator retaining bolt to 16 N·m (12 lb ft).


    Object Number: 82061  Size: SH
  61. Remove the cap or plug from the heater pipe assembly and the heater core.
  62. Using a lint-free clean, dry cloth, carefully clean the sealing surfaces of the heater pipe assembly and the heater core.
  63. Lightly coat the new seal washers with coolant.
  64. Carefully slide the new seal washers onto the heater pipe assembly until seated.
  65. Install the heater pipe assembly to the heater core.
  66. Install the heater pipe assembly retaining bolt.
  67. Tighten
    Tighten the heater pipe assembly retaining bolt to 16 N·m (12 lb ft).


    Object Number: 297279  Size: SH
  68. Install the heater pipe bracket into position.
  69. Install the heater pipe bracket retaining nut.
  70. Tighten
    Tighten the heater pipe bracket retaining nut to 10 N·m (89 lb in).

  71. Install the engine intake manifold. Refer to Intake Manifold Replacement in Engine Mechanical.
  72. Install the battery heat shield. Refer to Battery Heat Shield Replacement in Body Front End.
  73. Install the battery. Refer to Battery Replacement in Engine Electrical.
  74. Connect the negative battery cable.
  75. Tighten
    Tighten the negative battery cable bolt to 15 N·m (11 lb ft).

  76. Enable the SIR system. Refer to Enabling the SIR System in SIR.
  77. Program the transmitters. Refer to Transmitter Programming/Synchronization in Keyless Entry.
  78. Refill the cooling system. Refer to Cooling System Draining and Filling in Engine Cooling.
  79. Inspect the heater core joint for leaks.
  80. Evacuate and charge the refrigerant system. Refer to Refrigerant Recovery and Recharging .
  81. Check the evaporator joint for leaks. Refer to Leak Testing .