GM Service Manual Online
For 1990-2009 cars only

Power Distribution Schematics Rear Mounted EBTCM

Figure 1:

Cell 10: Instrument panel electrical center


Object Number: 381124  Size: FS
Figure 2:

Cell 10: Underhood electrical center


Object Number: 382130  Size: FS
Figure 3:

Power Distribution Schematic (Cell 10: UHEC, EBTCM, PCM)


Object Number: 340525  Size: FS
Figure 4:

Power Distribution Schematic (Cell 10: UHEC, BCM, PCM, Fog Lamps)


Object Number: 340528  Size: FS
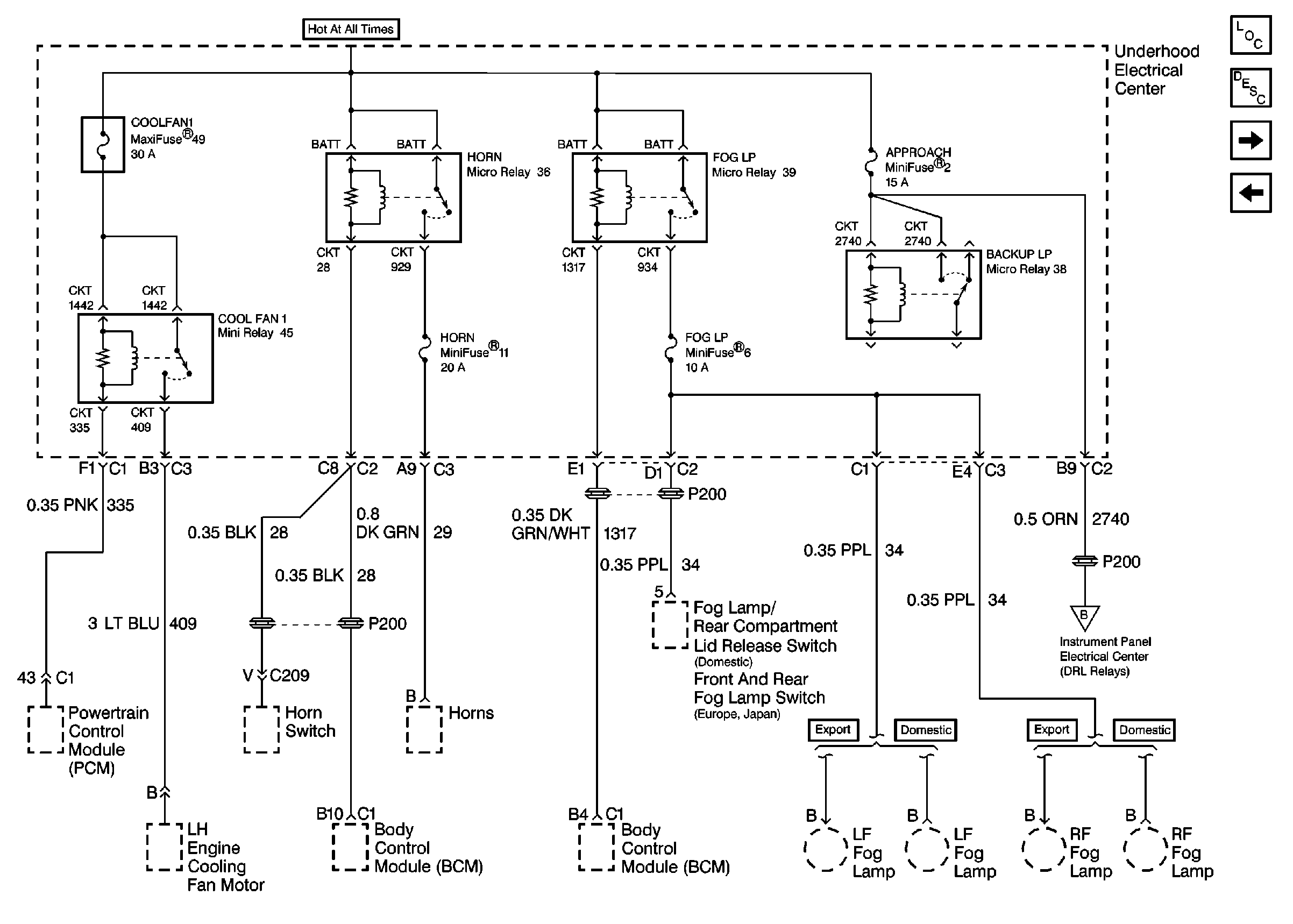
Figure 5:

Power Distribution Schematic (Cell 10: UHEC, BCM, ESC, HO2S Banks, Fog Lamps)


Object Number: 340530  Size: FS
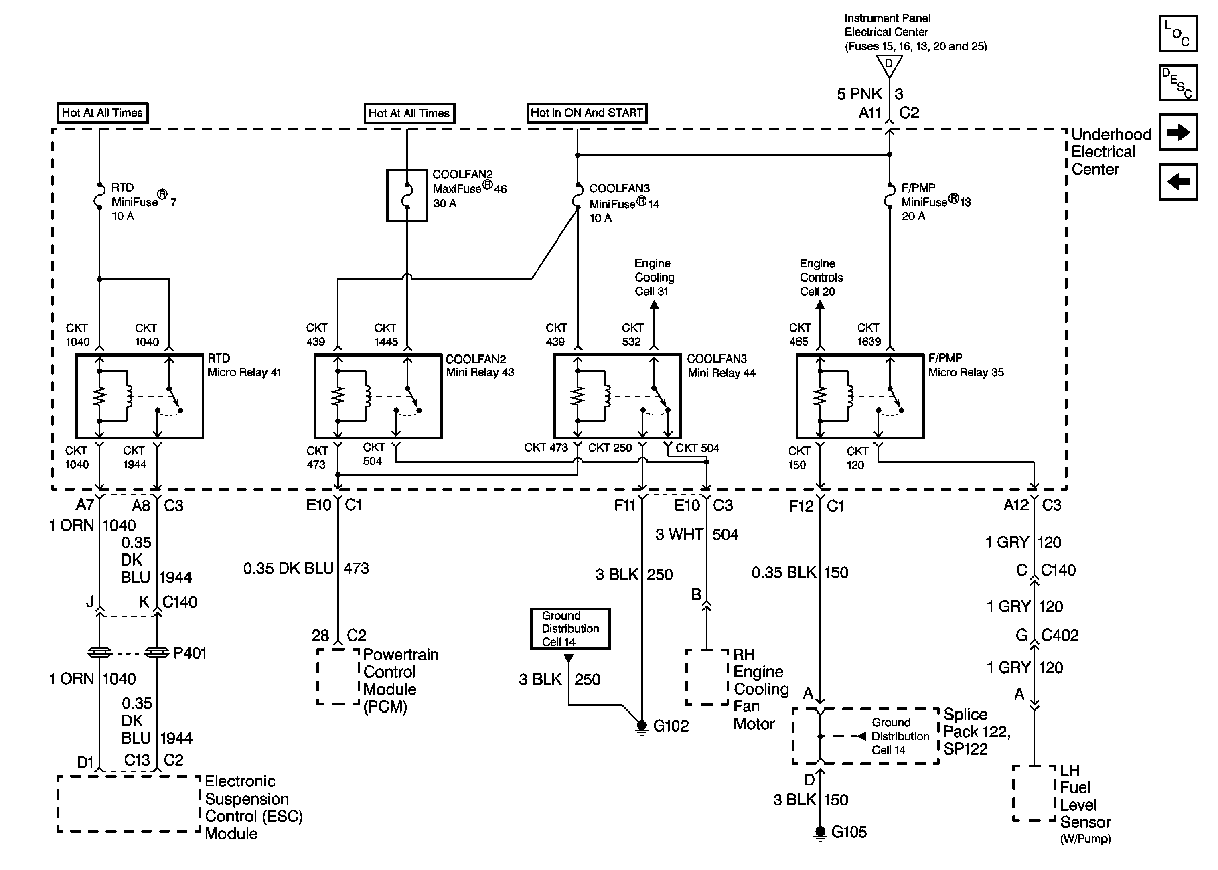
Figure 6:

Power Distribution Schematic (Cell 10: Fuses 7, 46, 14, 13)


Object Number: 340532  Size: FS
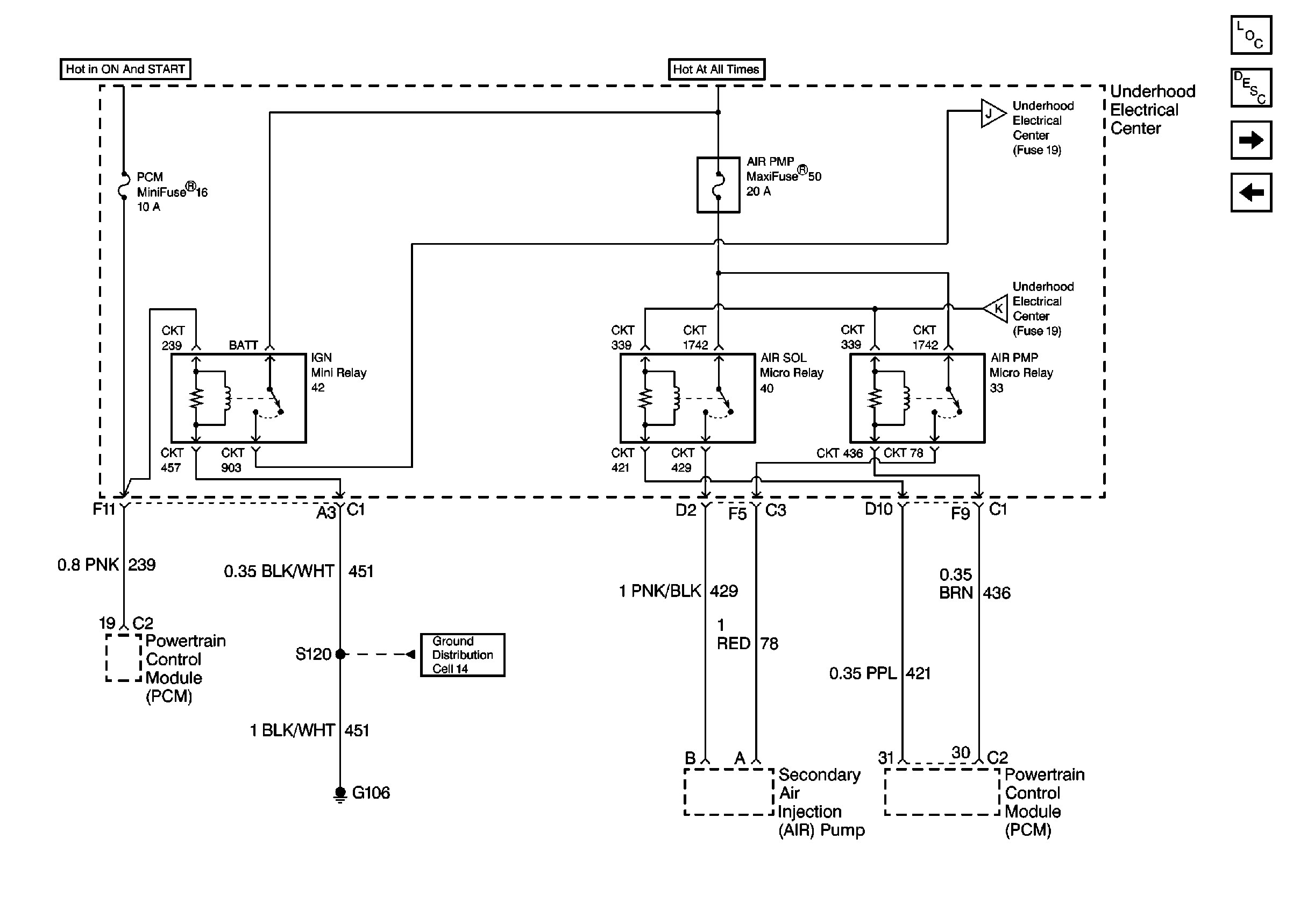
Figure 7:

Power Distribution Schematic (Cell 10: UHEC Fuses 16-PCM, 50-AIR)


Object Number: 340535  Size: FS
Figure 8:

Power DistributionSchematic (Cell 10: UHEC Fuse 19-TCC, EVAP)


Object Number: 340536  Size: FS
Figure 9:

Power Distribution Schematic (Cell 10: UHEC Fuses 18-FI, 24-PCM)


Object Number: 340538  Size: FS
Figure 10:

Power Distribution Schematic (Cell 10: UHEC Fuses 17-TAC, 22-FI & Ign Coil)


Object Number: 340539  Size: FS
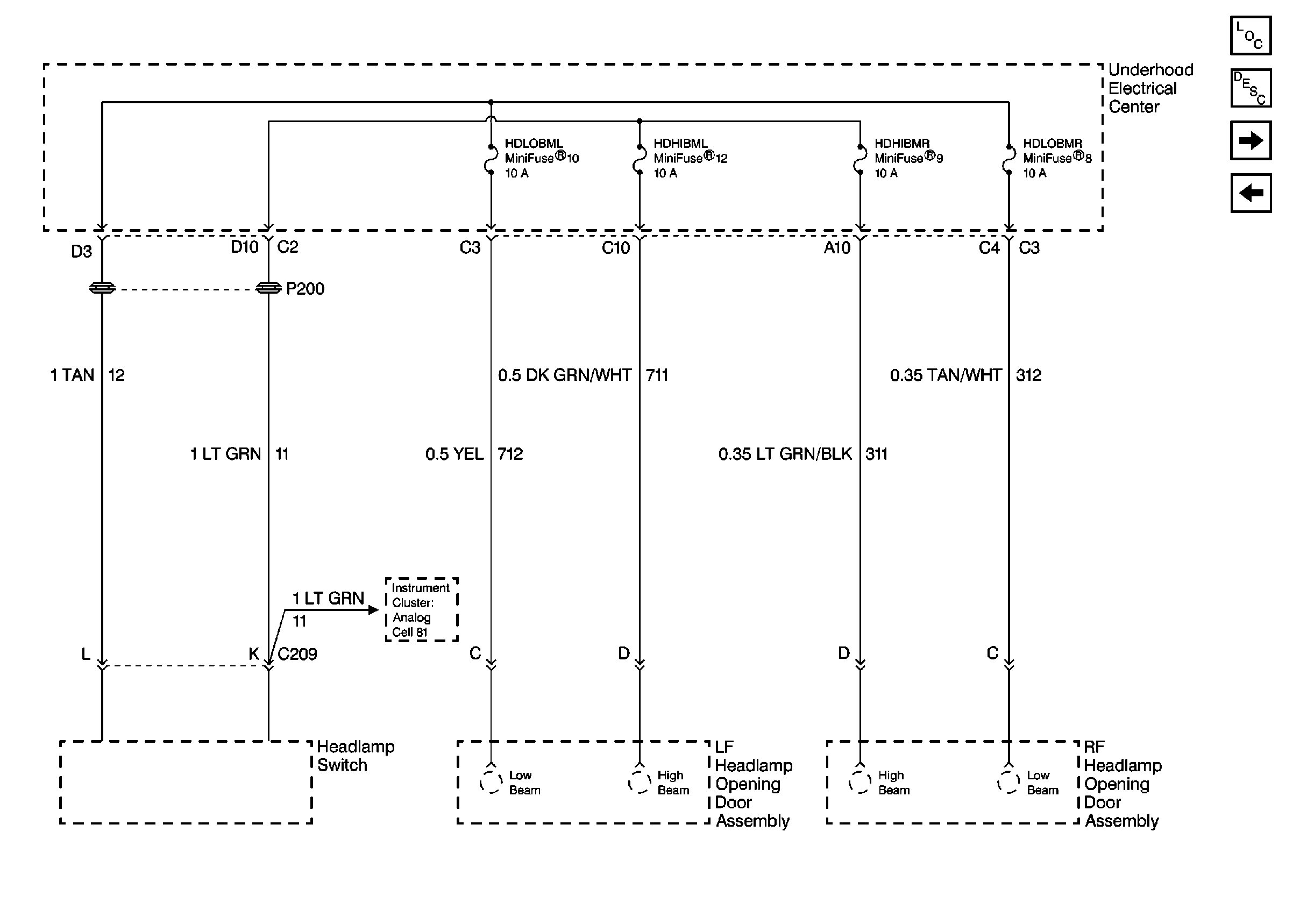
Figure 11:

Power Distribution Schematic (Cell 10: UHEC Fuses 8, 9, 10, 12 Headlamp Open Asm)


Object Number: 340540  Size: FS
Figure 12:

Power Distribution Schematic (Cell 10: IP Fuses 28-Bose, 8, 1-Accy, 7-Cigar)


Object Number: 340544  Size: FS
Figure 13:

Power Distribution Schematic (Cell 10: IP Fuses 33,34,30,31-DCM,4-SCM, Ckt Brkr 35-SCM)


Object Number: 340541  Size: FS
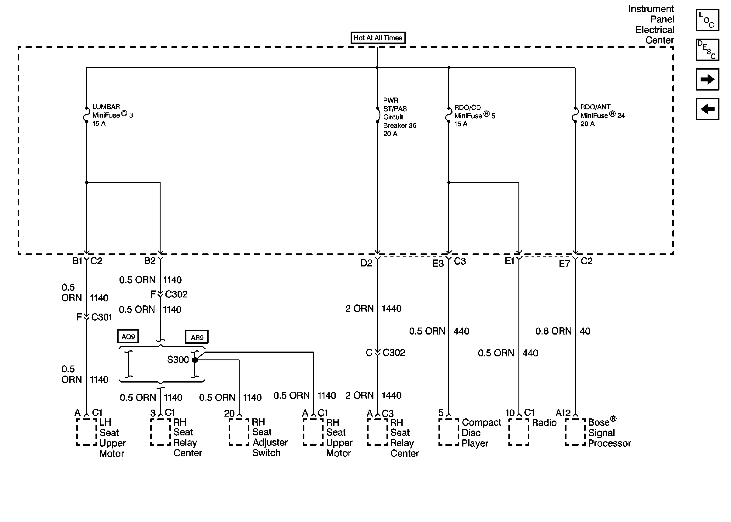
Figure 14:

Power Distribution Schematic (Cell 10: IP Fuses 3-Seats,5-CD,24-Bose, Ckt Brkr 36-Seat Rly)


Object Number: 340542  Size: FS
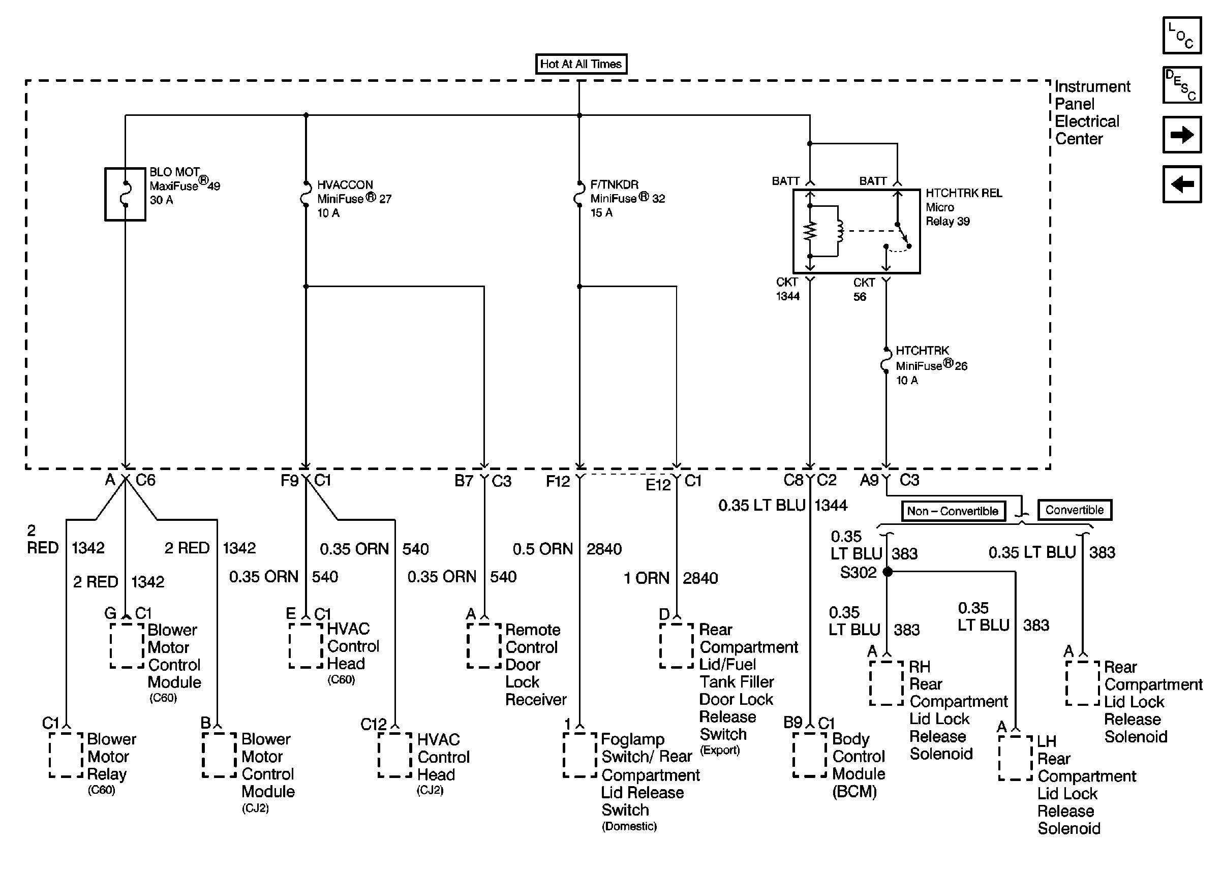
Figure 15:

Power Distribution Schematic (Cell 10: IP Fuses 49-Blower,27-HVAC,32 and 26-BCM and Rear)


Object Number: 340546  Size: FS
Figure 16:

Power Distribution Schematic (Cell 10: IP Fuses 2, 6-BTSI, Ckt Brkr 52-DRL)


Object Number: 340547  Size: FS
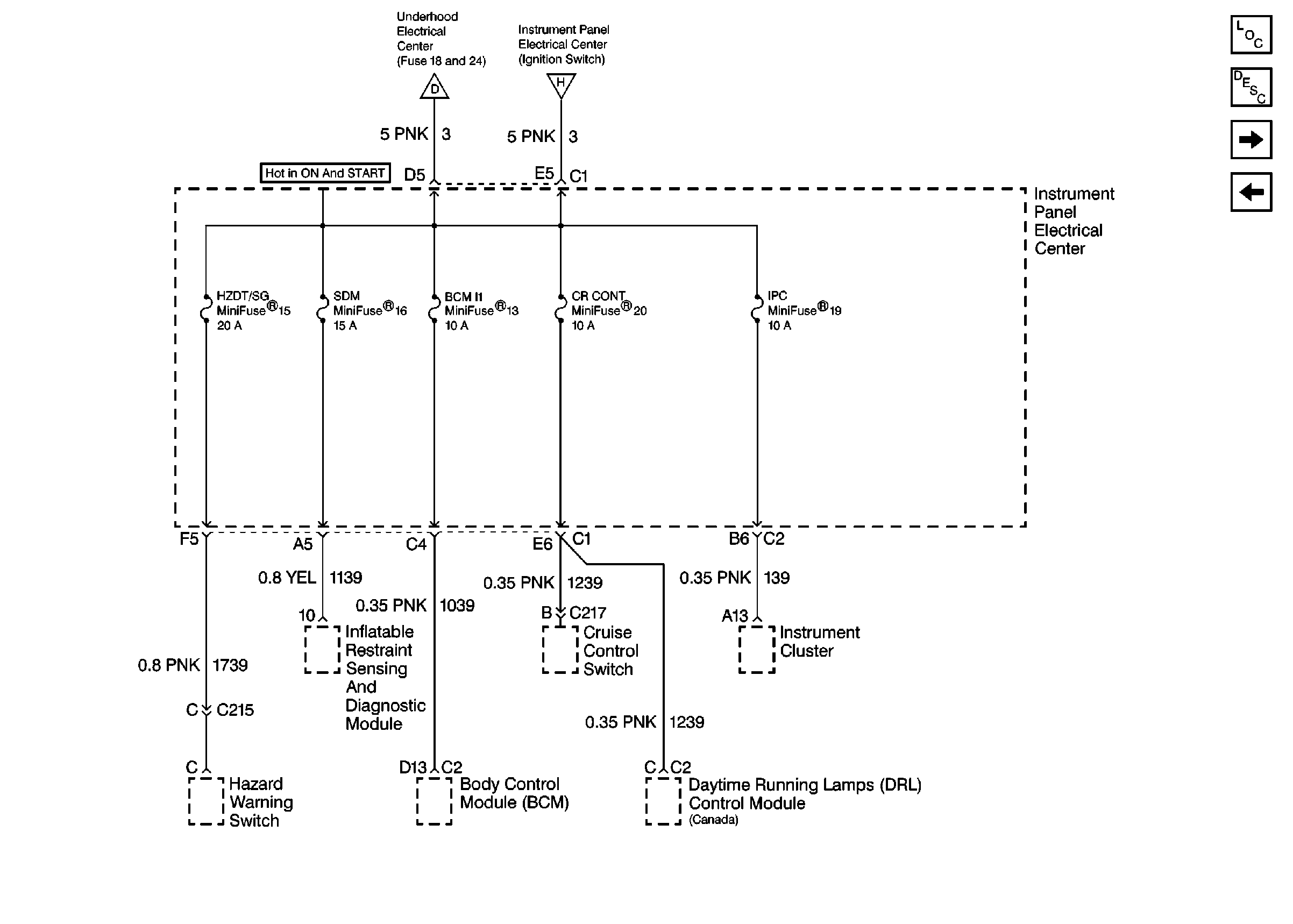
Figure 17:

Power Distribution Schematic (Cell 10: IP Fuses 25 and 23-BCM, 29-DLC)


Object Number: 340548  Size: FS
Figure 18:

Power Distribution Schematic (Cell 10: IP Fuses 45 and 48-Ign Switch)


Object Number: 340549  Size: FS
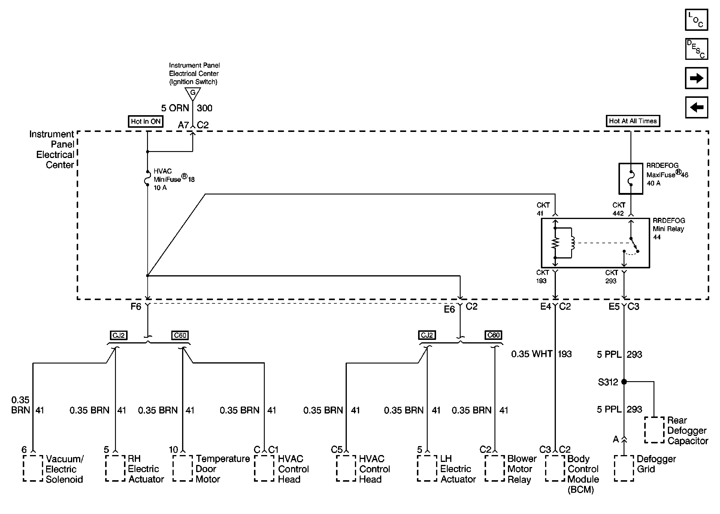
Figure 19:

Power Distribution Schematic (Cell 10: IP Fuses 18-HVAC, 46 to Relay 44-Rear Defog)


Object Number: 340553  Size: FS
Figure 20:

Power Distribution Schematic (Cell 10: IP Fuses 10-Wipers, 9-BCM, 11-blunt wire)


Object Number: 340556  Size: FS
Figure 21:

Power Distribution Schematic (Cell 10: IP Fuses 15, 16,13, 20 and 19)


Object Number: 340558  Size: FS
Figure 22:

Power Distribution Schematic (Cell 10: IP Fuses 50, 22, 21 and 14)


Object Number: 340561  Size: FS
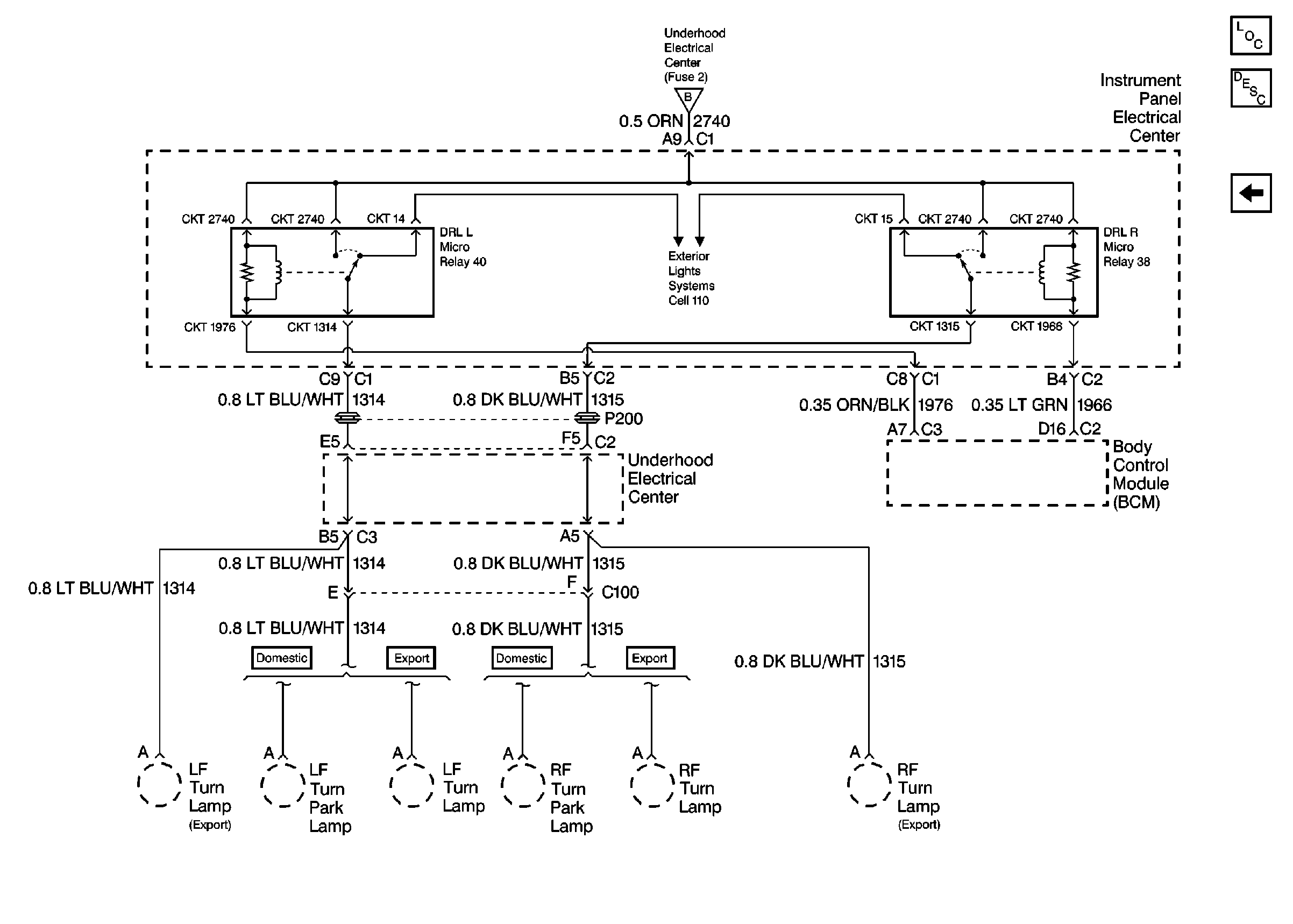
Figure 23:

Power Distribution Schematic (Cell 10: IP Relays 40 and 38)


Object Number: 340563  Size: FS

Power Distribution Schematics Front Mounted EBTCM

Figure 1:

Cell 10: Instrument panel electrical center


Object Number: 381124  Size: FS
Figure 2:

Cell 10: Underhood electrical center


Object Number: 381123  Size: FS
Figure 3:

Power Distribution Schematic (Cell 10: UHEC, EBTCM, ESC, PCM)


Object Number: 340524  Size: FS
Figure 4:

Power Distribution Schematic (Cell 10: UHEC, BCM, PCM, Fog Lamps)


Object Number: 340528  Size: FS
Figure 5:

Power Distribution Schematic (Cell 10: UHEC, BCM, ESC, HO2S Banks, Fog Lamps)


Object Number: 340530  Size: FS
Figure 6:

Power Distribution Schematic (Cell 10: Fuses 7, 46, 14, 13)


Object Number: 340532  Size: FS
Figure 7:

Power Distribution Schematic (Cell 10: UHEC Fuses 16-PCM, 50-AIR)


Object Number: 340535  Size: FS
Figure 8:

Power DistributionSchematic (Cell 10: UHEC Fuse 19-TCC, EVAP)


Object Number: 340536  Size: FS
Figure 9:

Power Distribution Schematic (Cell 10: UHEC Fuses 18-FI, 24-PCM)


Object Number: 340538  Size: FS
Figure 10:

Power Distribution Schematic (Cell 10: UHEC Fuses 17-TAC, 22-FI & Ign Coil)


Object Number: 340539  Size: FS
Figure 11:

Power Distribution Schematic (Cell 10: UHEC Fuses 8, 9, 10, 12 Headlamp Open Asm)


Object Number: 340540  Size: FS
Figure 12:

Power Distribution Schematic (Cell 10: IP Fuses 3-Seats,5-CD,24-Bose, Ckt Brkr 36-Seat Rly)


Object Number: 340542  Size: FS
Figure 13:

Power Distribution Schematic (Cell 10: IP Fuses 28-Bose, 8, 1-Accy, 7-Cigar)


Object Number: 340544  Size: FS
Figure 14:

Power Distribution Schematic (Cell 10: IP Fuses 33,34,30,31-DCM,4-SCM, Ckt Brkr 35-SCM)


Object Number: 340541  Size: FS
Figure 15:

Power Distribution Schematic (Cell 10: IP Fuses 49-Blower,27-HVAC,32 and 26-BCM and Rear)


Object Number: 340546  Size: FS
Figure 16:

Power Distribution Schematic (Cell 10: IP Fuses 2, 6-BTSI, Ckt Brkr 52-DRL)


Object Number: 340547  Size: FS
Figure 17:

Power Distribution Schematic (Cell 10: IP Fuses 25 and 23-BCM, 29-DLC)


Object Number: 340548  Size: FS
Figure 18:

Power Distribution Schematic (Cell 10: IP Fuses 45 and 48-Ign Switch)


Object Number: 340549  Size: FS
Figure 19:

Power Distribution Schematic (Cell 10: IP Fuses 18-HVAC, 46 to Relay 44-Rear Defog)


Object Number: 340553  Size: FS
Figure 20:

Power Distribution Schematic (Cell 10: IP Fuses 10-Wipers, 9-BCM, 11-blunt wire)


Object Number: 340556  Size: FS
Figure 21:

Power Distribution Schematic (Cell 10: IP Fuses 15, 16,13, 20 and 19)


Object Number: 340558  Size: FS
Figure 22:

Power Distribution Schematic (Cell 10: IP Fuses 50, 22, 21 and 14)


Object Number: 340561  Size: FS
Figure 23:

Power Distribution Schematic (Cell 10: IP Relays 40 and 38)


Object Number: 340563  Size: FS