GM Service Manual Online
For 1990-2009 cars only
Figure 1:

Cell 51: Power, Ground and DLC


Object Number: 323511  Size: FS
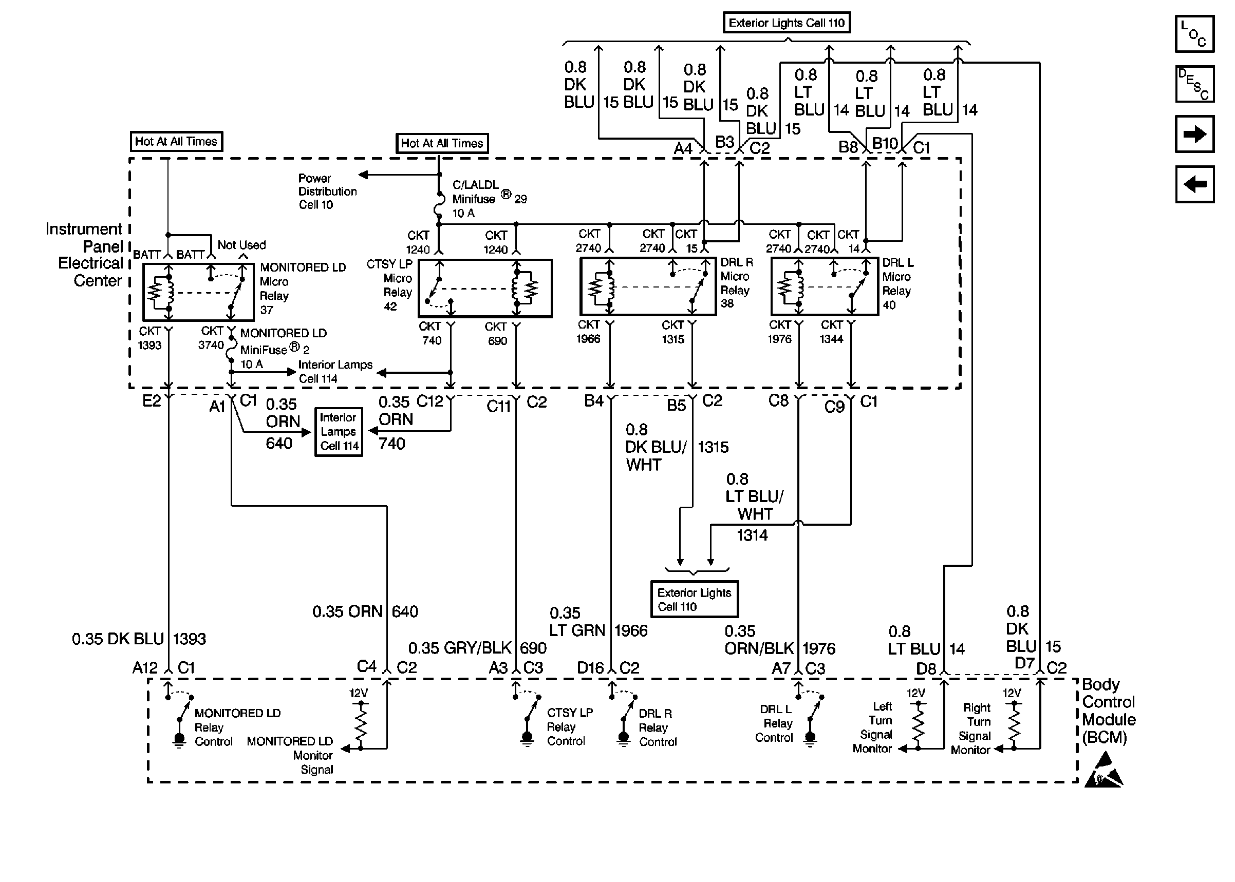
Figure 2:

Cell 51: Lamp Relay and Monitored Relay Control


Object Number: 323512  Size: FS
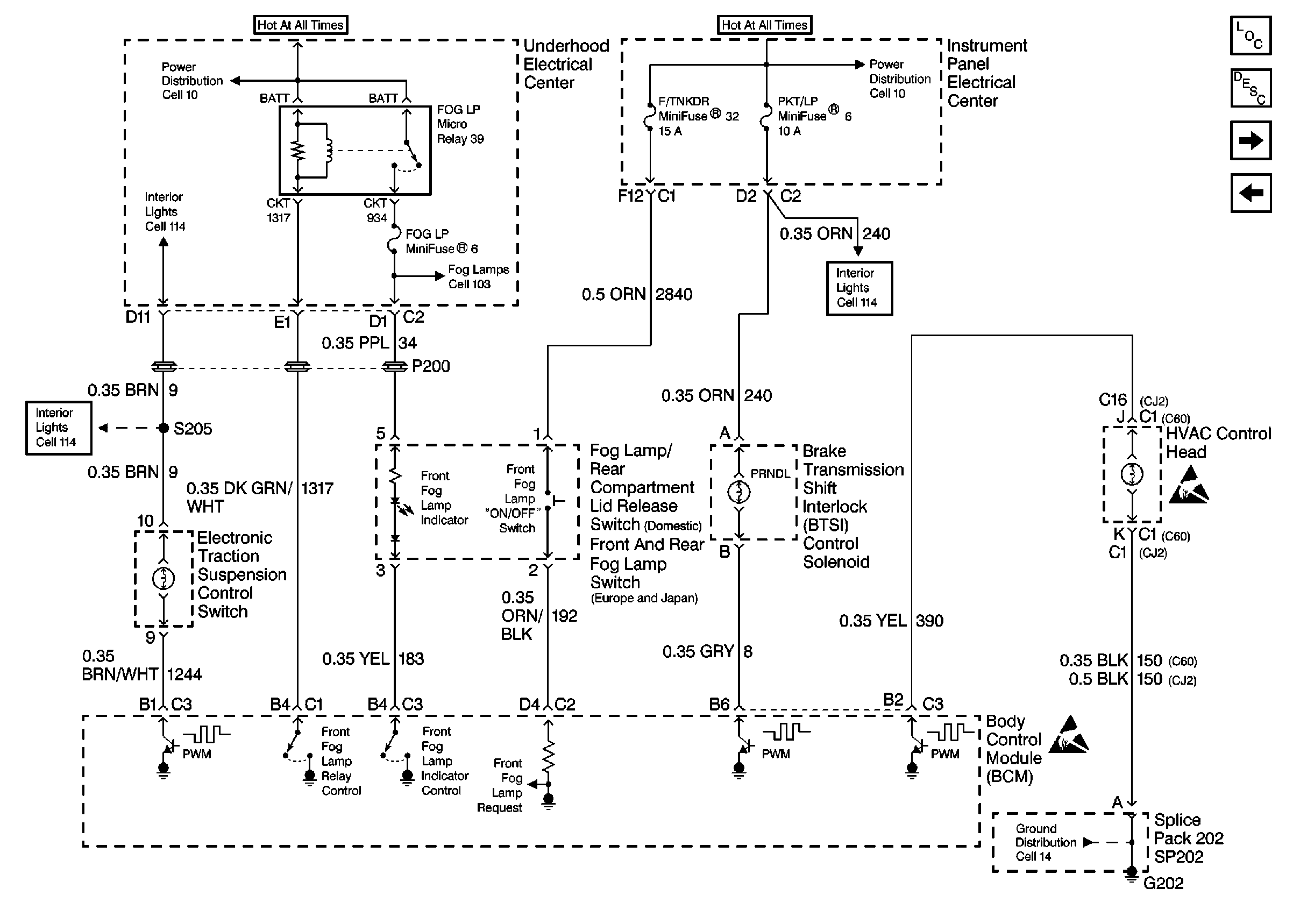
Figure 3:

Cell 51: Fog Lamp Circuit


Object Number: 323514  Size: FS
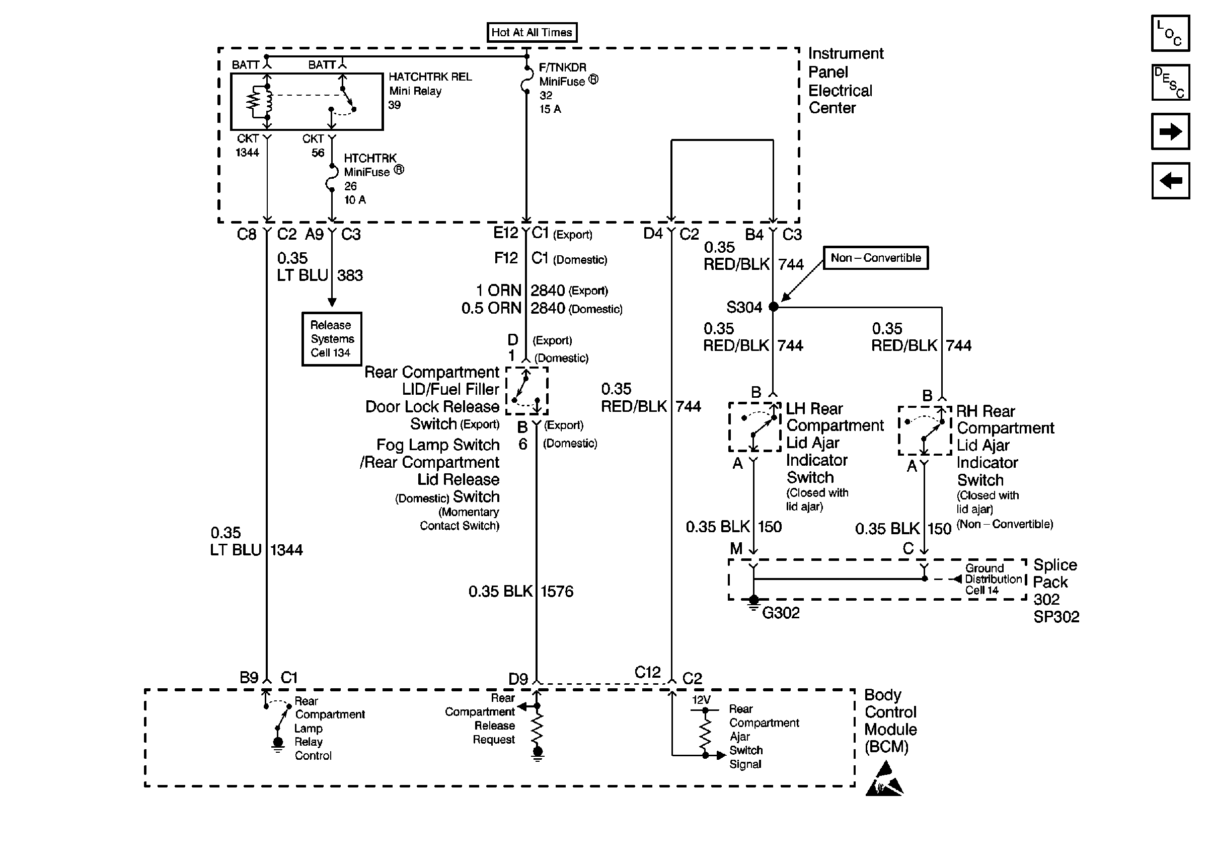
Figure 4:

Cell 51: Fuel Door and Hatch Control


Object Number: 323515  Size: FS
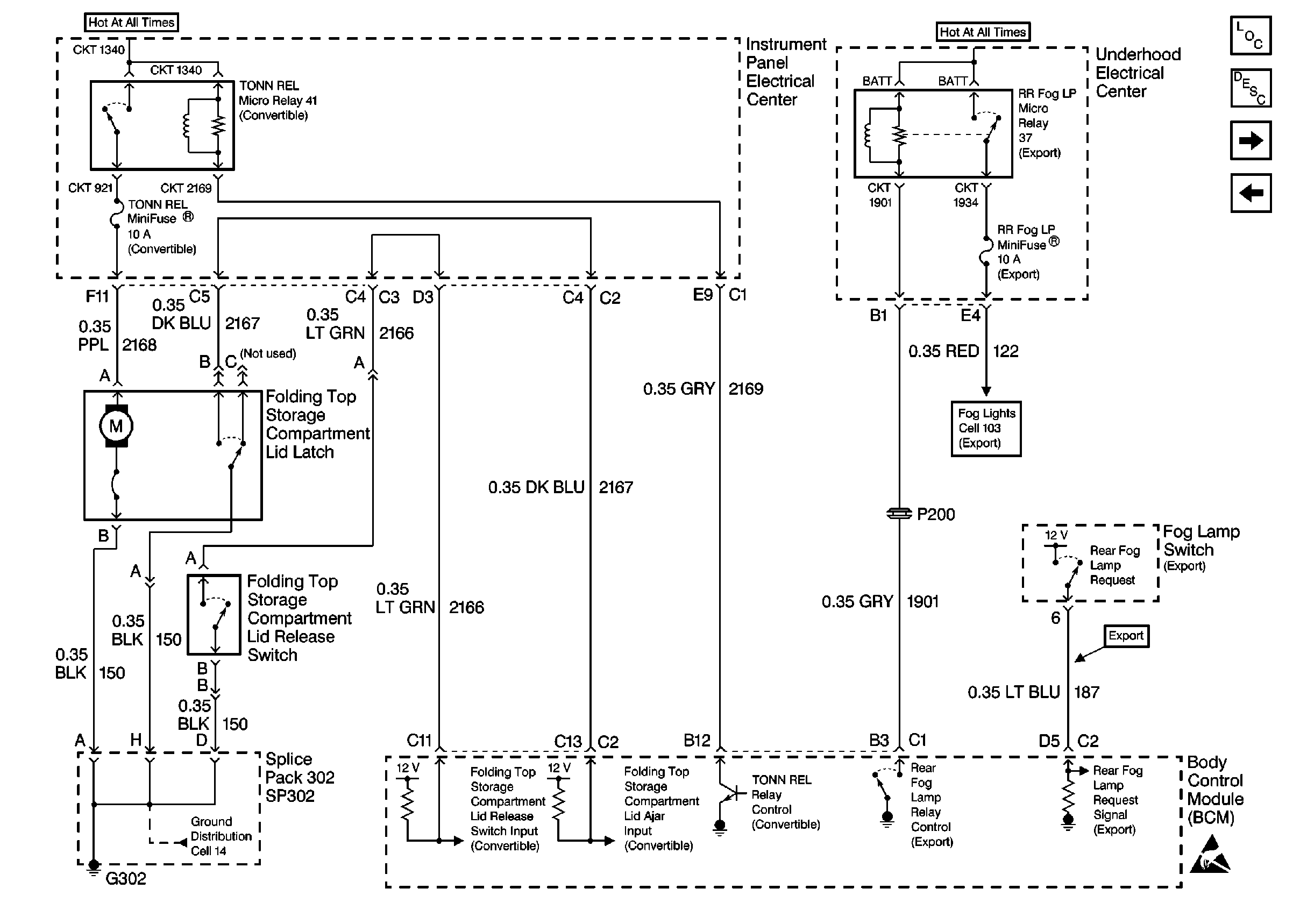
Figure 5:

Cell 51: Folding Top and Rear Fog Lamp Control


Object Number: 323517  Size: FS
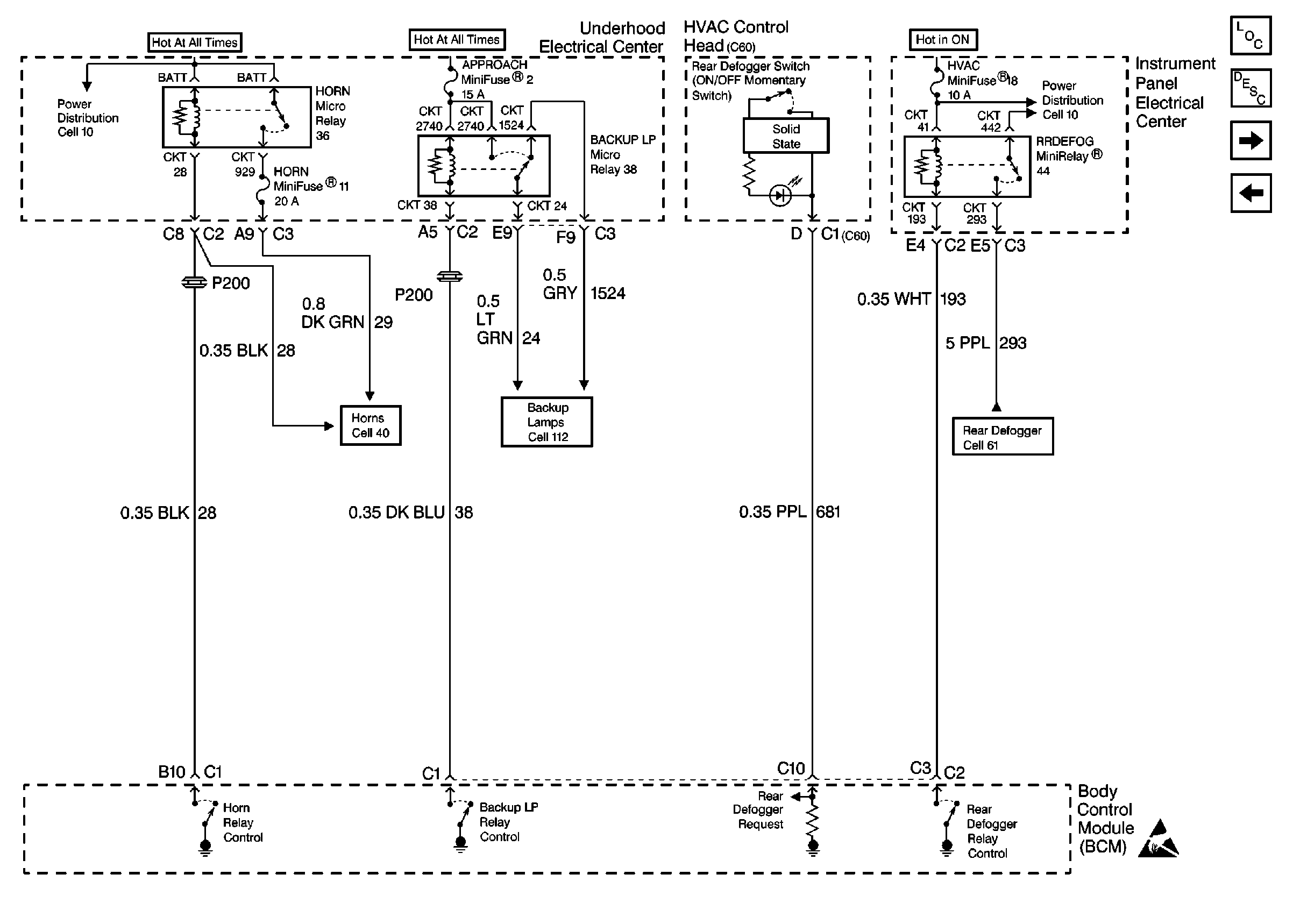
Figure 6:

Cell 51: Horn, Backup and Rear Defogger System


Object Number: 323520  Size: FS
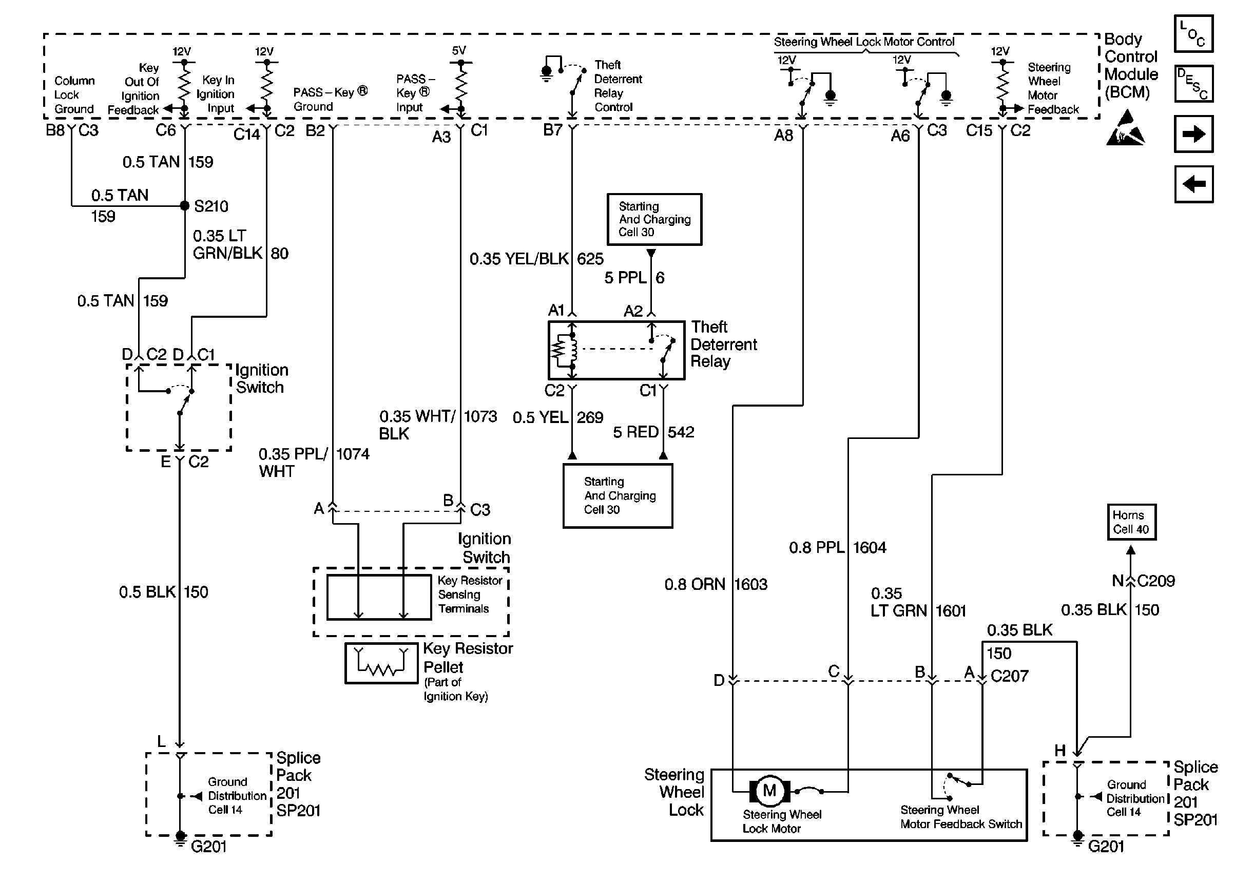
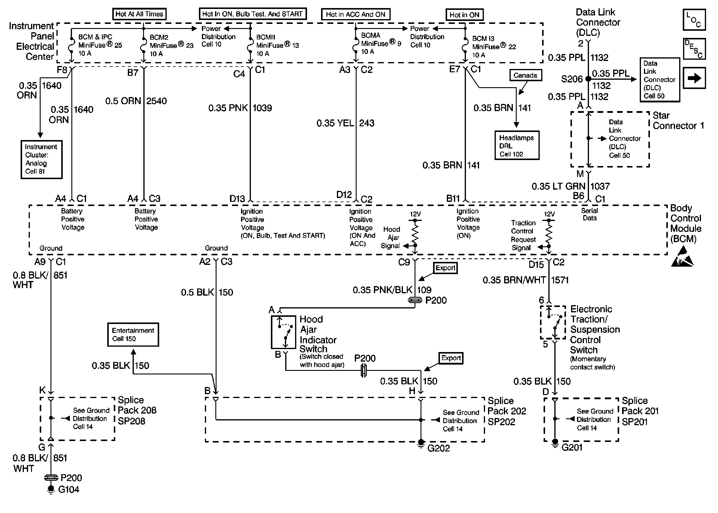
Figure 7:

Cell 51: Ignition Switch and Steering Wheel Lock Control


Object Number: 323522  Size: FS
Figure 8:

Cell 51: Door Ajar Switches


Object Number: 323525  Size: FS