GM Service Manual Online
For 1990-2009 cars only

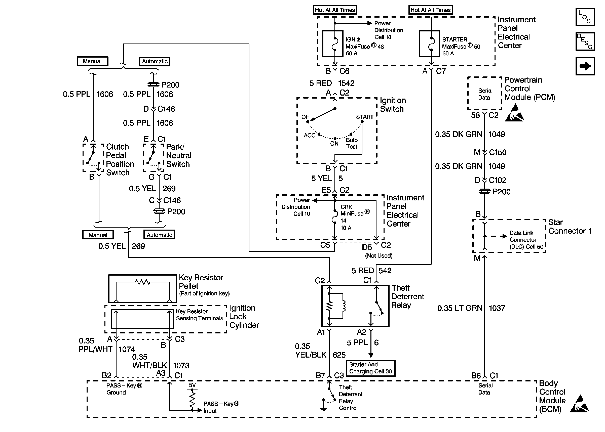
Theft Deterrent System Schematics Rear Mounted EBTCM/BPMV

Figure 1:

Cell 133: Theft Relay and Key Input Systems


Object Number: 323499  Size: FS
Figure 2:

Cell 133: Horn Control and LH Door Ajar Input


Object Number: 323500  Size: FS
Figure 3:

Cell 134: RH Door Adjar Input


Object Number: 323501  Size: FS

Theft Deterrent System Schematics Front Mounted EBTCM/BPMV

Figure 1:

Cell 133: Theft Relay and Key Input Systems


Object Number: 323498  Size: FS
Figure 2:

Cell 133: Horn Control and LH Door Ajar Input


Object Number: 323500  Size: FS
Figure 3:

Cell 133: RH Door Adjar Input


Object Number: 323501  Size: FS