GM Service Manual Online
For 1990-2009 cars only
Figure 1:

Components


Object Number: 220457  Size: LF
(1)Converter Housing
(2)Reverse Input Clutch
(3)Input Clutch Housing
(4)Overrun Clutch
(5)Forward Clutch
(6)Forward Sprag Clutch Assembly
(7)3-4 Clutch
(8)Input Planetary Gear Set
(9)Lo and Reverse Clutch
(10)Lo Roller Clutch Assembly
(11)Reaction Planetary Gear Set
(12)Speed Sensor
(13)Output Shaft
(14)Case Extension
(15)Main Section Case
(16)Parking Pawl
(17)Parking Lock Actuator Assembly
(18)Control Valve Assembly
(19)Manual Shaft
(20)Inside Detent Lever
(21)2-4 Band Assembly
(22)Pump Assembly
(23)Stator Roller Clutch
(24)Torque Converter Assembly
(25)Turbine Shaft
Figure 2:

Case and Associated Parts (1 of 2)


Object Number: 181603  Size: LF
(1)Torque Converter Assembly (Model Dependent)
(2)Bolt, Pump to Case
(3)O-Ring, Pump to Case Bolt
(4)Pump Assembly, Oil
(5)Seal, Oil (Pump to Case)
(6)Gasket, Pump Cover to Case
(7)Bushing, Case
(9)Vent Assembly, Transmission
(10)Connector, Oil Cooler Pipe (Model Dependent)
(11)Plug, Case Servo
(12)Spring, Servo Return
(13)Pin, 2nd Apply Piston
(14)Ring, Retainer (2nd Apply Piston)
(15)Retainer, Servo Cushion Spring
(16)Spring, Servo Cushion (Outer)
(17)Piston, 2nd Apply
(18)Ring, Oil Seal (2nd Apply Piston - Outer)
(19)Ring, Oil Seal (2nd Apply Piston - Inner)
(20)Housing, Servo Piston (Inner)
(21)Seal, O-Ring
(22)Spring, Servo Apply Pin
(23)Washer, Servo Apply Pin
(24)Ring, Retainer (Apply Pin)
(25)Piston, 4th Apply
(26)Ring, Oil Seal (4th Apply Piston - Outer)
(27)Seal, O-Ring (2-4 Servo Cover)
(28)Cover, 2-4 Servo
(29)Ring, Servo Cover Retaining
(30)Seal, Case Extension to Case
(31)Extension, Case (Model Dependent)
(32)Bolt, Case Extension to Case
(33)Bushing, Case Extension
(34)Seal Assembly, Case Extension Oil (Model Dependent)
(34)Seal Assembly, Case Extension Oil (Model Dependent)
(35)Bolt, Speed Sensor Retaining
(36)Speed Sensor, Internal Transmission
(37)Seal, O-Ring (ITSS to Case Extension)
(71)Seal, Filter
(72)Filter Assembly, Transmission Oil (Model Dependent)
(73)Gasket, Transmission Oil Pan
(73)Gasket, Transmission Oil Pan
(74)Magnet, Chip Collector
(75)Pan, Transmission Oil (Model Dependent)
(75)Pan, Transmission Oil
(76)Screw, Transmission Oil Pan
(76)Screw, Transmission Oil Pan
(94)Bolt, Converter Housing to Case
(95)Connector, Oil Cooler Quick (Model Dependent)
(96)Clip, Oil Cooler Quick Connect (Model Dependent)
(97)Plug, Converter Housing Access Hole (Model Dependent)
(98)Plate, Converter Bolt Inspection (Model Dependent)
(99)Plug, Cup D4 Orifice
(100)Stud, A/Trans. Case (Y-Car Only)
(101)Plug Asm., A/Trans. Oil Pan
(102)Housing, Converter (Model Dependent)
(102)Housing, Converter (Model Dependent)
(103)Case, Main Section (Model Dependent)
(103)Case, Main Section
(105)Spring, Servo Cushion (Inner) (Model Dependent)
(106)Seal Assembly, Case Oil (Y-Car Only)
Figure 3:

Case and Associated Parts (2 of 2)


Object Number: 283778  Size: LH
(38)Transmission Case Plug (Accumulator Bleed)
(39)Pressure Plug
(40)Third Accumulator (#7) Retainer and Ball Assembly
(41)Band Anchor Pin
(42)Retainer and Ball Assembly (Double Orifice) (#10)
(43)Accumulator Piston Pin
(44)3-4 Accumulator Piston
(45)Oil Seal Ring (3-4 Accumulator Piston)
(46)3-4 Accumulator Spring (Model Dependent)
(47)Spacer Plate to Case Gasket
(48)Valve Body Spacer Plate
(49)Shift Solenoids Screen
(50)Pressure Control Solenoid Screen
(52)Spacer Plate to Valve Body Gasket
(53)Spacer Plate Support Plate
(54)1-2 Accumulator Spring (Outer)
(55)Oil Seal Ring (1-2 Accumulator)
(56)1-2 Accumulator Piston
(57)1-2 Accumulator Cover and Pin Assembly
(58)Accumulator Cover Bolt
(59)Accumulator Cover Bolt
(60)Control Body Valve Assembly
(61)Checkball (#2, 3, 4, 5, 6, 8, 12)
(62)Valve Body Bolt
(63)Manual Detent Spring Assembly
(64)Manual Detent Spring Bolt
(65)Wiring Harness Pass-through Connector O-Ring Seal
(66)Wiring Harness Solenoid Assembly
(67)O-Ring Seal (Solenoid)
(68)Hex Washer Head Bolt (Solenoid)
(69)Transmission Fluid Pressure Manual Valve Position Switch Assembly
(70)Pressure Switch Assembly Bolt
(77)Spacer Plate Support Bolt
(91)Number 1 Checkball
(93)Dipstick Stop Bracket (Model Dependent)
(103)Main Section Case (Model Dependent)
(104)1-2 Accumulator Spring (Inner)
Figure 4:

Oil Pump Assembly


Object Number: 405105  Size: LF
(200)Pump Body
(201)Oil Seal Ring (Slide to Wear Plate)
(202)O-Ring Seal (Slide Seal Back-Up)
(203)Pump Slide
(204)Pivot Pin Spring
(205)Pivot Slide Pin
(206)Pump Slide Spring (Outer)
(207)Pump Slide Spring (Inner)
(208)Pump Slide Seal Support
(209)Pump Slide Seal
(210)Pump Vane Ring
(210)Pump Vane Ring
(211)Rotor Guide
(212)Oil Pump Rotor
(213)Pump Vane
(214)Stator Shaft
(215)Pump Cover
(216)Pressure Regulator Valve
(217)Pressure Regulator Valve Spring
(218)Pressure Regulator Isolator Spring
(219)Reverse Boost Valve
(220)Reverse Boost Valve Sleeve
(221)Oil Pump Reverse Boost Valve Retaining Ring
(222)Oil Pump Converter Clutch Valve Retaining Ring
(223)Stop Valve
(224)Converter Clutch Valve
(225)Converter Clutch Valve Spring (Inner)
(226)Converter Clutch Valve Spring (Outer)
(227)Pressure Relief Bolt Rivet
(228)Pressure Relief Ball
(229)Pressure Relief Spring
(230)Oil Seal Ring (Stator Shaft)
(231)Oil Pump Cover Screen Seal
(232)Oil Pump Cover Screen
(233)Bolt M8 X 1.25 X 40 (Cover to Body)
(234)Stator Shaft Bushing (Front)
(235)Oil Pump Cover Plug (FWD Clutch Feed)
(236)Oil Pump Cover Plug
(236)Oil Pump Cover Plug
(236)Oil Pump Cover Plug
(236)Oil Pump Cover Plug
(236)Oil Pump Cover Plug
(236)Oil Pump Cover Plug
(237)Check Valve Retainer and Ball Assembly
(237)Check Valve Retainer and Ball Assembly
(238)Converter Clutch Signal Orifice (Cup Plug)
(240)Cup Orifice Plug
(241)Stator Shaft Bushing (Rear)
(242)Pump Body Bushing
(243)Oil Seal Assembly
(244)Front Helix Retainer
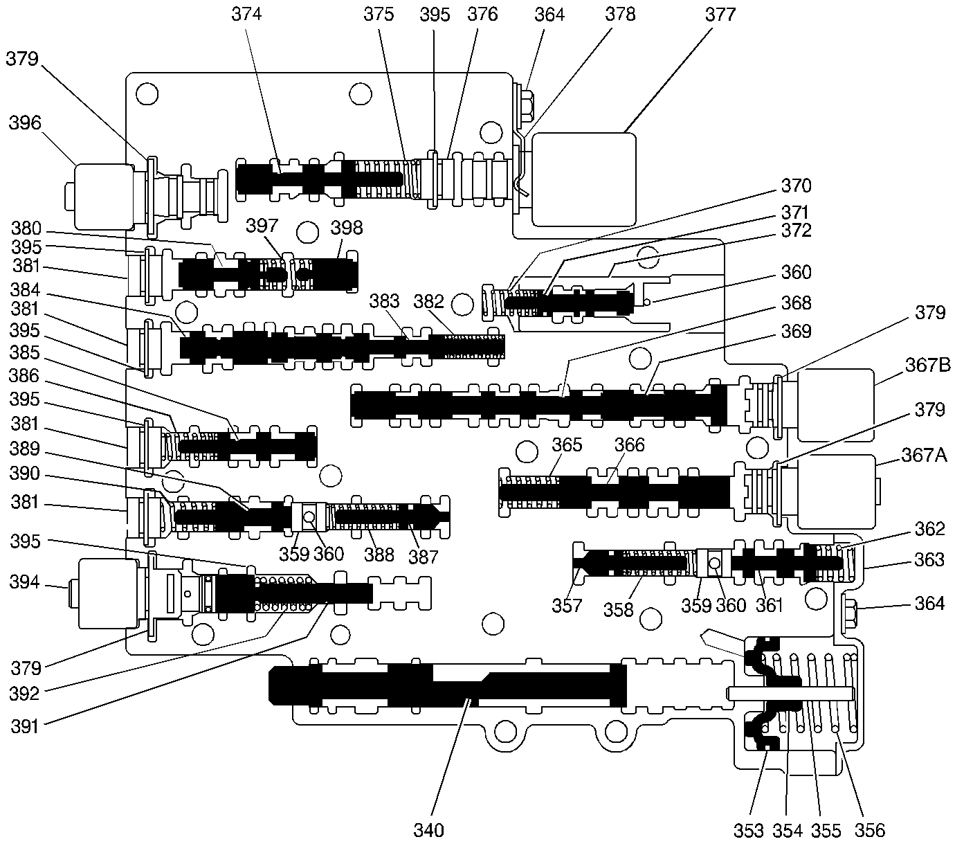
Figure 5:

Control Valve Body Assembly (1 of 2)


Object Number: 405111  Size: MF
(350)Control Valve Body Assembly
(353)Forward Accumulator Oil Seal
(354)Forward Accumulator Piston
(355)Forward Accumulator Pin
(356)Forward Accumulator Spring
(357)Forward Abuse Valve
(358)Forward Abuse Valve Spring
(359)Bore Plug
(360)Coiled Spring Pin
(360)Coiled Spring Pin
(361)Low Overrun Valve
(362)Low Overrun Valve Spring
(363)Forward Accumulator Cover
(364)Forward Accumulator Cover Bolt
(364a)Pressure Control Solenoid Retainer Bolt
(365)1-2 Shift Valve Spring
(366)1-2 Shift Valve
(367a)1-2 Shift Solenoid Valve
(367b)2-3 Shift Solenoid Valve
(368)2-3 Shift Valve
(369)2-3 Shuttle Valve
(370)1-2 Accumulator Valve Spring
(371)1-2 Accumulator Valve
(372)1-2 Accumulator Valve Sleeve
(374)Actuator Feed Limit Valve
(375)Actuator Feed Limit Valve Spring
(376)Bore Plug
(377)Pressure Control Solenoid Valve
(378)Pressure Control Solenoid Retainer
(395)Bore Plug and Solenoid Retainer
(395)Bore Plug and Solenoid Retainer
(395)Bore Plug and Solenoid Retainer
Figure 6:

Control Valve Body Assembly (2 of 2)


Object Number: 405114  Size: MF
(340)Manual Valve
(350)Control Valve Body Assembly
(359)Bore Plug
(360)Coiled Spring Pin
(380)Regulator Apply Valve
(381)Bore Plug
(381)Bore Plug
(381)Bore Plug
(381)Bore Plug
(382)4-3 Sequence Valve Spring
(383)4-3 Sequence Valve
(384)3-4 Relay Valve
(385)3-4 Shift Valve
(386)3-4 Shift Valve Spring
(387)Reverse Abuse Valve
(388)Reverse Abuse Valve Spring
(389)3-2 Downshift Valve
(390)3-2 Downshift Valve Spring
(391)3-2 Control Valve
(392)3-2 Control Valve Spring
(394)3-2 Control Solenoid Valve
(395)Bore Plug and Solenoid Retainer
(395)Bore Plug and Solenoid Retainer
(395)Bore Plug and Solenoid Retainer
(395)Bore Plug and Solenoid Retainer
(395)Bore Plug and Solenoid Retainer
(395)Bore Plug Retainer
(396)TCC PWM Solenoid Valve
(397)Regulator Apply Spring
(398)Isolator Valve
Figure 7:

Internal Parts (1 of 2)


Object Number: 213098  Size: LF
(600)3-4 Clutch Boost (5) Spring Assembly
(601)Thrust Washer (Pump to Drum)
(602)2-4 Band Assembly
(603)Reverse Input Clutch Bushing (Front)
(605)Reverse Input Clutch Housing and Drum Assembly
(606)Reverse Input Clutch Bushing (Rear)
(607)Reverse Input Clutch Piston Assembly
(608a)Reverse Input Clutch Seal (Inner)
(608b)Reverse Input Clutch Seal (Outer)
(609)Reverse Input Clutch Spring Assembly
(610)Reverse Input Clutch Spring Retainer Ring
(611)Reverse Input Clutch Plate (Belleville)
(612a)Reverse Input Clutch Turbulator Plate (Steel)
(612b)Reverse Input Clutch Plate Assembly (Fiber)
(613)Reverse Input Clutch Backing Plate (Selective)
(614)Reverse Input Clutch Retaining Ring
(615)Stator Shaft/Selective Washer Bearing Assembly
(616)Thrust Washer (Selective)
(617)Check Valve Retainer and Ball Assembly
(618)O-Ring Seal  - Location Model Dependent
(619)Oil Seal Ring (Solid)
(620)Retainer and Checkball Assembly
(620)Retainer and Checkball Assembly
(621)Input Housing and Shaft Assembly (Model Dependent)
(622)O-Ring Input to Forward Clutch Housing Seal
(623)3rd and 4th Clutch Piston
(625)3rd and 4th Clutch Ring (Apply)
(626)3rd and 4th Clutch Spring Assembly
(627)Forward Clutch Housing Retainer and Ball Assembly
(628)Forward Clutch Housing
(630)Forward Clutch Piston
(632)Overrun Clutch Piston
(633)Overrun Clutch Ball
(634)Overrun Clutch Spring Assembly
(635)Overrun Clutch Spring Retainer Snap Ring
(636)Input Housing to Output Shaft Seal
(637)Input Sun Gear Bearing Assembly
(638)Overrun Clutch Hub Retaining Snap Ring
(639)Overrun Clutch Hub
(640)Forward Sprag Clutch Inner Race and Input Sun Gear Assembly
(642)Forward Sprag Assembly
(643)Sprag Assembly Retainer Ring
(643)Sprag Assembly Retainer Ring
(644)Forward Clutch Race (Outer)
(645a)Overrun Clutch Plate (Steel)
(645b)Overrun Clutch Plate Assembly (Fiber)
(646)Forward Clutch Plate (Apply)
(648)Forward Clutch Plate (Waved)
(649a)Forward Clutch Plate (Steel)
(649b)Forward Clutch Plate Assembly (Fiber)
(650)Forward Clutch Backing Plate (Selective)
(651)Forward Clutch Backing Plate Retainer Ring
(652)3rd and 4th Clutch Plate (Steel) (2.2L Engine Only)
(653)3rd and 4th Clutch Apply Plate (Stepped)
(653)3rd and 4th Clutch Apply Plate (Stepped)
(654a)3rd and 4th Clutch Plate Assembly (Fiber) (Quantity Model Dependent 5, 6 or 7 plates)
(654a)3rd and 4th Clutch Plate Assembly (Fiber) (Quantity Model Dependent 5, 6 or 7 plates)
(654b)3rd and 4th Clutch Plate (Steel) (Quantity Model Dependent)
(654b)3rd and 4th Clutch Plate (Steel) (Quantity Model Dependent)
(655)3rd and 4th Clutch Backing Plate (Selective) (Model Dependent)
(655)3rd and 4th Clutch Backing Plate (Selective) (Model Dependent)
(656)3rd and 4th Clutch Backing Plate Retainer Ring
(657)Input Sun Gear Front Bushing
(659)Input Sun Gear Rear Bushing
(688)Cup Plug
(698)Orificed Cup Plug
Figure 8:

Internal Parts (2 of 2)


Object Number: 213103  Size: LF
(661)Output Shaft to Input Carrier Retainer
(662)Input Carrier Assembly
(663)Thrust Bearing Assembly (Input Carrier to Reaction Shaft)
(664)Input Internal Gear
(665)Reaction Carrier Shaft Front Bushing
(666)Reaction Carrier Shaft
(667)Reaction Carrier Shaft Rear Bushing
(668)Reaction Shaft/Internal Gear Retainer Ring
(669)Thrust Washer (Reaction Shaft Shell)
(670)Reaction Sun Shell
(671)Reaction Sun Gear Retainer Ring
(672)Reaction Sun Bushing
(673)Reaction Sun Gear
(674)Thrust Washer (Race/Reaction Shell)
(675)Low and Reverse Roller Clutch Race
(676)Low and Reverse Support to Case Retainer Ring
(677)Low and Reverse Roller Assembly Retainer Ring (Cam)
(677)Low and Reverse Roller Assembly Retainer Ring (Cam)
(678)Low and Reverse Roller Clutch Assembly
(679)Low and Reverse Clutch Support Assembly
(680)Low and Reverse Clutch Support Retainer Spring
(681)Reaction Carrier Assembly
(682a)Low and Reverse Clutch Plate (Waved)
(682b)Spacer Low and Reverse Clutch Plate (Selective)
(682c)Low and Reverse Clutch Plate Assembly (Fiber)
(682d)Low and Reverse Clutch Turbulator Plate (Steel)
(683)Thrust Bearing Assembly (Reaction Carrier/Support)
(684)Internal Reaction Gear
(685)Internal Reaction Gear Support
(686)Reaction Gear/Support Retainer Ring
(687)Output Shaft
(690)Output Shaft Sleeve (Model Dependent)
(691)Output Shaft Seal (Model Dependent)
(692)Reaction Gear Support to Case Bearing
(693)Low and Reverse Clutch Retainer Ring
(694)Low and Reverse Clutch Spring Assembly
(695)Low and Reverse Clutch Piston
(696a)Low and Reverse Clutch Seal (Outer)
(696b)Low and Reverse Clutch Seal (Center)
(696c)Low and Reverse Clutch Seal (Inner)
(697)Oil Deflector (High Output Models Only)
(699)Internal Transmission Speed Sensor Rotor
Figure 9:

Parking Lock and Manual Shift Shaft Assembly


Object Number: 65111  Size: MH
(78)Steel Cup Plug
(79)Parking Brake Pawl Shaft
(80)Parking Pawl Return Spring
(81)Parking Brake Pawl
(82)Manual Shaft Seal
(83)Manual Shaft Retainer
(84)Manual Shaft (Model Dependent)
(85)Parking Lock Actuator Assembly
(86)Parking Lock Bracket
(87)Parking Lock Bracket (2) Bolt
(88)Inside Detent Lever
(89)Manual Valve Link
(90)Hex Head Nut
Figure 10:

Seals


Object Number: 338497  Size: LF
(3)Pump to Case Bolt O-Ring
(5)Oil Seal (Pump to Case)
(18)Oil Seal Ring (2nd Apply Piston-Outer)
(19)Oil Seal Ring (2nd Apply Piston-Inner)
(21)O-Ring Seal
(26)Oil Seal Ring (4th Apply Piston-Outer)
(27)O-Ring Seal (2-4 Servo Cover)
(30)Case Extension to Case Seal
(34)Case Extension Oil Seal Assembly
(37)O-Ring Seal (ITSS to Case Extension)
(106)Case Oil Seal Assembly (Y-Car Only)
(230)Oil Seal Ring (Stator Shaft)
(243)Oil Seal Assembly
(608a)Reverse Input Clutch Seal (Inner)
(608b)Reverse Input Clutch Seal (Outer)
(618)O-Ring Seal (Turbine Shaft/Selective Washer)
(619)Oil Seal Ring (Solid)
(622)O-Ring Input to Forward Housing Seal
(623)3rd and 4th Clutch Piston
(630)Forward Clutch Piston
(632)Overrun Clutch Piston
(636)Input Housing to Output Shaft Seal
(691)Output Shaft (Model Dependent) Seal
(696a)Low and Reverse Clutch (Outer) Seal
(696b)Low and Reverse Clutch (Center) Seal
(696c)Low and Reverse Clutch (Inner) Seal
Figure 11:

Bearings and Bushings


Object Number: 13165  Size: MF
(7)Case Bushing
(33)Case Extension Bushing
(234)Stator Shaft Bushing (Front)
(241)Stator Shaft Bushing (Rear)
(242)Oil Pump Body Bushing
(601)Thrust Washer (Pump to Drum)
(603)Reverse Input Cl. Bushing (Front)
(606)Reverse Input Clutch Bushing (Rear)
(615)Stator Shaft/Selective Washer Bearing Assembly
(616)Thrust Washer (Selective)
(637)Input Sun Gear Bearing Assembly
(657)Input Sun Gear Bushing (Front)
(659)Input Sun Gear Bushing (Rear)
(663)Thrust Bearing Assembly (Input Carrier to Reaction Shaft)
(665)Reaction Carrier Shaft Bushing (Front)
(667)Reaction Carrier Shaft Bushing (Rear)
(669)Thrust Washer (Reaction Shaft/Shell)
(672)Reaction Gear Bushing
(674)Thrust Washer (Race/Reaction Shell)
(683)Thrust Bearing Assembly (Reaction Carrier/Support)
(692)Reaction Gear Support to Case Bearing
Figure 12:

Torque Converter Housing Identification


Object Number: 213108  Size: LF
(1)Domestic Large Bell V-8 (Y-Car)
(2)Domestic Gen lll Large Bell V-8 (300 mm)
(3)Domestic Gen l/ll Large Bell V-8/V-6
(4)Holden Small Bell V-6
(5)Holden Gen lll Large Bell V-8
(6)Domestic Small Bell V-6
Figure 13:

Case Extension Identification


Object Number: 307265  Size: MF
(1)Case Extension - used on C-Truck, G-Van, M-Van, S-Truck
(2)Case Extension - Some Models
Figure 14:

Valve Trains


Object Number: 405117  Size: LF
(340)Manual Valve
(353)Forward Accumulator Oil Seal
(354)Forward Accumulator Piston
(355)Forward Accumulator Pin
(356)Forward Accumulator Spring
(357)Forward Abuse Valve
(358)Forward Abuse Valve Spring
(359)Bore Plug
(359)Bore Plug
(360)Coiled Spring Pin
(360)Coiled Spring Pin
(360)Coiled Spring Pin
(361)Low Overrun Valve
(362)Low Overrun Valve Spring
(363)Forward Accumulator Cover
(364)Forward Accumulator Cover Bolt
(364)Forward Accumulator Cover Bolt
(365)1-2 Shift Valve Spring
(366)1-2 Shift Valve
(367a)1-2 Shift Solenoid Valve
(367b)2-3 Shift Solenoid Valve
(368)2-3 Shift Valve
(369)2-3 Shuttle Valve
(370)1-2 Accumulator Valve Spring
(371)1-2 Accumulator Valve
(372)1-2 Accumulator Valve Sleeve
(374)Actuator Feed Limit Valve
(375)Actuator Feed Limit Valve Spring
(376)Bore Plug
(377)Pressure Control Solenoid Valve
(378)Pressure Control Solenoid Retainer
(380)Regulator Apply Valve
(381)Bore Plug
(381)Bore Plug
(381)Bore Plug
(381)Bore Plug
(382)4-3 Sequence Valve Spring
(383)4-3 Sequence Valve
(384)3-4 Relay Valve
(385)3-4 Shift Valve
(386)3-4 Shift Valve Spring
(387)Reverse Abuse Valve
(388)Reverse Abuse Valve Spring
(389)3-2 Downshift Valve
(390)3-2 Downshift Valve Spring
(391)3-2 Control Valve
(392)3-2 Control Valve Spring
(394)3-2 Control Solenoid Valve
(395)Bore Plug and Solenoid Retainer
(395)Bore Plug and Solenoid Retainer
(395)Bore Plug and Solenoid Retainer
(395)Bore Plug and Solenoid Retainer
(395)Bore Plug and Solenoid Retainer
(395)Bore Plug and Solenoid Retainer
(395)Bore Plug and Solenoid Retainer
(395)Bore Plug and Solenoid Retainer
(395)Bore Plug and Solenoid Retainer
(396)TCC PWM Solenoid Valve
(397)Regulator Apply Spring
(398)Isolator Valve
Figure 15:

Pump Body Fluid Passages (Pump Cover Side)


Object Number: 338502  Size: MF
(1)Suction (intake)
(2)Decrease
(2)Decrease
(3)Line
(3)Line
(3)Line
(4)Converter Feed
(4)Converter Feed
(4)Converter Feed
(5)Release
(7)To Cooler
(8)Lube from Cooler
(11)Torque Signal
(16)Reverse Input
(16)Reverse Input
(29)3-4 Clutch
(37)Overrun Clutch
(43)Exhaust
(43)Exhaust
(43)Exhaust
(43)Exhaust
(45)Vent
(46)Seal Drain
(47)Void
(47)Void
(48)Regulated Apply
Figure 16:

Pump Cover Fluid Passages (Pump Body Side)


Object Number: 338512  Size: MF
(1)Suction (intake)
(1)Suction (intake)
(2)Decrease
(2)Decrease
(2)Decrease
(2)Decrease
(3)Line
(3)Line
(3)Line
(3)Line
(3)Line
(3)Line
(4)Converter Feed
(4)Converter Feed
(4)Converter Feed
(4)Converter Feed
(5)Release
(5)Release
(6)Apply
(7)To Cooler
(8)Lube from Cooler
(8)Lube from Cooler
(11)Torque Signal
(16)Reverse Input
(16)Reverse Input
(16)Reverse Input
(16)Reverse Input
(18)Forward Clutch Feed
(29)3-4 Clutch
(29)3-4 Clutch
(37)Overrun Clutch
(37)Overrun Clutch
(37)Overrun Clutch
(37)Overrun Clutch
(43)Exhaust
(43)Exhaust
(43)Exhaust
(43)Exhaust
(45)Vent
(46)Seal Drain
(47)Void
(47)Void
(47)Void
(48)Regulated Apply
(48)Regulated Apply
(232)Oil Pump Cover Screen
(237)Check Valve Retainer and Ball Assembly
(237)Check Valve Retainer and Ball Assembly
(238)Converter Clutch Signal Orificed Cup Plug
(240)Orificed Cup Plug
Figure 17:

Pump Cover Fluid Passages (Case Side)


Object Number: 338521  Size: LF
(1)Suction (Intake)
(2)Decrease
(2)Decrease
(3)Line
(3)Line
(3)Line
(5)Release
(7)To Cooler
(8)Lube from Cooler
(8)Lube from Cooler
(11)Torque Signal
(16)Reverse Input (Rev. Clutch
(16)Reverse Input (Rev. Clutch
(16)Reverse Input (Rev. Clutch
(18)Forward Clutch Feed
(18)Forward Clutch Feed
(29)3-4 Clutch
(29)3-4 Clutch
(37)Overrun Clutch
(37)Overrun Clutch
(37)Overrun Clutch
(43)Exhaust
(43)Exhaust
(43)Exhaust
(45)Vent
(46)Seal Drain
(47)Void
(47)Void
(48)Regulated Apply
(232)Oil Pump Cover Screen
(237)Check Valve Retainer and Ball Assembly
(237)Check Valve Retainer and Ball Assembly
(240)Orificed Cup Plug
(240)Orificed Cup Plug
Figure 18:

Case Fluid Passages (Pump Cover Side)


Object Number: 213848  Size: LF
(3)Line
(3)Line
(3)Line
(7)To Cooler
(7)To Cooler
(8)Lube from Cooler
(8)Lube from Cooler
(10)Oil Cooler Pipe Connector
(10)Oil Cooler Pipe Connector
(11)Torque Signal
(11)Torque Signal
(16)Reverse Input
(16)Reverse Input
(18)Forward Clutch Feed
(18)Forward Clutch Feed
(29)3-4 Clutch
(29)3-4 Clutch
(37)Overrun Clutch
(37)Overrun Clutch
(39)Pressure Plug
(45)Vent
(48)Regulated Apply
(48)Regulated Apply
Figure 19:

Case Fluid Passages (Control Valve Body Side)


Object Number: 338530  Size: LF
(#1)Checkball (91)
(#7)3rd Accumulator Retainer and Ball Assembly (40)
(#10)Checkball (42)
(3)Line
(3)Line
(3)Line
(3)Line
(3)Line
(9)Actuator Feed Limit
(9)Actuator Feed Limit
(9)Actuator Feed Limit
(9)Actuator Feed Limit
(9)Actuator Feed Limit
(9)Actuator Feed Limit
(9)Actuator Feed Limit
(9)Actuator Feed Limit
(9)Actuator Feed Limit
(9)Actuator Feed Limit
(9)Actuator Feed Limit
(10)Filtered Actuator Feed
(11)Torque Signal
(11)Torque Signal
(11)Torque Signal
(11)Torque Signal
(11)Torque Signal
(12)PR
(12)PR
(12)PR
(12)PR
(12)PR
(13)D4-3-2
(13)D4-3-2
(14)Lo/Reverse
(14)Lo/Reverse
(14)Lo/Reverse
(15)Reverse
(16)Reverse Input (Rev. Clutch
(16)Reverse Input (Rev. Clutch
(16)Reverse Input (Rev. Clutch
(16)Reverse Input (Rev. Clutch
(17)D4
(17)D4
(17)D4
(17)D4
(18)Forward Clutch Feed
(18)Forward Clutch Feed
(18)Forward Clutch Feed
(18)Forward Clutch Feed
(19)Rear Lube
(20)Accumulator
(21)Orificed Accumulator
(22)Signal A
(22)Signal A
(22)Signal A
(24)2nd
(24)2nd
(24)2nd
(25)2nd Clutch
(25)2nd Clutch
(25)2nd Clutch
(25)2nd Clutch
(26)C.C. Signal
(26)C.C. Signal
(27)3-4 Signal
(27)3-4 Signal
(28)3rd Accumulator
(29)3-4 Clutch
(29)3-4 Clutch
(29)3-4 Clutch
(29)3-4 Clutch
(29)3-4 Clutch
(30)4th Signal
(31)Servo Feed
(32)4th
(32)4th
(33)3-4 Accumulator
(33)3-4 Accumulator
(33)3-4 Accumulator
(33)3-4 Accumulator
(33)3-4 Accumulator
(34)D3
(34)D3
(34)D3
(34)D3
(34)D3
(35)Overrun
(35)Overrun
(36)Overrun Clutch Feed
(36)Overrun Clutch Feed
(37)Overrun Clutch
(37)Overrun Clutch
(37)Overrun Clutch
(38)D2
(38)D2
(38)D2
(38)D2
(39)Orificed D2
(41)Lo
(41)Lo
(41)Lo
(42)Lo/1st
(42)Lo/1st
(43)Exhaust
(43)Exhaust
(44)Orificed Exhaust
(44)Orificed Exhaust
(47)Void
(47)Void
(47)Void
(47)Void
(47)Void
(47)Void
(47)Void
(47)Void
(47)Void
(47)Void
(47)Void
(47)Void
(47)Void
(47)Void
(47)Void
(47)Void
(48)Regulated Apply
(48)Regulated Apply
Figure 20:

Spacer Plate to Case Gasket


Object Number: 338537  Size: LF
(3)Line
(3)Line
(3)Line
(9)Actuator Feed Limit
(9)Actuator Feed Limit
(9)Actuator Feed Limit
(9)Actuator Feed Limit
(9)Actuator Feed Limit
(9)Actuator Feed Limit
(9)Actuator Feed Limit
(9)Actuator Feed Limit
(9)Actuator Feed Limit
(9)Actuator Feed Limit
(10)Filtered Actuator Feed
(10)Filtered Actuator Feed
(10)Filtered Actuator Feed
(10)Filtered Actuator Feed
(10)Filtered Actuator Feed
(11)Torque Signal
(11)Torque Signal
(11)Torque Signal
(12)PR
(12)PR
(12)PR
(12)PR
(12)PR
(13)D4-3-2
(13)D4-3-2
(14)Lo/Reverse
(14)Lo/Reverse
(14)Lo/Reverse
(15)Reverse
(15)Reverse
(16)Reverse Input (Rev. Cl.)
(16)Reverse Input (Rev. Cl.)
(16)Reverse Input (Rev. Cl.)
(17)D4
(17)D4
(17)D4
(17)D4
(18)Forward Clutch Feed
(18)Forward Clutch Feed
(18)Forward Clutch Feed
(18)Forward Clutch Feed
(18)Forward Clutch Feed
(20)Accumulator
(20)Accumulator
(20)Accumulator
(20)Accumulator
(21)Orificed Accumulator
(21)Orificed Accumulator
(22)Signal A
(22)Signal A
(24)2nd
(24)2nd
(24)2nd
(24)2nd
(24)2nd
(24)2nd
(24)2nd
(24)2nd
(25)2nd Clutch
(25)2nd Clutch
(25)2nd Clutch
(25)2nd Clutch
(25)2nd Clutch
(25)2nd Clutch
(25)2nd Clutch
(25)2nd Clutch
(25)2nd Clutch
(25)2nd Clutch
(25)2nd Clutch
(26)C.C. Signal
(26)C.C. Signal
(26)C.C. Signal
(27)3-4 Signal
(27)3-4 Signal
(27)3-4 Signal
(28)3rd Accumulator
(29)3-4 Clutch
(29)3-4 Clutch
(29)3-4 Clutch
(29)3-4 Clutch
(29)3-4 Clutch
(29)3-4 Clutch
(29)3-4 Clutch
(30)4th Signal
(30)4th Signal
(31)Servo Feed
(31)Servo Feed
(31)Servo Feed
(32)4th
(33)3-4 Accumulator
(33)3-4 Accumulator
(33)3-4 Accumulator
(34)D3
(34)D3
(34)D3
(34)D3
(34)D3
(34)D3
(35)Overrun
(35)Overrun
(36)Overrun Clutch Feed
(36)Overrun Clutch Feed
(37)Overrun Clutch
(38)D2
(38)D2
(38)D2
(38)D2
(39)Orificed D2
(39)Orificed D2
(41)Lo
(41)Lo
(41)Lo
(41)Lo
(42)Lo/1st
(42)Lo/1st
(43)Exhaust
(43)Exhaust
(44)Orificed Exhaust
(44)Orificed Exhaust
(47)Void
(47)Void
(48)Regulated Apply
(48)Regulated Apply
Figure 21:

Spacer Plate Fluid Passages


Object Number: 338553  Size: LF
(3)Line
(3)Line
(3)Line
(9)Actuator Feed Limit
(9)Actuator Feed Limit
(9)Actuator Feed Limit
(9)Actuator Feed Limit
(9)Actuator Feed Limit
(9)Actuator Feed Limit
(9)Actuator Feed Limit
(9)Actuator Feed Limit
(9)Actuator Feed Limit
(9)Actuator Feed Limit
(9/10)Actuator Feed Limit/Filtered Actuator Feed
(9/10)Actuator Feed Limit/Filtered Actuator Feed
(10)Filtered Actuator Feed
(10)Filtered Actuator Feed
(10/22)Filtered Actuator Feed/Signal A
(10/23)Filtered Actuator Feed/Signal B
(11)Torque Signal
(11)Torque Signal
(11)Torque Signal
(12)PR
(12)PR
(12)PR
(12)PR
(12)PR
(13)D4-3-2
(13)D4-3-2
(14)Lo/Reverse
(14)Lo/Reverse
(14)Lo/Reverse
(15)Reverse
(15)Reverse
(15/16)Reverse/Reverse Input (Rev. Clutch
(15/16)Reverse/Reverse Input (Rev. Clutch
(16)Reverse Input (Rev. Clutch
(17)D4
(17)D4
(17)D4
(17)D4
(17)D4
(17/18)D4
(17/18)D4
(18)Forward Clutch Feed
(18)Forward Clutch Feed
(18)Forward Clutch Feed
(20)Accumulator
(20)Accumulator
(20)Accumulator
(20/21)Accumulator/Orificed Accumulator
(20/21)Accumulator/Orificed Accumulator
(21)Orificed Accumulator
(22)Signal A
(22)Signal A
(24)2nd
(24)2nd
(24)2nd
(24)2nd
(24)2nd
(24)2nd
(24)2nd
(24)2nd
(24/25)2nd/2nd Clutch
(24/25)2nd/2nd Clutch
(25)2nd Clutch
(25)2nd Clutch
(25)2nd Clutch
(25)2nd Clutch
(25)2nd Clutch
(25)2nd Clutch
(26)C.C. Signal
(26)C.C. Signal
(27)3-4 Signal
(27)3-4 Signal
(27/29)3-4 Signal
(27/29)3-4 Signal
(28)3rd Accumulator
(29/28)3-4 Clutch/3rd Accumulator
(29/28)3-4 Clutch/3rd Accumulator
(29)3-4 Clutch
(29)3-4 Clutch
(29)3-4 Clutch
(29)3-4 Clutch
(29)3-4 Clutch
(30)4th Signal
(30)4th Signal
(31)Servo Feed
(31)Servo Feed
(31)Servo Feed
(32)4th
(33)3-4 Accumulator
(33)3-4 Accumulator
(33)3-4 Accumulator
(34)D3
(34)D3
(34)D3
(34)D3
(34)D3
(34)D3
(35a)Overrun
(35)Overrun
(35/36)Overrun/Overrun Clutch Feed
(35/36)Overrun/Overrun Clutch Feed
(35/39)Overrun/Orificed D2
(36)Overrun Clutch Feed
(37)Overrun Clutch
(38)D2
(38)D2
(38)D2
(38)D2
(38/39)D2/Orificed D2
(41)Lo
(41)Lo
(41)Lo
(41)Lo
(42)Lo/1st
(42)Lo/1st
(43)Exhaust
(43/44)Exhaust/Orificed Exhaust
(43/44)Exhaust/Orificed Exhaust
(44)Orificed Exhaust
(47)Void
(48)Regulated Apply
(48)Regulated Apply
(49)Shift Solenoids Screen
(50)Pressure Control Solenoid Screen
Figure 22:

Spacer Plate to Control Valve Body Gasket


Object Number: 338563  Size: LF
(3)Line
(3)Line
(3)Line
(9)Actuator Feed Limit
(9)Actuator Feed Limit
(9)Actuator Feed Limit
(9)Actuator Feed Limit
(9)Actuator Feed Limit
(9)Actuator Feed Limit
(9)Actuator Feed Limit
(9)Actuator Feed Limit
(9)Actuator Feed Limit
(10)Filtered Actuator Feed
(10)Filtered Actuator Feed
(10)Filtered Actuator Feed
(10)Filtered Actuator Feed
(11)Torque Signal
(11)Torque Signal
(11)Torque Signal
(12)PR
(12)PR
(12)PR
(12)PR
(12)PR
(13)D4-3-2
(13)D4-3-2
(14)Lo/Reverse
(14)Lo/Reverse
(14)Lo/Reverse
(15)Reverse
(15)Reverse
(15)Reverse
(16)Reverse Input (Rev. Cl.)
(17)D4
(17)D4
(17)D4
(17)D4
(17)D4
(17)D4
(18)Forward Clutch Feed
(18)Forward Clutch Feed
(18)Forward Clutch Feed
(20)Accumulator
(20)Accumulator
(20)Accumulator
(21)Orificed Accumulator
(22)Signal A
(22)Signal A
(22)Signal A
(23)Signal B
(24)2nd
(24)2nd
(24)2nd
(24)2nd
(24)2nd
(24)2nd
(24)2nd
(24)2nd
(24)2nd
(25)2nd Clutch
(25)2nd Clutch
(25)2nd Clutch
(25)2nd Clutch
(25)2nd Clutch
(25)2nd Clutch
(25)2nd Clutch
(25)2nd Clutch
(25)2nd Clutch
(26)C.C. Signal
(26)C.C. Signal
(27)3-4 Signal
(27)3-4 Signal
(28)3rd Accumulator
(28)3rd Accumulator
(29)3-4 Clutch
(29)3-4 Clutch
(29)3-4 Clutch
(29)3-4 Clutch
(29)3-4 Clutch
(29)3-4 Clutch
(30)4th Signal
(30)4th Signal
(31)Servo Feed
(31)Servo Feed
(31)Servo Feed
(32)4th
(33)3-4 Accumulator
(33)3-4 Accumulator
(33)3-4 Accumulator
(34)D3
(34)D3
(34)D3
(34)D3
(34)D3
(34)D3
(35)Overrun
(35)Overrun
(35/39)Overrun/Orificed D2
(36)Overrun Clutch Feed
(37)Overrun Clutch
(38)D2
(38)D2
(38)D2
(38)D2
(38)D2
(40)3-2 Signal
(40)3-2 Signal
(41)Lo
(41)Lo
(41)Lo
(41)Lo
(42)Lo/1st
(42)Lo/1st
(43)Exhaust
(43)Exhaust
(44)Orificed Exhaust
(44)Orificed Exhaust
(47)Void
(48)Regulated Apply
(48)Regulated Apply
Figure 23:

Control Valve Body Fluid Passages (Case Side)


Object Number: 338570  Size: LF
(#2)Checkball (61)
(#3)Checkball (61)
(#4)Checkball (61)
(#5)Checkball (61)
(#6)Checkball (61)
(#8)Checkball (61)
(#12)Checkball (61)
(3)Line
(3)Line
(3)Line
(3)Line
(3)Line
(3)Line
(9)Actuator Feed Limit
(9)Actuator Feed Limit
(9)Actuator Feed Limit
(9)Actuator Feed Limit
(9)Actuator Feed Limit
(9)Actuator Feed Limit
(9)Actuator Feed Limit
(9)Actuator Feed Limit
(9)Actuator Feed Limit
(10)Filtered Actuator Feed
(10)Filtered Actuator Feed
(11)Torque Signal
(11)Torque Signal
(11)Torque Signal
(11)Torque Signal
(12)PR
(12)PR
(12)PR
(13)D4-3-2
(13)D4-3-2
(14)Lo/Reverse
(14)Lo/Reverse
(15)Reverse
(15)Reverse
(15)Reverse
(16)Reverse Input (Rev. Clutch
(17)D4
(17)D4
(17)D4
(17)D4
(17)D4
(17)D4
(17)D4
(18)Forward Clutch Feed
(18)Forward Clutch Feed
(20)Accumulator
(20)Accumulator
(22)Signal A
(22)Signal A
(23)Signal B
(24)2nd
(24)2nd
(24)2nd
(24)2nd
(24)2nd
(24)2nd
(24)2nd
(25)2nd Clutch
(25)2nd Clutch
(25)2nd Clutch
(25)2nd Clutch
(25)2nd Clutch
(25)2nd Clutch
(26)C.C. Signal
(26)C.C. Signal
(27)3-4 Signal
(27)3-4 Signal
(28)3rd Accumulator
(28)3rd Accumulator
(29)3-4 Clutch
(29)3-4 Clutch
(29)3-4 Clutch
(30)4th Signal
(30)4th Signal
(31)Servo Feed
(31)Servo Feed
(31)Servo Feed
(32)4th
(33)3-4 Accumulator
(33)3-4 Accumulator
(34)D3
(34)D3
(34)D3
(34)D3
(34)D3
(35)Overrun
(35)Overrun
(36)Overrun Clutch Feed
(37)Overrun Clutch
(38)D2
(38)D2
(38)D2
(40)3-2 Signal
(41)Lo
(41)Lo
(41)Lo
(42)Lo/1st
(42)Lo/1st
(42)Lo/1st
(43)Exhaust
(43)Exhaust
(43)Exhaust
(43)Exhaust
(43)Exhaust
(43)Exhaust
(43)Exhaust
(47)Void
(47)Void
(47)Void
(47)Void
(47)Void
(47)Void
(47)Void
(47)Void
(47)Void
(47)Void
(47)Void
(47)Void
(47)Void
(47)Void
(47)Void
(47)Void
(47)Void
(47)Void
(47)Void
(47)Void
(47)Void
(47)Void
(48)Regulated Apply
(48)Regulated Apply
Figure 24:

2-4 Servo Fluid Passages


Object Number: 10130  Size: LF
(#7)3rd Accumulator Retainer and Ball Assembly (40)
(#7)3rd Accumulator Retainer and Ball Assembly (40)
(11)Case Servo Orificed Plug
(11)Case Servo Orificed Plug
(25)2nd Clutch
(25)2nd Clutch
(25)2nd Clutch
(28)3rd Accumulator
(28)3rd Accumulator
(28)3rd Accumulator
(32)4th
(32)4th
(32)4th
(32)4th
(43)Exhaust
(43)Exhaust
(44)Orificed Exhaust
(44)Orificed Exhaust
Figure 25:

1-2 Accumulator Cover Fluid Passages


Object Number: 213852  Size: MF
(20)Accumulator
(21)Orificed Accumulator
(25)2nd Clutch
(25)2nd Clutch
Figure 1:

Transmission Major Component Location


Object Number: 155331  Size: MF
(1)Converter Housing
(2)Reverse Input Clutch
(3)Input Clutch Housing
(4)Overrun Clutch
(5)Forward Clutch
(6)Forward Sprag Clutch Assembly
(7)3-4 Clutch
(8)Input Planetary Gear Set
(9)Lo and Reverse Clutch
(10)Lo Roller Clutch Assembly
(11)Reaction Planetary Gear Set
(12)Output Shaft
(13)Case Assembly
(14)Parking Pawl
(15)Parking Lock Actuator Assembly
(16)Control Valve Assembly
(17)Manual Shaft
(18)Inside Detent Lever
(19)2-4 Band Assembly
(20)Pump Assembly
(21)Stator Roller Clutch
(22)Torque Converter Assembly
(23)Turbine Shaft
Figure 2:

Electronic Component Locations


Object Number: 424809  Size: LF
(66)Torque Converter Clutch (TCC) Solenoid Valve
(69)Automatic Transmission Fluid Pressure (TFP) Manual Valve Position Switch
(367a)1-2 Shift Solenoid (SS) Valve
(367b)2-3 Shift Solenoid (SS) Valve
(377)Pressure Control (PC) Solenoid Valve
(394)3-2 Shift Solenoid (SS) Valve Assembly
(396)Torque Converter Clutch Pulse Width Modulation (TCC PWM) Solenoid Valve
Figure 3:

Case and Associated Parts (1 of 2)


Object Number: 155004  Size: LF
(1)Torque Converter Assembly
(2)Bolt, Pump to Case
(3)O-Ring, Pump to Case Bolt
(4)Pump Assembly, Oil
(5)Seal, Oil (Pump to Case)
(6)Gasket, Pump Cover to Case
(7)Bushing, Case
(9)Vent Assembly, Transmission
(10)Connector, Oil Cooler Pipe
(11)Plug, Case Servo
(12)Spring, Servo Return
(13)Pin, 2nd Apply Piston
(14)Ring, Retainer (2nd Apply Piston)
(15)Retainer, Servo Cushion Spring
(16)Spring, Servo Cushion (Outer)
(17)Piston, 2nd Apply
(18)Ring, Oil Seal (2nd Apply Piston - Outer)
(19)Ring, Oil Seal (2nd Apply Piston - Inner)
(20)Housing, Servo Piston (Inner)
(21)Seal, O-Ring
(22)Spring, Servo Apply Pin
(23)Washer, Servo Apply Pin
(24)Ring, Retainer (Apply Pin)
(25)Piston, 4th Apply
(26)Ring, Oil Seal (4th Apply Piston - Outer)
(27)Seal, O-Ring (2-4 Servo Cover)
(28)Cover, 2-4 Servo
(29)Ring, Servo Cover Retaining
(71)Seal, Filter
(72)Filter Assembly, Transmission Oil
(73)Gasket, Transmission Oil Pan
(74)Magnet, Chip Collector
(75)Pan, Transmission Oil
(76)Screw, Transmission Oil Pan
(94)Bolt, Converter Housing to Case
(99)Plug, Cup D4 Orifice
(100)Stud, A/Trans. Case
(101)Plug Asm., A/Trans. Oil Pan
(102)Housing, Converter
(103)Case, Main Section
(105)Spring, Servo Cushion (Inner)
(106)Seal Assembly, Case Rear Oil
Figure 4:

Case and Associated Parts (2 of 2)


Object Number: 155007  Size: LH
(38)Plug, Transmission Case (Accumulator Bleed)
(39)Plug, Pressure
(40)Retainer and Ball Assembly, Third Accumulator
(41)Pin, Band Anchor
(42)Retainer and Ball Assembly (Double Orifice)
(43)Pin, Accumulator Piston
(44)Piston, 3-4 Accumulator
(45)Ring, Oil Seal (3-4 Accumulator Piston)
(46)Spring, 3-4 Accumulator
(47)Gasket, Spacer Plate to Case
(48)Plate, Valve Body Spacer
(49)Screen, Shift Solenoids
(50)Screen, Pressure Control Solenoid
(52)Gasket, Spacer Plate to Valve Body
(53)Plate, Spacer Plate Support
(54)Spring, 1-2 Accumulator
(55)Ring, Oil Seal (1-2 Accumulator)
(56)Piston, 1-2 Accumulator
(57)Cover and Pin Assembly, 1-2 Accumulator
(58)Bolt, Accumulator Cover
(59)Bolt, Accumulator Cover
(60)Valve Assembly, Control Body
(61)Checkball
(62)Bolt, Valve Body
(63)Spring Assembly, Manual Detent
(64)Bolt, Manual Detent Spring
(65)Seal, Wiring Harness Pass-through Connector O-Ring
(66)Solenoid Assembly, Wiring Harness
(67)Seal, O-Ring (Solenoid)
(68)Bolt, Hex Washer Head (Solenoid)
(69)Switch Assembly, Transmission Pressure
(70)Bolt, Pressure Switch Assembly
(77)Bolt, Spacer Plate Support
(91)Number 1 Checkball
(93)Bracket, Dipstick Stop
(104)Spring, 1-2 Accumulator (Inner)
Figure 5:

Oil Pump Assembly


Object Number: 405105  Size: LF
(200)Pump Body
(201)Oil Seal Ring (Slide to Wear Plate)
(202)O-Ring Seal (Slide Seal Back-Up)
(203)Pump Slide
(204)Pivot Pin Spring
(205)Pivot Slide Pin
(206)Pump Slide Spring (Outer)
(207)Pump Slide Spring (Inner)
(208)Pump Slide Seal Support
(209)Pump Slide Seal
(210)Pump Vane Ring
(210)Pump Vane Ring
(211)Rotor Guide
(212)Oil Pump Rotor
(213)Pump Vane
(214)Stator Shaft
(215)Pump Cover
(216)Pressure Regulator Valve
(217)Pressure Regulator Valve Spring
(218)Pressure Regulator Isolator Spring
(219)Reverse Boost Valve
(220)Reverse Boost Valve Sleeve
(221)Oil Pump Reverse Boost Valve Retaining Ring
(222)Oil Pump Converter Clutch Valve Retaining Ring
(223)Stop Valve
(224)Converter Clutch Valve
(225)Converter Clutch Valve Spring (Inner)
(226)Converter Clutch Valve Spring (Outer)
(227)Pressure Relief Bolt Rivet
(228)Pressure Relief Ball
(229)Pressure Relief Spring
(230)Oil Seal Ring (Stator Shaft)
(231)Oil Pump Cover Screen Seal
(232)Oil Pump Cover Screen
(233)Bolt M8 X 1.25 X 40 (Cover to Body)
(234)Stator Shaft Bushing (Front)
(235)Oil Pump Cover Plug (FWD Clutch Feed)
(236)Oil Pump Cover Plug
(236)Oil Pump Cover Plug
(236)Oil Pump Cover Plug
(236)Oil Pump Cover Plug
(236)Oil Pump Cover Plug
(236)Oil Pump Cover Plug
(237)Check Valve Retainer and Ball Assembly
(237)Check Valve Retainer and Ball Assembly
(238)Converter Clutch Signal Orifice (Cup Plug)
(240)Cup Orifice Plug
(241)Stator Shaft Bushing (Rear)
(242)Pump Body Bushing
(243)Oil Seal Assembly
(244)Front Helix Retainer
Figure 6:

Control Valve Body Assembly (1 of 2)


Object Number: 155000  Size: MF
(350)Control Valve Body Assembly
(353)Seal, Forward Accumulator Oil
(354)Piston, Forward Accumulator
(355)Pin, Forward Accumulator
(356)Spring, Forward Accumulator
(357)Valve, Forward Abuse
(358)Spring, Forward Abuse Valve
(359)Plug, Bore
(360)Pin, Coiled Spring
(360)Pin, Coiled Spring
(361)Valve, Low Overrun
(362)Spring, Low Overrun Valve
(363)Cover, Forward Accumulator
(364)Bolt, Forward Accumulator Cover
(364)Bolt, Forward Accumulator Cover
(365)Spring, 1-2 Shift Valve
(366)Valve, 1-2 Shift
(367a)1-2 Shift Solenoid Valve
(367b)2-3 Shift Solenoid Valve
(368)Valve, 2-3 Shift
(369)Valve, 2-3 Shuttle
(370)Spring, 1-2 Accumulator Valve
(371)Valve, 1-2 Accumulator
(372)Sleeve, 1-2 Accumulator Valve
(374)Valve, Actuator Feed Limit
(375)Spring, Actuator Feed Limit Valve
(376)Plug, Bore
(377)Pressure Control Solenoid Valve
(378)Retainer, Pressure Control Solenoid
(379)Retainer, Solenoid
(379)Retainer, Solenoid
(395)Retainer, Bore Plug
Figure 7:

Control Valve Body Assembly (2 of 2)


Object Number: 283779  Size: MF
(340)Manual Valve
(350)Control Valve Body Assembly
(359)Bore Plug
(360)Pin, Coiled Spring
(379)Retainer, Solenoid
(379)Retainer, Solenoid
(380)Valve, Regulator Apply
(381)Bore Plug
(381)Bore Plug
(381)Bore Plug
(381)Bore Plug
(382)Spring, 4-3 Sequence Valve
(383)Valve, 4-3 Sequence
(384)Valve, 3-4 Relay
(385)Valve, 3-4 Shift
(386)Spring, 3-4 Shift Valve
(387)Valve, Reverse Abuse
(388)Spring, Reverse Abuse Valve
(389)Valve, 3-2 Downshift
(390)Spring, 3-2 Downshift Valve
(391)Valve, 3-2 Control
(392)Spring, 3-2 Control Valve
(394)3-2 Control Solenoid
(395)Retainer, Bore Plug
(395)Retainer, Bore Plug
(395)Retainer, Bore Plug
(395)Retainer, Bore Plug
(396)TCC PWM Solenoid Valve
(397)Spring, Regulator Apply
(398)Valve, Isolator
Figure 8:

Internal Parts (1 of 2)


Object Number: 213098  Size: LF
(600)3-4 Clutch Boost (5) Spring Assembly
(601)Thrust Washer (Pump to Drum)
(602)2-4 Band Assembly
(603)Reverse Input Clutch Bushing (Front)
(605)Reverse Input Clutch Housing and Drum Assembly
(606)Reverse Input Clutch Bushing (Rear)
(607)Reverse Input Clutch Piston Assembly
(608a)Reverse Input Clutch Seal (Inner)
(608b)Reverse Input Clutch Seal (Outer)
(609)Reverse Input Clutch Spring Assembly
(610)Reverse Input Clutch Spring Retainer Ring
(611)Reverse Input Clutch Plate (Belleville)
(612a)Reverse Input Clutch Turbulator Plate (Steel)
(612b)Reverse Input Clutch Plate Assembly (Fiber)
(613)Reverse Input Clutch Backing Plate (Selective)
(614)Reverse Input Clutch Retaining Ring
(615)Stator Shaft/Selective Washer Bearing Assembly
(616)Thrust Washer (Selective)
(617)Check Valve Retainer and Ball Assembly
(618)O-Ring Seal  - Location Model Dependent
(619)Oil Seal Ring (Solid)
(620)Retainer and Checkball Assembly
(620)Retainer and Checkball Assembly
(621)Input Housing and Shaft Assembly (Model Dependent)
(622)O-Ring Input to Forward Clutch Housing Seal
(623)3rd and 4th Clutch Piston
(625)3rd and 4th Clutch Ring (Apply)
(626)3rd and 4th Clutch Spring Assembly
(627)Forward Clutch Housing Retainer and Ball Assembly
(628)Forward Clutch Housing
(630)Forward Clutch Piston
(632)Overrun Clutch Piston
(633)Overrun Clutch Ball
(634)Overrun Clutch Spring Assembly
(635)Overrun Clutch Spring Retainer Snap Ring
(636)Input Housing to Output Shaft Seal
(637)Input Sun Gear Bearing Assembly
(638)Overrun Clutch Hub Retaining Snap Ring
(639)Overrun Clutch Hub
(640)Forward Sprag Clutch Inner Race and Input Sun Gear Assembly
(642)Forward Sprag Assembly
(643)Sprag Assembly Retainer Ring
(643)Sprag Assembly Retainer Ring
(644)Forward Clutch Race (Outer)
(645a)Overrun Clutch Plate (Steel)
(645b)Overrun Clutch Plate Assembly (Fiber)
(646)Forward Clutch Plate (Apply)
(648)Forward Clutch Plate (Waved)
(649a)Forward Clutch Plate (Steel)
(649b)Forward Clutch Plate Assembly (Fiber)
(650)Forward Clutch Backing Plate (Selective)
(651)Forward Clutch Backing Plate Retainer Ring
(652)3rd and 4th Clutch Plate (Steel) (2.2L Engine Only)
(653)3rd and 4th Clutch Apply Plate (Stepped)
(653)3rd and 4th Clutch Apply Plate (Stepped)
(654a)3rd and 4th Clutch Plate Assembly (Fiber) (Quantity Model Dependent 5, 6 or 7 plates)
(654a)3rd and 4th Clutch Plate Assembly (Fiber) (Quantity Model Dependent 5, 6 or 7 plates)
(654b)3rd and 4th Clutch Plate (Steel) (Quantity Model Dependent)
(654b)3rd and 4th Clutch Plate (Steel) (Quantity Model Dependent)
(655)3rd and 4th Clutch Backing Plate (Selective) (Model Dependent)
(655)3rd and 4th Clutch Backing Plate (Selective) (Model Dependent)
(656)3rd and 4th Clutch Backing Plate Retainer Ring
(657)Input Sun Gear Front Bushing
(659)Input Sun Gear Rear Bushing
(688)Cup Plug
(698)Orificed Cup Plug
Figure 9:

Internal Parts (2 of 2)


Object Number: 213103  Size: LF
(661)Output Shaft to Input Carrier Retainer
(662)Input Carrier Assembly
(663)Thrust Bearing Assembly (Input Carrier to Reaction Shaft)
(664)Input Internal Gear
(665)Reaction Carrier Shaft Front Bushing
(666)Reaction Carrier Shaft
(667)Reaction Carrier Shaft Rear Bushing
(668)Reaction Shaft/Internal Gear Retainer Ring
(669)Thrust Washer (Reaction Shaft Shell)
(670)Reaction Sun Shell
(671)Reaction Sun Gear Retainer Ring
(672)Reaction Sun Bushing
(673)Reaction Sun Gear
(674)Thrust Washer (Race/Reaction Shell)
(675)Low and Reverse Roller Clutch Race
(676)Low and Reverse Support to Case Retainer Ring
(677)Low and Reverse Roller Assembly Retainer Ring (Cam)
(677)Low and Reverse Roller Assembly Retainer Ring (Cam)
(678)Low and Reverse Roller Clutch Assembly
(679)Low and Reverse Clutch Support Assembly
(680)Low and Reverse Clutch Support Retainer Spring
(681)Reaction Carrier Assembly
(682a)Low and Reverse Clutch Plate (Waved)
(682b)Spacer Low and Reverse Clutch Plate (Selective)
(682c)Low and Reverse Clutch Plate Assembly (Fiber)
(682d)Low and Reverse Clutch Turbulator Plate (Steel)
(683)Thrust Bearing Assembly (Reaction Carrier/Support)
(684)Internal Reaction Gear
(685)Internal Reaction Gear Support
(686)Reaction Gear/Support Retainer Ring
(687)Output Shaft
(690)Output Shaft Sleeve (Model Dependent)
(691)Output Shaft Seal (Model Dependent)
(692)Reaction Gear Support to Case Bearing
(693)Low and Reverse Clutch Retainer Ring
(694)Low and Reverse Clutch Spring Assembly
(695)Low and Reverse Clutch Piston
(696a)Low and Reverse Clutch Seal (Outer)
(696b)Low and Reverse Clutch Seal (Center)
(696c)Low and Reverse Clutch Seal (Inner)
(697)Oil Deflector (High Output Models Only)
(699)Internal Transmission Speed Sensor Rotor
Figure 10:

Parking Lock and Manual Shift Shaft Assembly


Object Number: 65111  Size: MH
(78)Steel Cup Plug
(79)Parking Brake Pawl Shaft
(80)Parking Pawl Return Spring
(81)Parking Brake Pawl
(82)Manual Shaft Seal
(83)Manual Shaft Retainer
(84)Manual Shaft (Model Dependent)
(85)Parking Lock Actuator Assembly
(86)Parking Lock Bracket
(87)Parking Lock Bracket (2) Bolt
(88)Inside Detent Lever
(89)Manual Valve Link
(90)Hex Head Nut
Figure 11:

Seal Locations


Object Number: 155332  Size: LF
(3)O-Ring, Pump to Case Bolt
(5)Seal, Oil (Pump to Case)
(18)Ring, Oil Seal (2nd Apply Piston-Outer)
(19)Ring, Oil Seal (2nd Apply Piston-Inner)
(21)Seal, O-Ring
(26)Ring, Oil Seal (4th Apply Piston-Outer)
(27)Seal, O-Ring (2-4 Servo Cover)
(106)Seal Assembly, Case Rear Oil
(230)Ring, Oil Seal (Stator Shaft)
(243)Seal Assembly, Oil
(608)Seals, Reverse Input Clutch (inner and outer)
(608)Seals, Reverse Input Clutch (inner and outer)
(618)Seal, O-Ring (Turbine Shaft/Selective Washer)
(619)Ring, Oil Seal (Solid)
(622)Seal, O-Ring Input to Forward Hsg.
(624)3rd and 4th Clutch Seals
(624)3rd and 4th Clutch Seals
(630)Piston, Forward Clutch
(632)Piston, Overrun Clutch
(636)Seal, Input Housing to Output Shaft
(696)Seal, Transmission (Lo and Reverse Clutch-Outer, Center, Inner
(696)Seal, Transmission (Lo and Reverse Clutch-Outer, Center, Inner
(696)Seal, Transmission (Lo and Reverse Clutch-Outer, Center, Inner
Figure 12:

Bearings and Bushings


Object Number: 155333  Size: MF
(7)Bushing, Case
(234)Bushing, Stator Shaft (Front)
(241)Bushing, Stator Shaft (Rear)
(242)Bushing, Oil Pump Body
(601)Washer, Thrust (Pump to Drum)
(603)Bushing, Reverse Input Cl. (Front)
(606)Bushing, Reverse Input Clutch (Rear)
(615)Bearing Assembly, Stator Shaft/Selective Washer
(616)Washer, Thrust (Selective)
(637)Bearing Assembly, Input Sun Gear
(657)Bushing, Input Sun Gear (Front)
(659)Bushing, Input Sun Gear (Rear)
(663)Bearing Assembly, Thrust (Input Carrier to Reaction Shaft)
(665)Bushing, Reaction Carrier Shaft (Front)
(667)Bushing, Reaction Carrier Shaft (Rear)
(669)Washer, Thrust (Reaction Shaft/Shell)
(672)Bushing, Reaction Gear
(674)Washer, Thrust (Race/Reaction Shell)
(683)Bearing Assembly, Thrust (Reaction Carrier/Support)
(692)Bearing, Reaction Gear Support to Case
Figure 13:

Valve Trains


Object Number: 283780  Size: LF
(340)Valve, Manual
(353)Seal, Forward Accumulator Oil
(354)Piston, Forward Accumulator
(355)Pin, Forward Accumulator
(356)Spring, Forward Accumulator
(357)Valve, Forward Abuse
(358)Spring, Forward Abuse Valve
(359)Plug, Bore
(359)Plug, Bore
(360)Pin, Coiled Spring
(360)Pin, Coiled Spring
(360)Pin, Coiled Spring
(361)Valve, Low Overrun
(362)Spring, Low Overrun Valve
(363)Cover, Forward Accumulator
(364)Bolt, Forward Accumulator Cover
(364)Bolt, Forward Accumulator Cover
(365)Spring, 1-2 Shift Valve
(366)Valve, 1-2 Shift
(367a)1-2 Shift Solenoid Valve
(367b)2-3 Shift Solenoid Valve
(368)Valve, 2-3 Shift
(369)Valve, 2-3 Shuttle
(370)Spring, 1-2 Accumulator Valve
(371)Valve, 1-2 Accumulator
(372)Sleeve, 1-2 Accumulator Valve
(374)Valve, Actuator Feed Limit
(375)Spring, Actuator Feed Limit Valve
(376)Plug, Bore
(377)Pressure Control Solenoid Valve
(378)Retainer, Pressure Control Solenoid
(379)Retainer, Solenoid
(379)Retainer, Solenoid
(379)Retainer, Solenoid
(379)Retainer, Solenoid
(380)Valve, Regulator Apply
(381)Plug, Bore
(381)Plug, Bore
(381)Plug, Bore
(381)Plug, Bore
(382)Spring, 4-3 Sequence Valve
(383)Valve, 4-3 Sequence
(384)Valve, 3-4 Relay
(385)Valve, 3-4 Shift
(386)Spring, 3-4 Shift Valve
(387)Valve, Reverse Abuse
(388)Spring, Reverse Abuse Valve
(389)Valve, 3-2 Downshift
(390)Spring, 3-2 Downshift Valve
(391)Valve, 3-2 Control
(392)Spring, 3-2 Control Valve
(394)3-2 Control Solenoid Valve
(395)Retainer, Bore Plug
(395)Retainer, Bore Plug
(395)Retainer, Bore Plug
(395)Retainer, Bore Plug
(395)Retainer, Bore Plug
(396)TCC PWM Solenoid Valve
(397)Spring, Regulator Apply
(398)Valve, Isolator
Figure 14:

Pump Body Fluid Passages (Pump Cover Side)


Object Number: 338502  Size: MF
(1)Suction (intake)
(2)Decrease
(2)Decrease
(3)Line
(3)Line
(3)Line
(4)Converter Feed
(4)Converter Feed
(4)Converter Feed
(5)Release
(7)To Cooler
(8)Lube from Cooler
(11)Torque Signal
(16)Reverse Input
(16)Reverse Input
(29)3-4 Clutch
(37)Overrun Clutch
(43)Exhaust
(43)Exhaust
(43)Exhaust
(43)Exhaust
(45)Vent
(46)Seal Drain
(47)Void
(47)Void
(48)Regulated Apply
Figure 15:

Pump Cover Fluid Passages (Pump Body Side)


Object Number: 338512  Size: MF
(1)Suction (intake)
(1)Suction (intake)
(2)Decrease
(2)Decrease
(2)Decrease
(2)Decrease
(3)Line
(3)Line
(3)Line
(3)Line
(3)Line
(3)Line
(4)Converter Feed
(4)Converter Feed
(4)Converter Feed
(4)Converter Feed
(5)Release
(5)Release
(6)Apply
(7)To Cooler
(8)Lube from Cooler
(8)Lube from Cooler
(11)Torque Signal
(16)Reverse Input
(16)Reverse Input
(16)Reverse Input
(16)Reverse Input
(18)Forward Clutch Feed
(29)3-4 Clutch
(29)3-4 Clutch
(37)Overrun Clutch
(37)Overrun Clutch
(37)Overrun Clutch
(37)Overrun Clutch
(43)Exhaust
(43)Exhaust
(43)Exhaust
(43)Exhaust
(45)Vent
(46)Seal Drain
(47)Void
(47)Void
(47)Void
(48)Regulated Apply
(48)Regulated Apply
(232)Oil Pump Cover Screen
(237)Check Valve Retainer and Ball Assembly
(237)Check Valve Retainer and Ball Assembly
(238)Converter Clutch Signal Orificed Cup Plug
(240)Orificed Cup Plug
Figure 16:

Pump Cover Fluid Passages (Case Side)


Object Number: 338521  Size: LF
(1)Suction (Intake)
(2)Decrease
(2)Decrease
(3)Line
(3)Line
(3)Line
(5)Release
(7)To Cooler
(8)Lube from Cooler
(8)Lube from Cooler
(11)Torque Signal
(16)Reverse Input (Rev. Clutch
(16)Reverse Input (Rev. Clutch
(16)Reverse Input (Rev. Clutch
(18)Forward Clutch Feed
(18)Forward Clutch Feed
(29)3-4 Clutch
(29)3-4 Clutch
(37)Overrun Clutch
(37)Overrun Clutch
(37)Overrun Clutch
(43)Exhaust
(43)Exhaust
(43)Exhaust
(45)Vent
(46)Seal Drain
(47)Void
(47)Void
(48)Regulated Apply
(232)Oil Pump Cover Screen
(237)Check Valve Retainer and Ball Assembly
(237)Check Valve Retainer and Ball Assembly
(240)Orificed Cup Plug
(240)Orificed Cup Plug
Figure 17:

Case Fluid Passages (Pump Cover Side)


Object Number: 213848  Size: LF
(3)Line
(3)Line
(3)Line
(7)To Cooler
(7)To Cooler
(8)Lube from Cooler
(8)Lube from Cooler
(10)Oil Cooler Pipe Connector
(10)Oil Cooler Pipe Connector
(11)Torque Signal
(11)Torque Signal
(16)Reverse Input
(16)Reverse Input
(18)Forward Clutch Feed
(18)Forward Clutch Feed
(29)3-4 Clutch
(29)3-4 Clutch
(37)Overrun Clutch
(37)Overrun Clutch
(39)Pressure Plug
(45)Vent
(48)Regulated Apply
(48)Regulated Apply
Figure 18:

Case Fluid Passages (Control Valve Body Side)


Object Number: 338530  Size: LF
(#1)Checkball (91)
(#7)3rd Accumulator Retainer and Ball Assembly (40)
(#10)Checkball (42)
(3)Line
(3)Line
(3)Line
(3)Line
(3)Line
(9)Actuator Feed Limit
(9)Actuator Feed Limit
(9)Actuator Feed Limit
(9)Actuator Feed Limit
(9)Actuator Feed Limit
(9)Actuator Feed Limit
(9)Actuator Feed Limit
(9)Actuator Feed Limit
(9)Actuator Feed Limit
(9)Actuator Feed Limit
(9)Actuator Feed Limit
(10)Filtered Actuator Feed
(11)Torque Signal
(11)Torque Signal
(11)Torque Signal
(11)Torque Signal
(11)Torque Signal
(12)PR
(12)PR
(12)PR
(12)PR
(12)PR
(13)D4-3-2
(13)D4-3-2
(14)Lo/Reverse
(14)Lo/Reverse
(14)Lo/Reverse
(15)Reverse
(16)Reverse Input (Rev. Clutch
(16)Reverse Input (Rev. Clutch
(16)Reverse Input (Rev. Clutch
(16)Reverse Input (Rev. Clutch
(17)D4
(17)D4
(17)D4
(17)D4
(18)Forward Clutch Feed
(18)Forward Clutch Feed
(18)Forward Clutch Feed
(18)Forward Clutch Feed
(19)Rear Lube
(20)Accumulator
(21)Orificed Accumulator
(22)Signal A
(22)Signal A
(22)Signal A
(24)2nd
(24)2nd
(24)2nd
(25)2nd Clutch
(25)2nd Clutch
(25)2nd Clutch
(25)2nd Clutch
(26)C.C. Signal
(26)C.C. Signal
(27)3-4 Signal
(27)3-4 Signal
(28)3rd Accumulator
(29)3-4 Clutch
(29)3-4 Clutch
(29)3-4 Clutch
(29)3-4 Clutch
(29)3-4 Clutch
(30)4th Signal
(31)Servo Feed
(32)4th
(32)4th
(33)3-4 Accumulator
(33)3-4 Accumulator
(33)3-4 Accumulator
(33)3-4 Accumulator
(33)3-4 Accumulator
(34)D3
(34)D3
(34)D3
(34)D3
(34)D3
(35)Overrun
(35)Overrun
(36)Overrun Clutch Feed
(36)Overrun Clutch Feed
(37)Overrun Clutch
(37)Overrun Clutch
(37)Overrun Clutch
(38)D2
(38)D2
(38)D2
(38)D2
(39)Orificed D2
(41)Lo
(41)Lo
(41)Lo
(42)Lo/1st
(42)Lo/1st
(43)Exhaust
(43)Exhaust
(44)Orificed Exhaust
(44)Orificed Exhaust
(47)Void
(47)Void
(47)Void
(47)Void
(47)Void
(47)Void
(47)Void
(47)Void
(47)Void
(47)Void
(47)Void
(47)Void
(47)Void
(47)Void
(47)Void
(47)Void
(48)Regulated Apply
(48)Regulated Apply
Figure 19:

Spacer Plate to Case Gasket


Object Number: 338537  Size: LF
(3)Line
(3)Line
(3)Line
(9)Actuator Feed Limit
(9)Actuator Feed Limit
(9)Actuator Feed Limit
(9)Actuator Feed Limit
(9)Actuator Feed Limit
(9)Actuator Feed Limit
(9)Actuator Feed Limit
(9)Actuator Feed Limit
(9)Actuator Feed Limit
(9)Actuator Feed Limit
(10)Filtered Actuator Feed
(10)Filtered Actuator Feed
(10)Filtered Actuator Feed
(10)Filtered Actuator Feed
(10)Filtered Actuator Feed
(11)Torque Signal
(11)Torque Signal
(11)Torque Signal
(12)PR
(12)PR
(12)PR
(12)PR
(12)PR
(13)D4-3-2
(13)D4-3-2
(14)Lo/Reverse
(14)Lo/Reverse
(14)Lo/Reverse
(15)Reverse
(15)Reverse
(16)Reverse Input (Rev. Cl.)
(16)Reverse Input (Rev. Cl.)
(16)Reverse Input (Rev. Cl.)
(17)D4
(17)D4
(17)D4
(17)D4
(18)Forward Clutch Feed
(18)Forward Clutch Feed
(18)Forward Clutch Feed
(18)Forward Clutch Feed
(18)Forward Clutch Feed
(20)Accumulator
(20)Accumulator
(20)Accumulator
(20)Accumulator
(21)Orificed Accumulator
(21)Orificed Accumulator
(22)Signal A
(22)Signal A
(24)2nd
(24)2nd
(24)2nd
(24)2nd
(24)2nd
(24)2nd
(24)2nd
(24)2nd
(25)2nd Clutch
(25)2nd Clutch
(25)2nd Clutch
(25)2nd Clutch
(25)2nd Clutch
(25)2nd Clutch
(25)2nd Clutch
(25)2nd Clutch
(25)2nd Clutch
(25)2nd Clutch
(25)2nd Clutch
(26)C.C. Signal
(26)C.C. Signal
(26)C.C. Signal
(27)3-4 Signal
(27)3-4 Signal
(27)3-4 Signal
(28)3rd Accumulator
(29)3-4 Clutch
(29)3-4 Clutch
(29)3-4 Clutch
(29)3-4 Clutch
(29)3-4 Clutch
(29)3-4 Clutch
(29)3-4 Clutch
(30)4th Signal
(30)4th Signal
(31)Servo Feed
(31)Servo Feed
(31)Servo Feed
(32)4th
(33)3-4 Accumulator
(33)3-4 Accumulator
(33)3-4 Accumulator
(34)D3
(34)D3
(34)D3
(34)D3
(34)D3
(34)D3
(35)Overrun
(35)Overrun
(36)Overrun Clutch Feed
(36)Overrun Clutch Feed
(37)Overrun Clutch
(38)D2
(38)D2
(38)D2
(38)D2
(39)Orificed D2
(39)Orificed D2
(41)Lo
(41)Lo
(41)Lo
(41)Lo
(42)Lo/1st
(42)Lo/1st
(43)Exhaust
(43)Exhaust
(44)Orificed Exhaust
(44)Orificed Exhaust
(47)Void
(47)Void
(48)Regulated Apply
(48)Regulated Apply
Figure 20:

Spacer Plate Fluid Passages


Object Number: 338553  Size: LF
(3)Line
(3)Line
(3)Line
(9)Actuator Feed Limit
(9)Actuator Feed Limit
(9)Actuator Feed Limit
(9)Actuator Feed Limit
(9)Actuator Feed Limit
(9)Actuator Feed Limit
(9)Actuator Feed Limit
(9)Actuator Feed Limit
(9)Actuator Feed Limit
(9)Actuator Feed Limit
(9/10)Actuator Feed Limit/Filtered Actuator Feed
(9/10)Actuator Feed Limit/Filtered Actuator Feed
(10)Filtered Actuator Feed
(10)Filtered Actuator Feed
(10/22)Filtered Actuator Feed/Signal A
(10/23)Filtered Actuator Feed/Signal B
(11)Torque Signal
(11)Torque Signal
(11)Torque Signal
(12)PR
(12)PR
(12)PR
(12)PR
(12)PR
(13)D4-3-2
(13)D4-3-2
(14)Lo/Reverse
(14)Lo/Reverse
(14)Lo/Reverse
(15)Reverse
(15)Reverse
(15/16)Reverse/Reverse Input (Rev. Clutch
(15/16)Reverse/Reverse Input (Rev. Clutch
(16)Reverse Input (Rev. Clutch
(17)D4
(17)D4
(17)D4
(17)D4
(17)D4
(17/18)D4
(17/18)D4
(18)Forward Clutch Feed
(18)Forward Clutch Feed
(18)Forward Clutch Feed
(20)Accumulator
(20)Accumulator
(20)Accumulator
(20/21)Accumulator/Orificed Accumulator
(20/21)Accumulator/Orificed Accumulator
(21)Orificed Accumulator
(22)Signal A
(22)Signal A
(24)2nd
(24)2nd
(24)2nd
(24)2nd
(24)2nd
(24)2nd
(24)2nd
(24)2nd
(24/25)2nd/2nd Clutch
(24/25)2nd/2nd Clutch
(25)2nd Clutch
(25)2nd Clutch
(25)2nd Clutch
(25)2nd Clutch
(25)2nd Clutch
(25)2nd Clutch
(26)C.C. Signal
(26)C.C. Signal
(27)3-4 Signal
(27)3-4 Signal
(27/29)3-4 Signal
(27/29)3-4 Signal
(28)3rd Accumulator
(29/28)3-4 Clutch/3rd Accumulator
(29/28)3-4 Clutch/3rd Accumulator
(29)3-4 Clutch
(29)3-4 Clutch
(29)3-4 Clutch
(29)3-4 Clutch
(29)3-4 Clutch
(30)4th Signal
(30)4th Signal
(31)Servo Feed
(31)Servo Feed
(31)Servo Feed
(32)4th
(33)3-4 Accumulator
(33)3-4 Accumulator
(33)3-4 Accumulator
(34)D3
(34)D3
(34)D3
(34)D3
(34)D3
(34)D3
(35a)Overrun
(35)Overrun
(35/36)Overrun/Overrun Clutch Feed
(35/36)Overrun/Overrun Clutch Feed
(35/39)Overrun/Orificed D2
(36)Overrun Clutch Feed
(37)Overrun Clutch
(38)D2
(38)D2
(38)D2
(38)D2
(38/39)D2/Orificed D2
(41)Lo
(41)Lo
(41)Lo
(41)Lo
(42)Lo/1st
(42)Lo/1st
(43)Exhaust
(43/44)Exhaust/Orificed Exhaust
(43/44)Exhaust/Orificed Exhaust
(44)Orificed Exhaust
(47)Void
(48)Regulated Apply
(48)Regulated Apply
(49)Shift Solenoids Screen
(50)Pressure Control Solenoid Screen
Figure 21:

Spacer Plate to Control Valve Body Gasket


Object Number: 338563  Size: LF
(3)Line
(3)Line
(3)Line
(9)Actuator Feed Limit
(9)Actuator Feed Limit
(9)Actuator Feed Limit
(9)Actuator Feed Limit
(9)Actuator Feed Limit
(9)Actuator Feed Limit
(9)Actuator Feed Limit
(9)Actuator Feed Limit
(9)Actuator Feed Limit
(10)Filtered Actuator Feed
(10)Filtered Actuator Feed
(10)Filtered Actuator Feed
(10)Filtered Actuator Feed
(11)Torque Signal
(11)Torque Signal
(11)Torque Signal
(12)PR
(12)PR
(12)PR
(12)PR
(12)PR
(13)D4-3-2
(13)D4-3-2
(14)Lo/Reverse
(14)Lo/Reverse
(14)Lo/Reverse
(15)Reverse
(15)Reverse
(15)Reverse
(16)Reverse Input (Rev. Cl.)
(17)D4
(17)D4
(17)D4
(17)D4
(17)D4
(17)D4
(18)Forward Clutch Feed
(18)Forward Clutch Feed
(18)Forward Clutch Feed
(20)Accumulator
(20)Accumulator
(20)Accumulator
(21)Orificed Accumulator
(22)Signal A
(22)Signal A
(22)Signal A
(23)Signal B
(24)2nd
(24)2nd
(24)2nd
(24)2nd
(24)2nd
(24)2nd
(24)2nd
(24)2nd
(24)2nd
(25)2nd Clutch
(25)2nd Clutch
(25)2nd Clutch
(25)2nd Clutch
(25)2nd Clutch
(25)2nd Clutch
(25)2nd Clutch
(25)2nd Clutch
(25)2nd Clutch
(26)C.C. Signal
(26)C.C. Signal
(27)3-4 Signal
(27)3-4 Signal
(28)3rd Accumulator
(28)3rd Accumulator
(29)3-4 Clutch
(29)3-4 Clutch
(29)3-4 Clutch
(29)3-4 Clutch
(29)3-4 Clutch
(29)3-4 Clutch
(30)4th Signal
(30)4th Signal
(31)Servo Feed
(31)Servo Feed
(31)Servo Feed
(32)4th
(33)3-4 Accumulator
(33)3-4 Accumulator
(33)3-4 Accumulator
(34)D3
(34)D3
(34)D3
(34)D3
(34)D3
(34)D3
(35)Overrun
(35)Overrun
(35/39)Overrun/Orificed D2
(36)Overrun Clutch Feed
(37)Overrun Clutch
(38)D2
(38)D2
(38)D2
(38)D2
(38)D2
(40)3-2 Signal
(40)3-2 Signal
(41)Lo
(41)Lo
(41)Lo
(41)Lo
(42)Lo/1st
(42)Lo/1st
(43)Exhaust
(43)Exhaust
(44)Orificed Exhaust
(44)Orificed Exhaust
(47)Void
(48)Regulated Apply
(48)Regulated Apply
Figure 22:

Control Valve Body Fluid Passages (Case Side)


Object Number: 338570  Size: LF
(#2)Checkball (61)
(#3)Checkball (61)
(#4)Checkball (61)
(#5)Checkball (61)
(#6)Checkball (61)
(#8)Checkball (61)
(#12)Checkball (61)
(3)Line
(3)Line
(3)Line
(3)Line
(3)Line
(3)Line
(9)Actuator Feed Limit
(9)Actuator Feed Limit
(9)Actuator Feed Limit
(9)Actuator Feed Limit
(9)Actuator Feed Limit
(9)Actuator Feed Limit
(9)Actuator Feed Limit
(9)Actuator Feed Limit
(9)Actuator Feed Limit
(10)Filtered Actuator Feed
(10)Filtered Actuator Feed
(11)Torque Signal
(11)Torque Signal
(11)Torque Signal
(11)Torque Signal
(12)PR
(12)PR
(12)PR
(13)D4-3-2
(13)D4-3-2
(14)Lo/Reverse
(14)Lo/Reverse
(15)Reverse
(15)Reverse
(15)Reverse
(16)Reverse Input (Rev. Clutch
(17)D4
(17)D4
(17)D4
(17)D4
(17)D4
(17)D4
(17)D4
(18)Forward Clutch Feed
(18)Forward Clutch Feed
(20)Accumulator
(20)Accumulator
(22)Signal A
(22)Signal A
(23)Signal B
(24)2nd
(24)2nd
(24)2nd
(24)2nd
(24)2nd
(24)2nd
(24)2nd
(25)2nd Clutch
(25)2nd Clutch
(25)2nd Clutch
(25)2nd Clutch
(25)2nd Clutch
(25)2nd Clutch
(26)C.C. Signal
(26)C.C. Signal
(27)3-4 Signal
(27)3-4 Signal
(28)3rd Accumulator
(28)3rd Accumulator
(29)3-4 Clutch
(29)3-4 Clutch
(29)3-4 Clutch
(30)4th Signal
(30)4th Signal
(31)Servo Feed
(31)Servo Feed
(31)Servo Feed
(32)4th
(33)3-4 Accumulator
(33)3-4 Accumulator
(34)D3
(34)D3
(34)D3
(34)D3
(34)D3
(35)Overrun
(35)Overrun
(36)Overrun Clutch Feed
(37)Overrun Clutch
(38)D2
(38)D2
(38)D2
(40)3-2 Signal
(41)Lo
(41)Lo
(41)Lo
(42)Lo/1st
(42)Lo/1st
(42)Lo/1st
(43)Exhaust
(43)Exhaust
(43)Exhaust
(43)Exhaust
(43)Exhaust
(43)Exhaust
(43)Exhaust
(47)Void
(47)Void
(47)Void
(47)Void
(47)Void
(47)Void
(47)Void
(47)Void
(47)Void
(47)Void
(47)Void
(47)Void
(47)Void
(47)Void
(47)Void
(47)Void
(47)Void
(47)Void
(47)Void
(47)Void
(47)Void
(47)Void
(48)Regulated Apply
(48)Regulated Apply
Figure 23:

2-4 Servo Fluid Passages


Object Number: 10130  Size: LF
(#7)3rd Accumulator Retainer and Ball Assembly (40)
(#7)3rd Accumulator Retainer and Ball Assembly (40)
(11)Case Servo Orificed Plug
(11)Case Servo Orificed Plug
(25)2nd Clutch
(25)2nd Clutch
(25)2nd Clutch
(28)3rd Accumulator
(28)3rd Accumulator
(28)3rd Accumulator
(32)4th
(32)4th
(32)4th
(32)4th
(43)Exhaust
(43)Exhaust
(44)Orificed Exhaust
(44)Orificed Exhaust
Figure 24:

1-2 Accumulator Cover Fluid Passages


Object Number: 213852  Size: MF
(20)Accumulator
(21)Orificed Accumulator
(25)2nd Clutch
(25)2nd Clutch