GM Service Manual Online
For 1990-2009 cars only

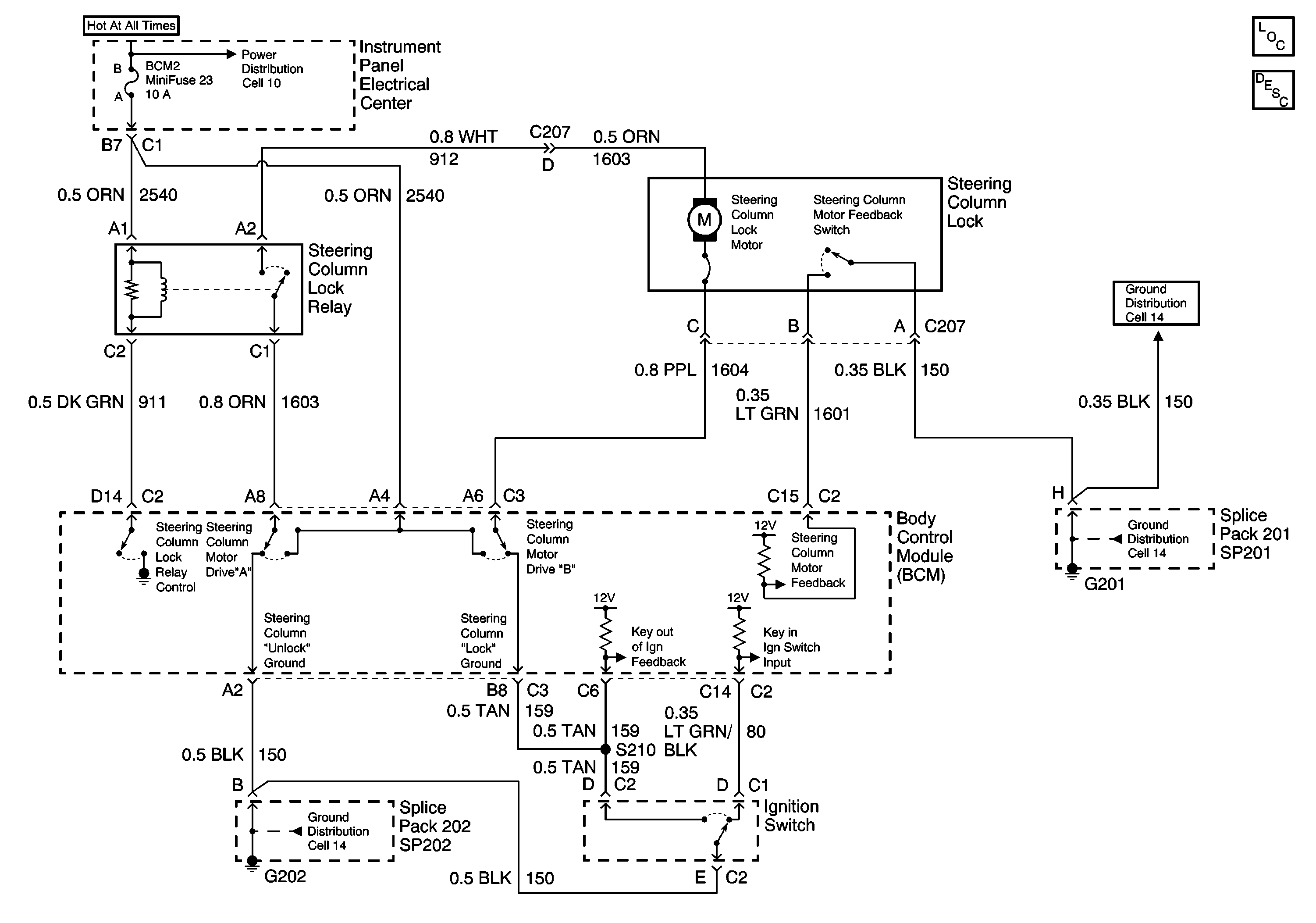
SMU - Revised Steering Column Lock Relay Schematics

Subject:Revised Steering Column Lock Relay Schematics

Models:1998 Chevrolet Corvette



This bulletin in being issued to revise the Steering Column Lock Relay Schematics.

Please use the following to replace the existing information in the Steering Wheel and Column sub-section in the Service Manual.

Cell 139: Steering Wheel Lock System (Early Production)


Object Number: 660639  Size: LF

Cell 139: Steering Column Lock (Late Production)


Object Number: 660644  Size: LF