GM Service Manual Online
For 1990-2009 cars only
Makes
🢒
Chevrolet
🢒
1999
🢒
Corvette
🢒
Engine
🢒
Engine Electrical
🢒 Starting and Charging Schematics
Figure
1:
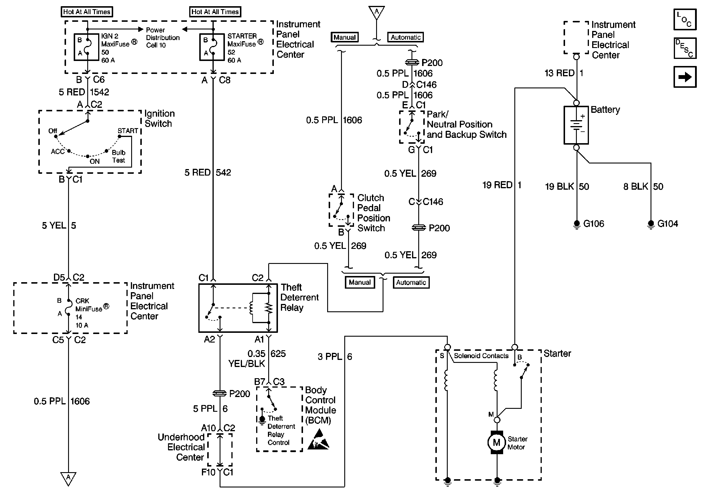
Cell 30: Starting System
Engine Electrical Components
Starting System Description
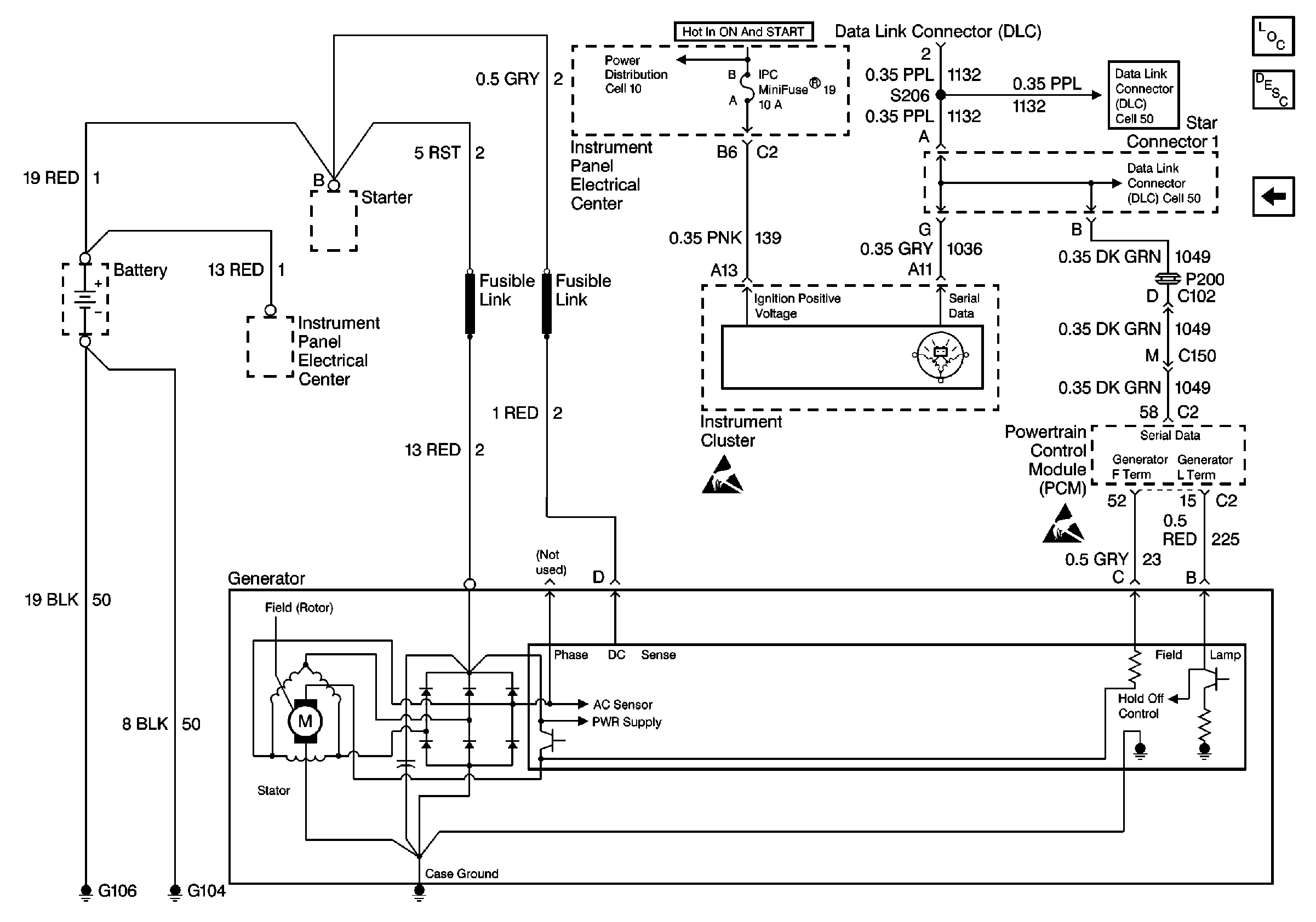
Cell 30: Charging System
Handling ESD Sensitive Parts Notice
Cell 10: I/P Fuses 50, 47, Ignition Switch
Figure
2:
Cell 30: Charging System
Engine Electrical Components
Charging System Description
Cell 30: Starting System
Class 2 Serial Data Cell 50
Class 2 Serial Data Cell 50
Cell 10: I/P Fuses 15, 16, 13, 20, 19
Handling ESD Sensitive Parts Notice
Handling ESD Sensitive Parts Notice