GM Service Manual Online
For 1990-2009 cars only

Removal Procedure


    Object Number: 581266  Size: SH
  1. Raise and support the vehicle. Refer to Lifting and Jacking the Vehicle in General Information.
  2. Remove the tire and wheel assembly. Refer to Tire and Wheel Removal and Installation in Tires and Wheels.
  3. Disconnect the rear shock absorber solenoid electrical connector, if equipped.

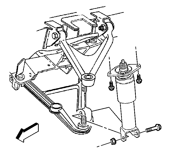
  4. Object Number: 65329  Size: SH
  5. Remove the lower mounting bolt retaining the shock absorber to the lower control arm.
  6. Remove the shock upper mounting bolts.
  7. Remove the shock absorber from the lower control arm and shock tower.
  8. Remove the upper insulator retainer and insulator from the shock absorber.

Installation Procedure


    Object Number: 65329  Size: SH
  1. Install the upper insulator and insulator retainer to the shock absorber.
  2. Install the shock absorber to the shock tower and to the lower control arm.
  3. Install the upper shock absorber mounting bolts.
  4. Notice: Use the correct fastener in the correct location. Replacement fasteners must be the correct part number for that application. Fasteners requiring replacement or fasteners requiring the use of thread locking compound or sealant are identified in the service procedure. Do not use paints, lubricants, or corrosion inhibitors on fasteners or fastener joint surfaces unless specified. These coatings affect fastener torque and joint clamping force and may damage the fastener. Use the correct tightening sequence and specifications when installing fasteners in order to avoid damage to parts and systems.

  5. Install the lower shock absorber mounting bolt.
  6. Tighten

        • Tighten the upper mounting bolts to 29.5 N·m (22 lb ft).
        • Tighten the shock absorber lower mounting nut to 145 N·m (107 lb ft).

    Object Number: 581266  Size: SH
  7. Connect the shock absorber solenoid electrical connector, if equipped.
  8. Install the tire and wheel assembly. Refer to Tire and Wheel Removal and Installation in Tires and Wheels.
  9. Lower the vehicle.