GM Service Manual Online
For 1990-2009 cars only
Makes
🢒
Chevrolet
🢒
1999
🢒
Corvette
🢒
Body and Accessories
🢒
Lighting Systems
🢒 Interior Lights Schematics
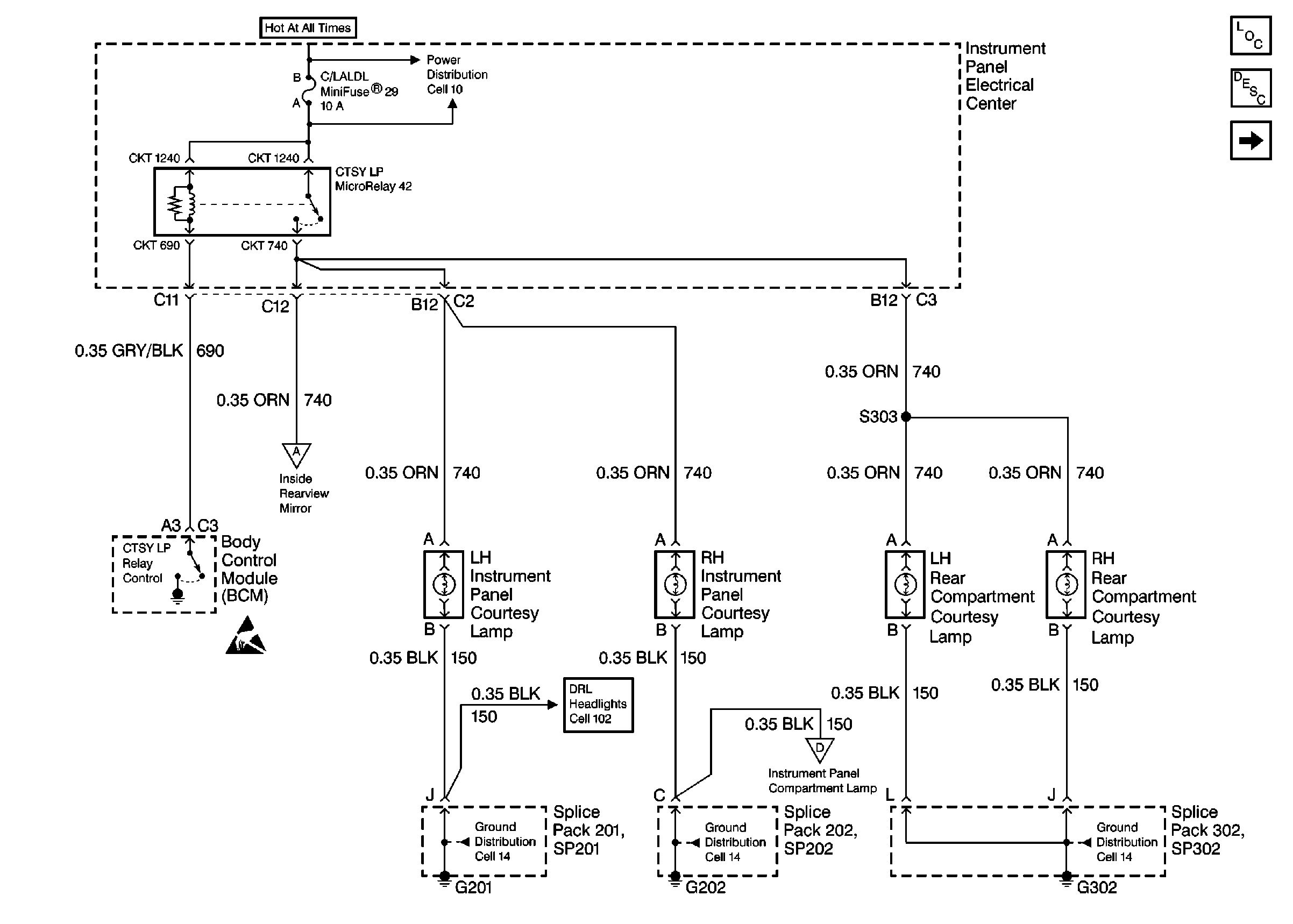
Figure
1:
Cell 114: CTSY LP Relay Control
Lighting Systems Components
Interior Lights Circuit Description
Cell 114: MONITORED LD Relay Control
Cell 14: SP302, G302
Cell 114: MONITORED LD Relay Control
Cell 14: SP202, G202
Cell 14: SP201, SP203, G201
Cell 102: Headlamp Switch and Ambient Light Sensor
Handling ESD Sensitive Parts Notice
Cell 114: Inside Rearview Mirror
Cell 10: I/P Fuses 25, 23, 29, Relay 42
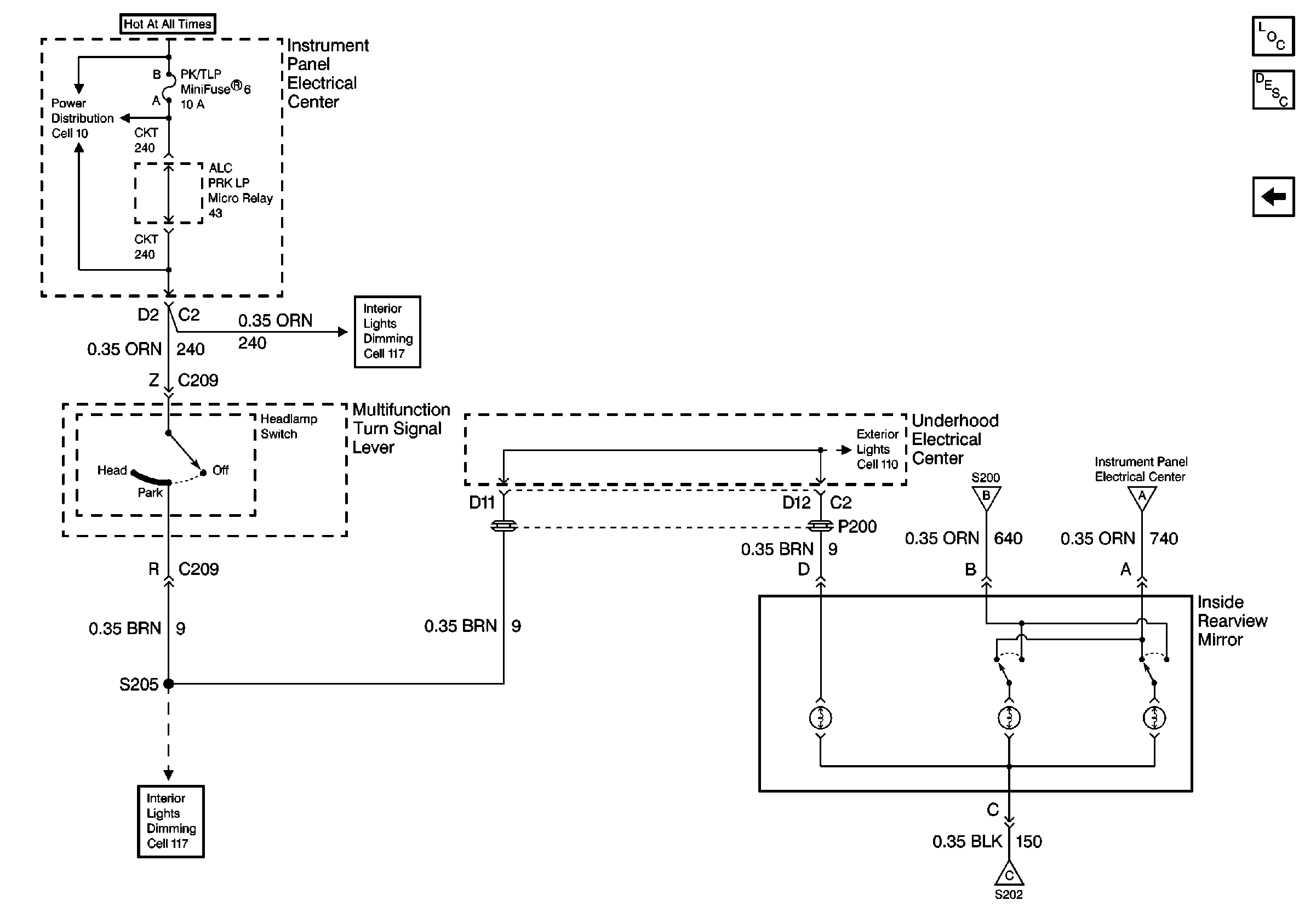
Figure
2:
Cell 114: MONITORED LD Relay Control
Lighting Systems Components
Interior Lights Circuit Description
Cell 114: Inside Rearview Mirror
Cell 114: CTSY LP Relay Control
Cell 114: Inside Rearview Mirror
Cell 14: SP202, G202
Cell 14: SP101, SP100, G101, G102
Cell 114: CTSY LP Relay Control
Cell 10: I/P Fuse 2, Relay 37
Figure
3:
Cell 114: Inside Rearview Mirror
Lighting Systems Components
Interior Lights Circuit Description
Cell 114: MONITORED LD Relay Control
Cell 114: CTSY LP Relay Control
Cell 114: MONITORED LD Relay Control
Cell 114: MONITORED LD Relay Control
Cell 10: I/P Fuses 52, 6, Relays 43, 44, Circuit Breaker 54
Cell 117: ALC PRK LP Relay
Cell 117: ALC PRK LP Relay