GM Service Manual Online
For 1990-2009 cars only
Makes
🢒
Chevrolet
🢒
1999
🢒
Corvette
🢒
Body and Accessories
🢒
Entertainment
🢒 Power Antenna Schematics
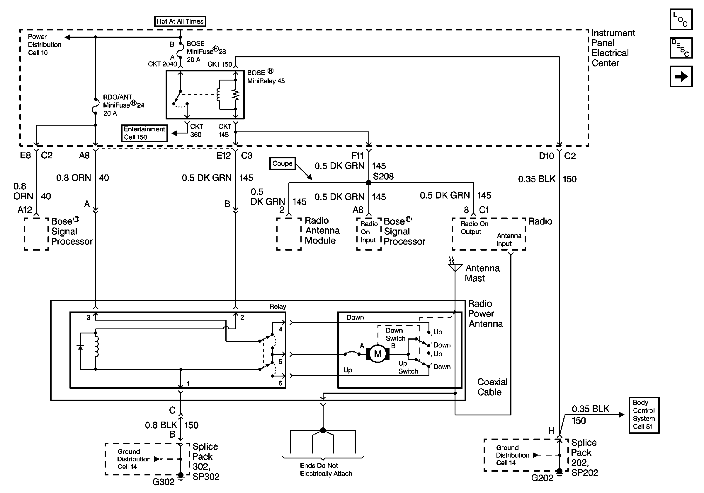
Figure
1:
Cell 151: Power Antenna
Entertainment Component Views
Radio/Audio System Circuit Description
Cell 151: Fixed Antenna and Radio Antenna Module
Cell 51: Hood Ajar Indicator Switch
Cell 14: SP201, SP203, G201
Cell 14: SP302, G302
Cell 150: Bose Relay Control (Bose)
Cell 10: I/P Fuses 3, 5, 24, Circuit Breaker 36
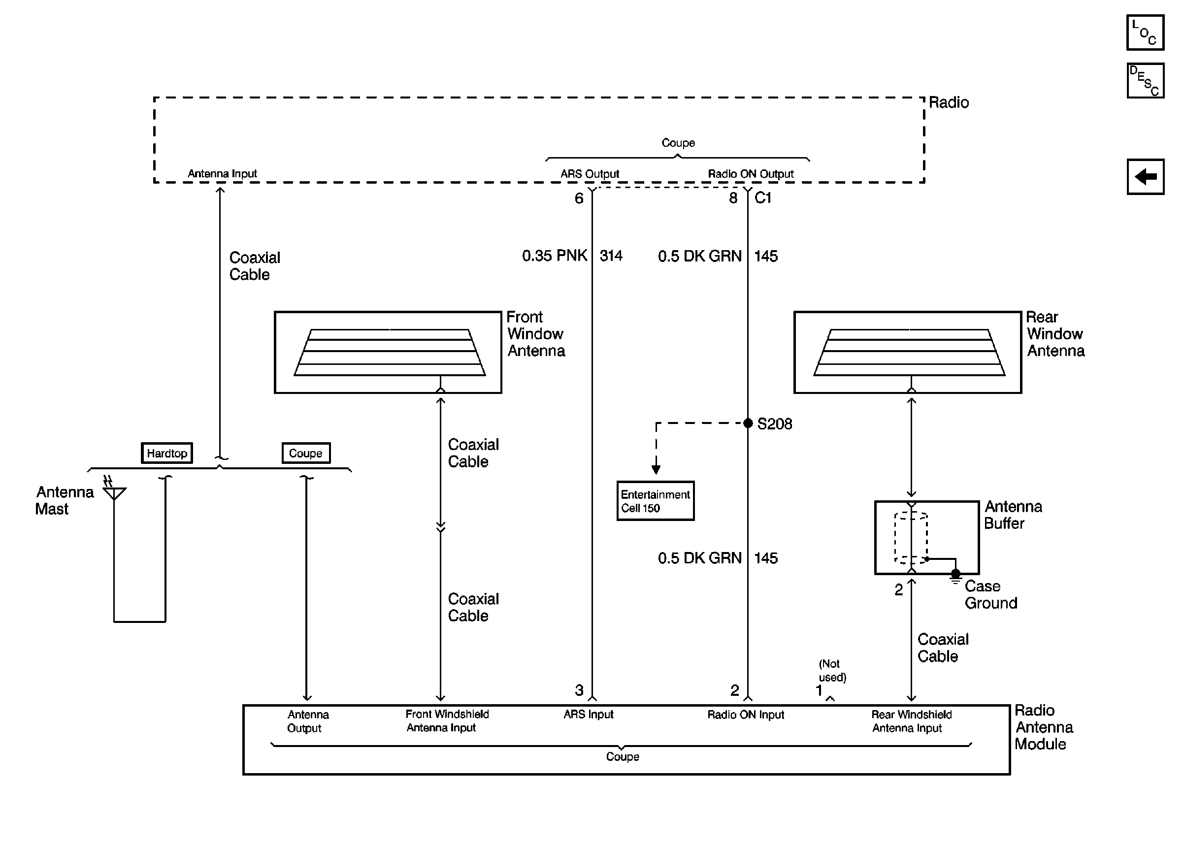
Figure
2:
Cell 151: Fixed Antenna and Radio Antenna Module
Entertainment Component Views
Radio/Audio System Circuit Description
Cell 151: Power Antenna
Cell 150: Bose Relay Control (Bose)