GM Service Manual Online
For 1990-2009 cars only
Figure 1:

Cell 14: SP101, SP100, G101, G102


Object Number: 429632  Size: FS
Power and Grounding Components
Cell 14: SP102, SP208, G104
Cell 14: SP102, SP208, G104
Figure 2:

Cell 14: SP102, SP208, G104


Object Number: 429706  Size: FS
Power and Grounding Components
Cell 14: SP122, G106, G105
Cell 14: SP101, SP100, G101, G102
Cell 14: SP122, G106, G105
Cell 14: SP101, SP100, G101, G102
Figure 3:

Cell 14: SP122, G106, G105


Object Number: 429628  Size: FS
Power and Grounding Components
Cell 14: G107, G108
Cell 14: SP102, SP208, G104
Cell 14: SP102, SP208, G104
Figure 4:

Cell 14: G107, G108


Object Number: 429620  Size: FS
Power and Grounding Components
Cell 14: SP201, SP203, G201
Cell 14: SP122, G106, G105
Figure 5:

Cell 14: SP201, SP203, G201


Object Number: 429704  Size: FS
Power and Grounding Components
Cell 14: SP202, G202
Cell 14: G107, G108
Figure 6:

Cell 14: SP202, G202


Object Number: 429648  Size: FS
Power and Grounding Components
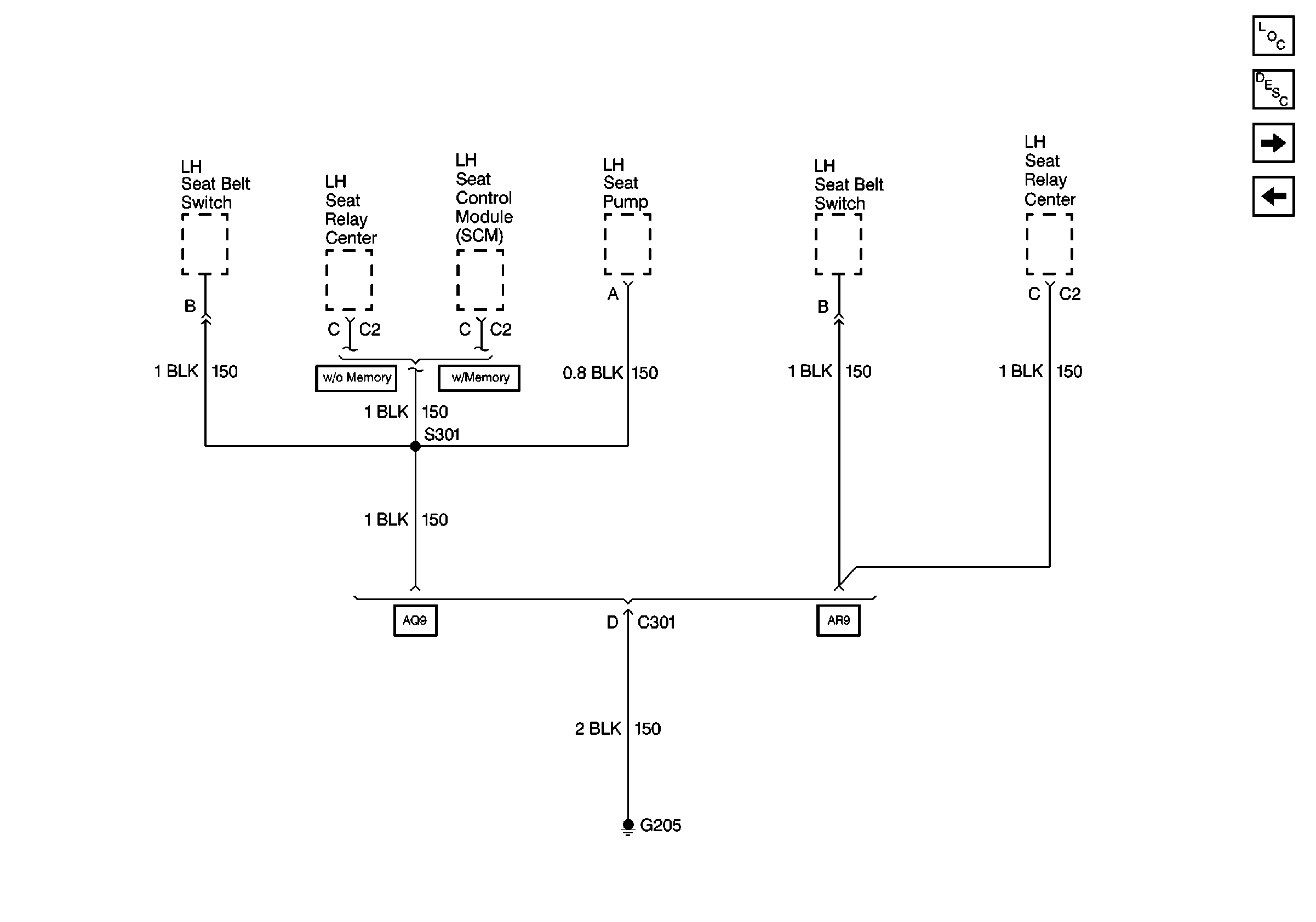
Cell 14: G205
Cell 14: SP201, SP203, G201
Figure 7:

Cell 14: G205


Object Number: 429701  Size: FS
Power and Grounding Components
Cell 14: SP302, G302
Cell 14: SP202, G202
Figure 8:

Cell 14: SP302, G302


Object Number: 429624  Size: FS
Power and Grounding Components
Cell 14: SP400, G401
Cell 14: G205
Figure 9:

Cell 14: SP400, G401


Object Number: 429636  Size: FS
Power and Grounding Components
Cell 14: SP402 (Japan)
Cell 14: SP302, G302
Figure 10:

Cell 14: SP402 (Japan)


Object Number: 429639  Size: FS
Power and Grounding Components
Cell 14: SP402 (Europe)
Cell 14: SP400, G401
Cell 14: SP400, G401
Figure 11:

Cell 14: SP402 (Europe)


Object Number: 429642  Size: FS
Power and Grounding Components
Cell 14: SP402 (Japan)
Cell 14: SP400, G401