GM Service Manual Online
For 1990-2009 cars only
Makes
🢒
Chevrolet
🢒
1999
🢒
Corvette
🢒
Body and Accessories
🢒
Wiring Systems
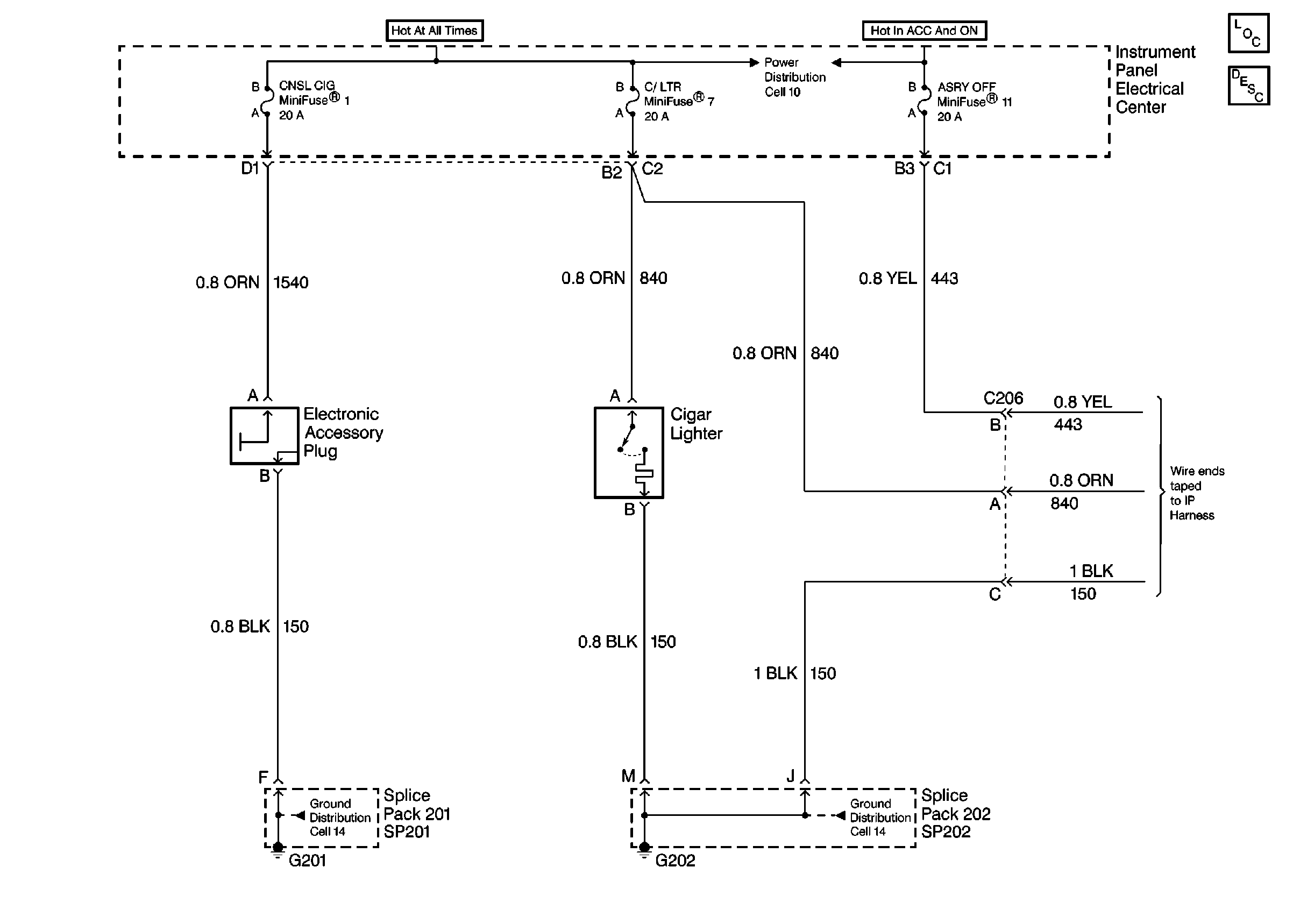
🢒 Cigar Lighter/Power Outlet Schematics
Cell 19
Power and Grounding Components
Cell 10: I/P Fuses 28, 8, 1, 7, Relay 45
Cell 14: SP202, G202
Cell 14: SP201, SP203, G201