GM Service Manual Online
For 1990-2009 cars only
Figure 1:

Cell 34: Cruise Control Switch


Object Number: 430545  Size: FS
Cruise Control Components
Cruise Control System Description
Cell 34: Power and Ground
Handling ESD Sensitive Parts Notice
Powertrain Control Module Connector End Views
Handling ESD Sensitive Parts Notice
Cell 10: I/P Fuses 15, 16, 13, 20, 19
Figure 2:

Cell 34: Power and Ground


Object Number: 430547  Size: FS
Cruise Control Components
Cruise Control System Description
Cell 34: TP and APP
Cell 34: Cruise Control Switch
Cell 110: Hazard Warning and Turn Signal Switches
Cell 10: I/P Fuses 28, 8, 1, 7, Relay 45
Cell 10: U/H Fuses 16, 19, Relay 42
Cell 110: Stoplamp Switch
Cell 14: SP122, G106, G105
Cell 20: Power, Ground, DLC and MIL
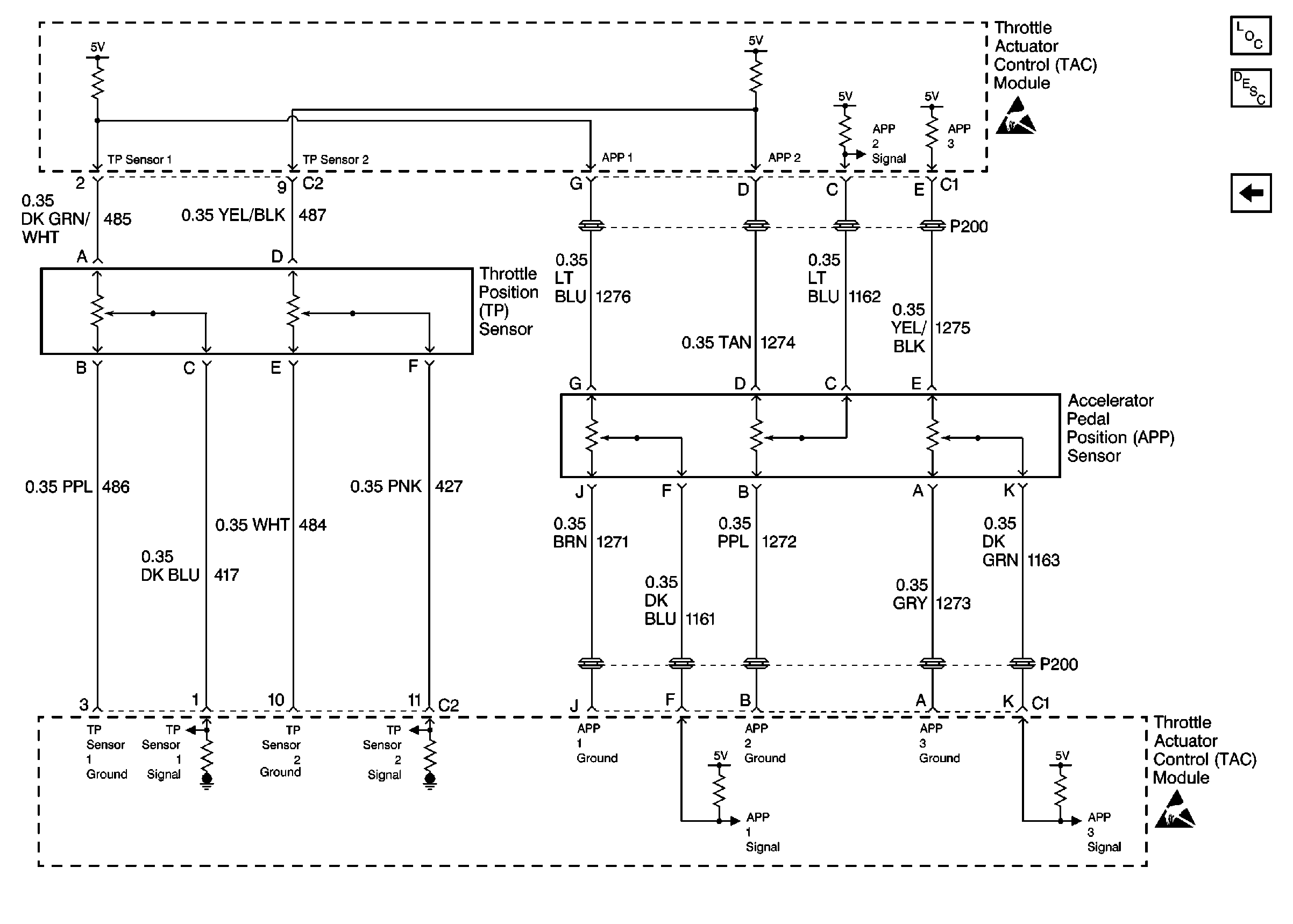
Figure 3:

Cell 34: TP and APP


Object Number: 430549  Size: FS
Cruise Control Components
Cruise Control System Description
Cell 34: Power and Ground
Handling ESD Sensitive Parts Notice
Handling ESD Sensitive Parts Notice