GM Service Manual Online
For 1990-2009 cars only
Makes
🢒
Chevrolet
🢒
1999
🢒
Corvette
🢒
Body and Accessories
🢒
Stationary Windows
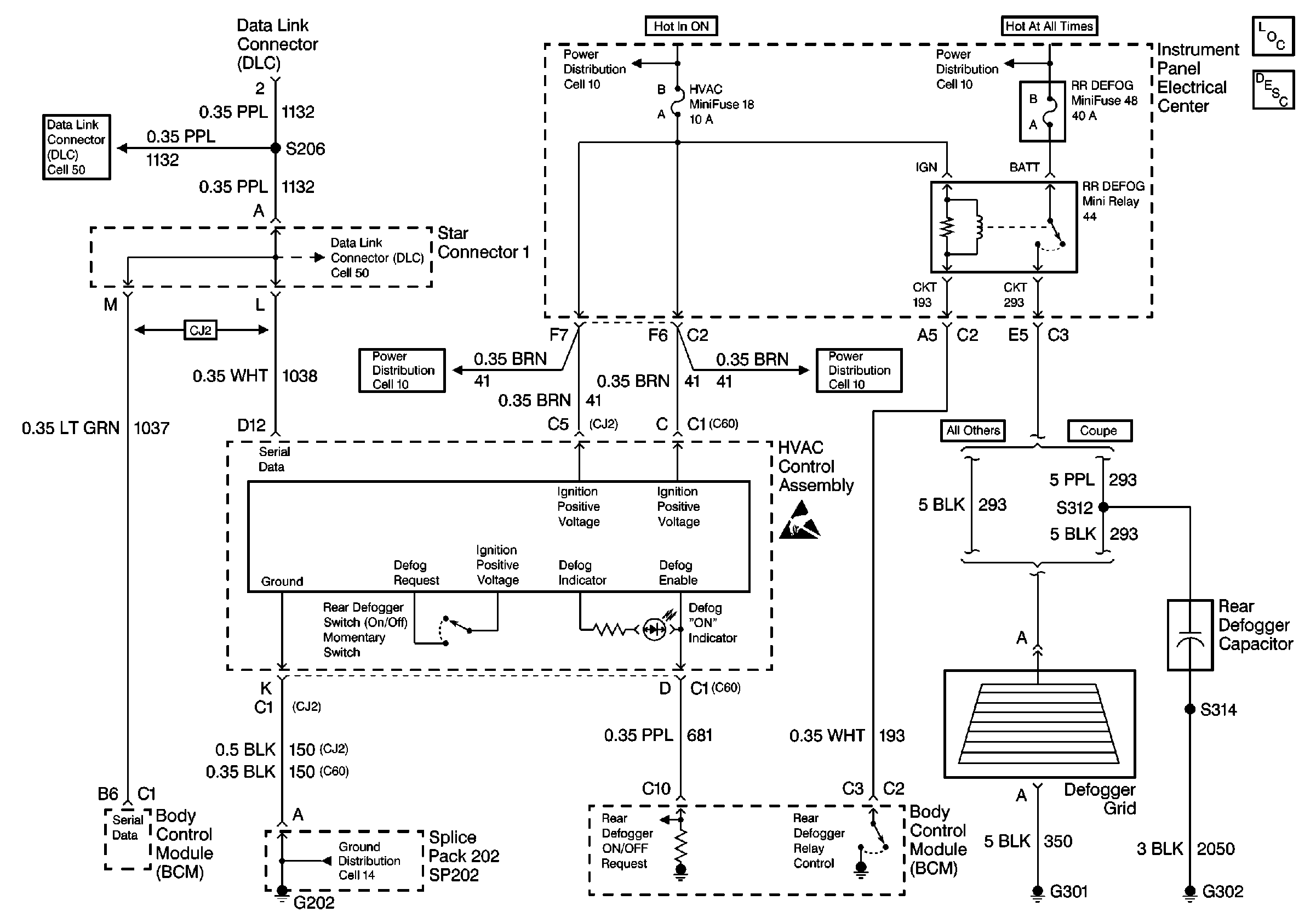
🢒 Defogger Schematics
Cell 61
Stationary Windows Components
Class 2 Serial Data Cell 50
Class 2 Serial Data Cell 50
Cell 10: I/P Fuses 21, 18, 48, Relay 44
Cell 10: I/P Fuses 21, 18, 48, Relay 44
Cell 10: I/P Fuses 21, 18, 48, Relay 44
Cell 10: I/P Fuses 21, 18, 48, Relay 44
Handling ESD Sensitive Parts Notice
Cell 14: SP202, G202