GM Service Manual Online
For 1990-2009 cars only
Figure 1:

Cell 55: LH Door Power, Ground and DLC


Object Number: 431116  Size: FS
Power Door Systems Components
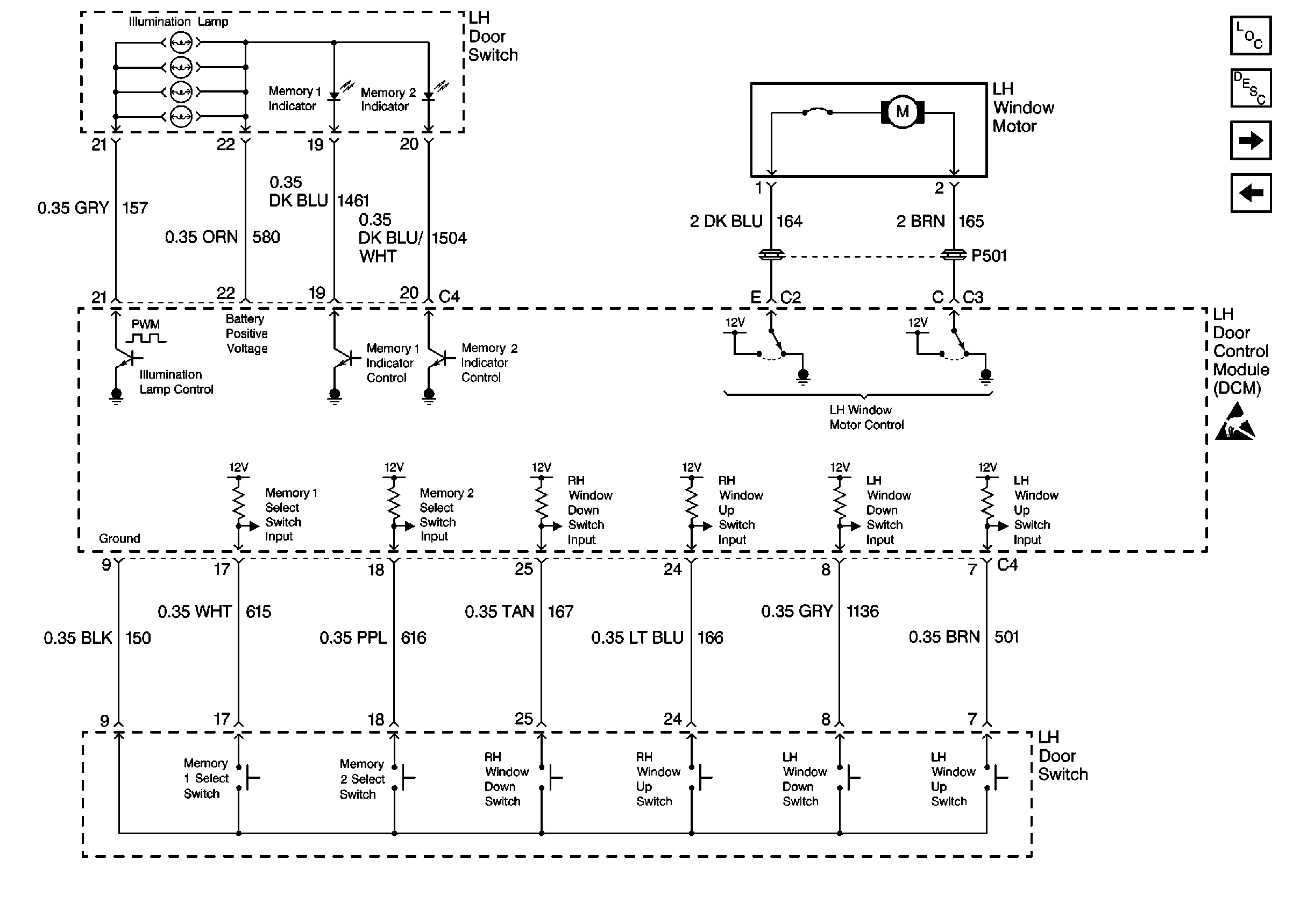
Cell 55: LH Door Switch Inputs
Cell 10: I/P Fuses 33, 34, 30, 31, 4, Circuit Breaker 35
Class 2 Serial Data Cell 50
Class 2 Serial Data Cell 50
Handling ESD Sensitive Parts Notice
Handling ESD Sensitive Parts Notice
Cell 14: SP201, SP203, G201
Figure 2:

Cell 55: LH Door Switch Inputs


Object Number: 431121  Size: FS
Power Door Systems Components
Cell 55: LH Door Mirror Control
Cell 55: LH Door Power, Ground and DLC
Handling ESD Sensitive Parts Notice
Figure 3:

Cell 55: LH Door Mirror Control


Object Number: 431122  Size: FS
Power Door Systems Components
Cell 55: RH Door Power, Ground and DLC
Cell 55: LH Door Switch Inputs
Handling ESD Sensitive Parts Notice
Handling ESD Sensitive Parts Notice
Figure 4:

Cell 55: RH Door Power, Ground and DLC


Object Number: 431123  Size: FS
Power Door Systems Components
Cell 55: RH Door Mirror and Window Control
Cell 55: LH Door Mirror Control
Cell 10: I/P Fuses 33, 34, 30, 31, 4, Circuit Breaker 35
Class 2 Serial Data Cell 50
Class 2 Serial Data Cell 50
Handling ESD Sensitive Parts Notice
Handling ESD Sensitive Parts Notice
Cell 14: SP202, G202
Figure 5:

Cell 55: RH Door Mirror and Window Control


Object Number: 431126  Size: FS
Power Door Systems Components
Cell 55: RH Door Power, Ground and DLC
Handling ESD Sensitive Parts Notice
Handling ESD Sensitive Parts Notice