GM Service Manual Online
For 1990-2009 cars only
Figure 1:

Cell 141: Power, Ground and DLC


Object Number: 431489  Size: FS
Power Seat Systems Components
Power Seats Circuit Description
Cell 141: LH Seat Control Module
Class 2 Serial Data Cell 50
Class 2 Serial Data Cell 50
Handling ESD Sensitive Parts Notice
Cell 14: G205
Driver Seat Cell 142
Cell 10: I/P Fuses 33, 34, 30, 31, 4, Circuit Breaker 35
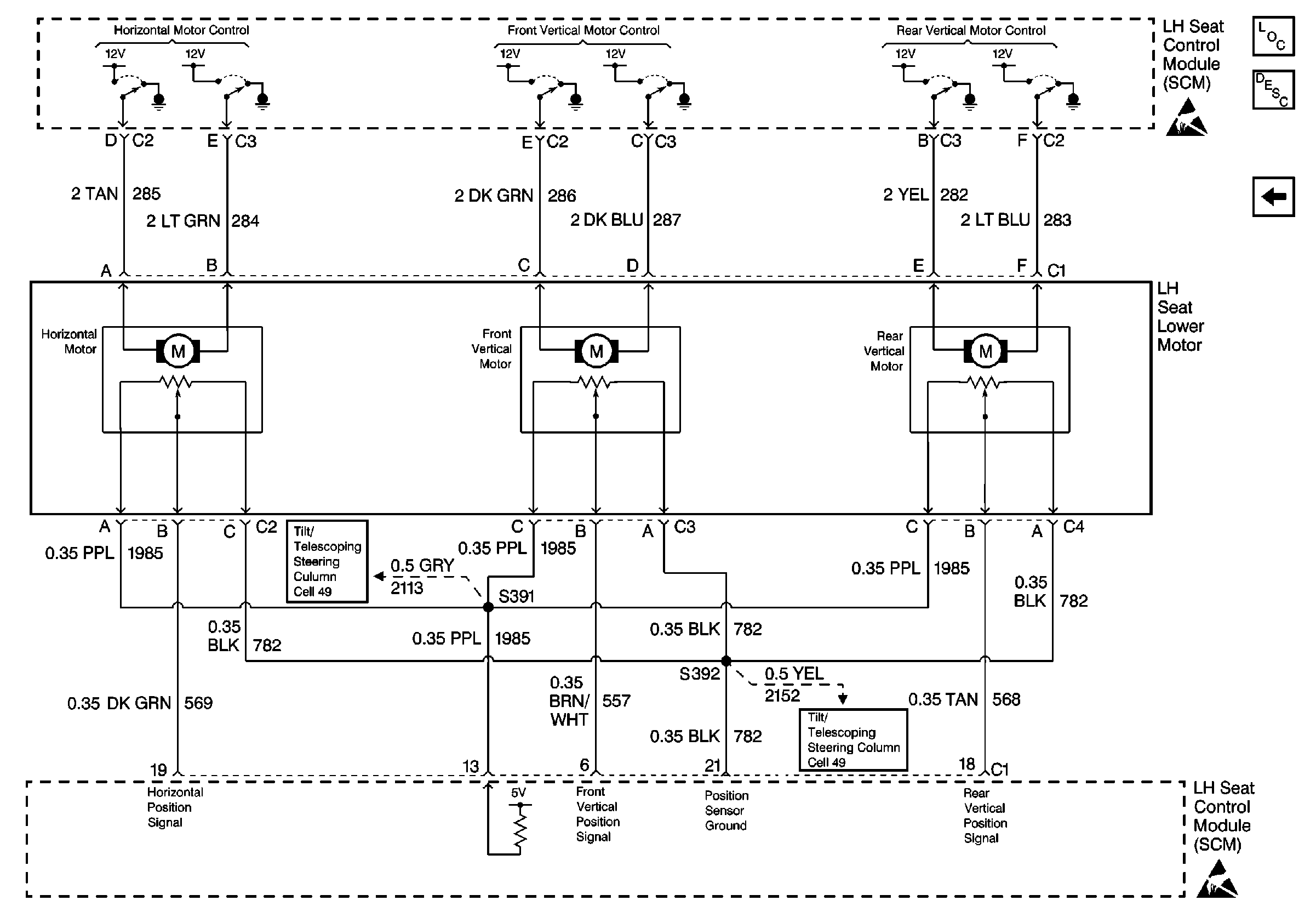
Figure 2:

Cell 141: LH Seat Control Module


Object Number: 431492  Size: FS
Power Seat Systems Components
Power Seats Circuit Description
Cell 141: LH Seat Control Module W/Telescoping Steering Column
Cell 141: Power, Ground and DLC
Handling ESD Sensitive Parts Notice
Handling ESD Sensitive Parts Notice
Cell 49: Telescoping Steering Column
Cell 49: Telescoping Steering Column
Figure 3:

Cell 141: LH Seat Control Module W/Telescoping Steering Column


Object Number: 520690  Size: FS
Power Seat Systems Components
Power Seats Circuit Description
Cell 141: Power, Ground and DLC
Handling ESD Sensitive Parts Notice
Handling ESD Sensitive Parts Notice
Cell 49: Telescoping Steering Column
Cell 49: Telescoping Steering Column