GM Service Manual Online
For 1990-2009 cars only
Makes
🢒
Chevrolet
🢒
1999
🢒
Corvette
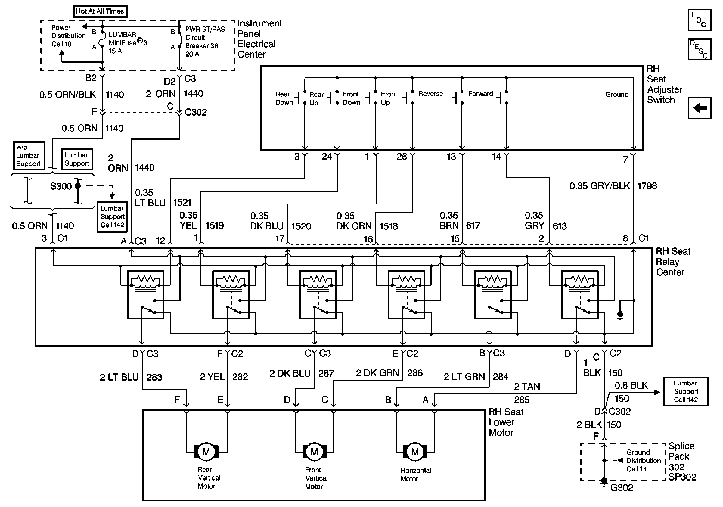
🢒 Passenger Seat Cell 140
Passenger Seat Cell 140
Passenger Seat Cell 140
Power Seat Systems Components
Power Seats Circuit Description
Driver Seat Cell 140
Cell 14: SP302, G302
Cell 14: SP302, G302
Passenger Seat Cell 142
Cell 10: I/P Fuses 3, 5, 24, Circuit Breaker 36