GM Service Manual Online
For 1990-2009 cars only
Makes
🢒
Chevrolet
🢒
1999
🢒
Corvette
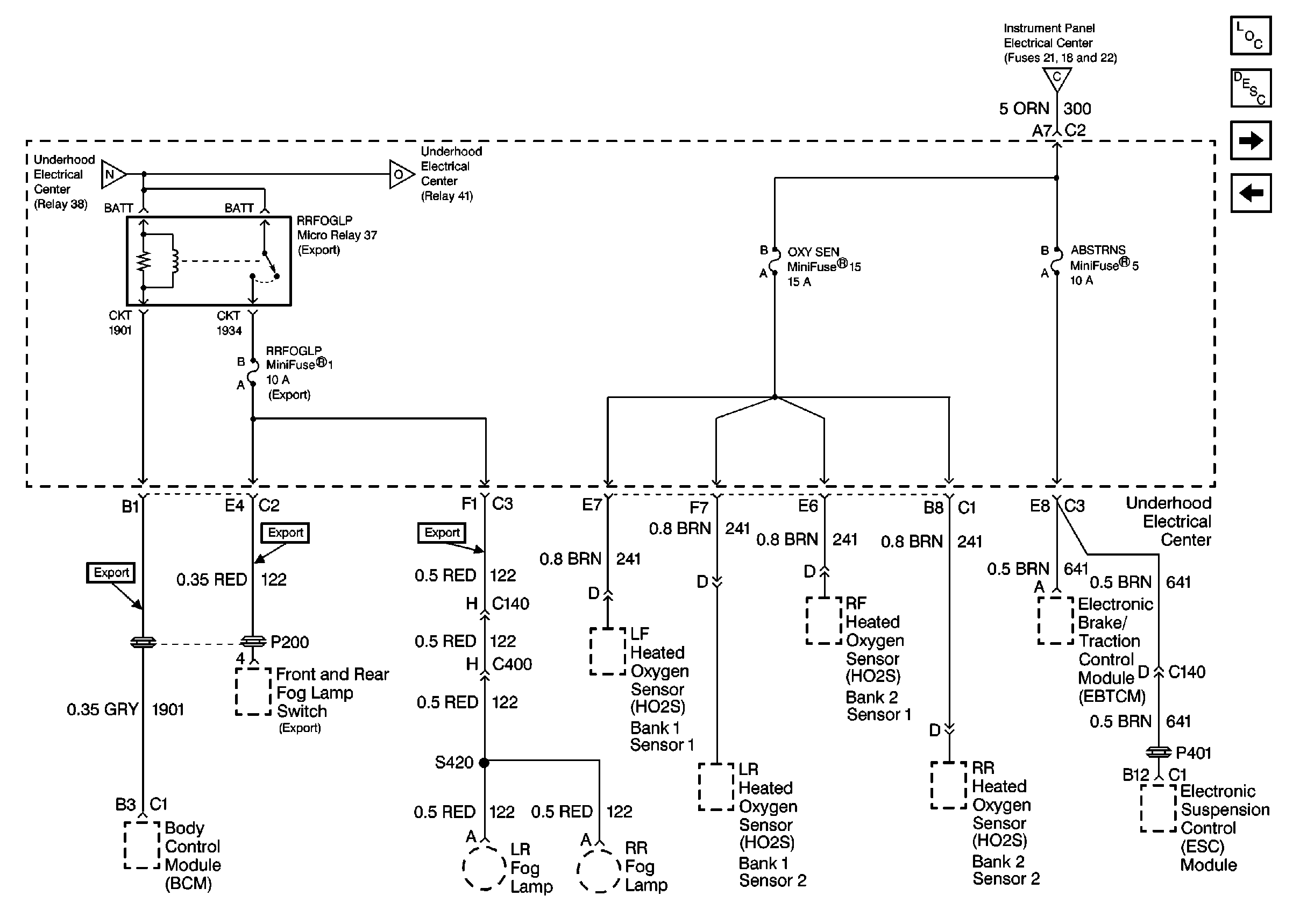
🢒 Cell 10: U/H Fuses 1, 15, 5, Relay 37
Cell 10: U/H Fuses 1, 15, 5, Relay 37
Cell 10: U/H Fuses 1, 15, 5, Relay 37
Power and Grounding Components
Cell 10: U/H Fuses 7, 46, 14, 13, Relays 41, 43, 44, 35
Cell 10: U/H Fuses 49, 11, 6, 2, Relays 45, 36, 39, 38
Cell 10: I/P Fuses 21, 18, 48, Relay 44
Cell 10: U/H Fuses 7, 46, 14, 13, Relays 41, 43, 44, 35
Cell 10: U/H Fuses 49, 11, 6, 2, Relays 45, 36, 39, 38