GM Service Manual Online
For 1990-2009 cars only
Makes
🢒
Chevrolet
🢒
1999
🢒
Corvette
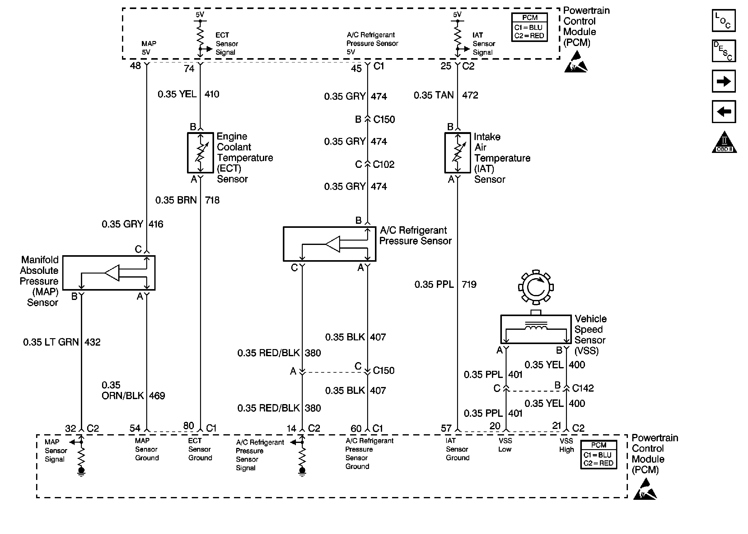
🢒 Cell 20: Engine Data Sensors
Cell 20: Engine Data Sensors
Cell 20: Engine Data Sensors
Engine Controls Components
Information Sensors/Switches Description
Cell 20: Heated Oxygen Sensors (HO2S)
Cell 20: TP and APP Sensors
OBD II Symbol Description Notice
Handling ESD Sensitive Parts Notice
Powertrain Control Module Connector End Views
Powertrain Control Module Connector End Views
Handling ESD Sensitive Parts Notice