GM Service Manual Online
For 1990-2009 cars only
Makes
🢒
Chevrolet
🢒
1999
🢒
Corvette
🢒 Cell 31
Cell 31
Cell 31
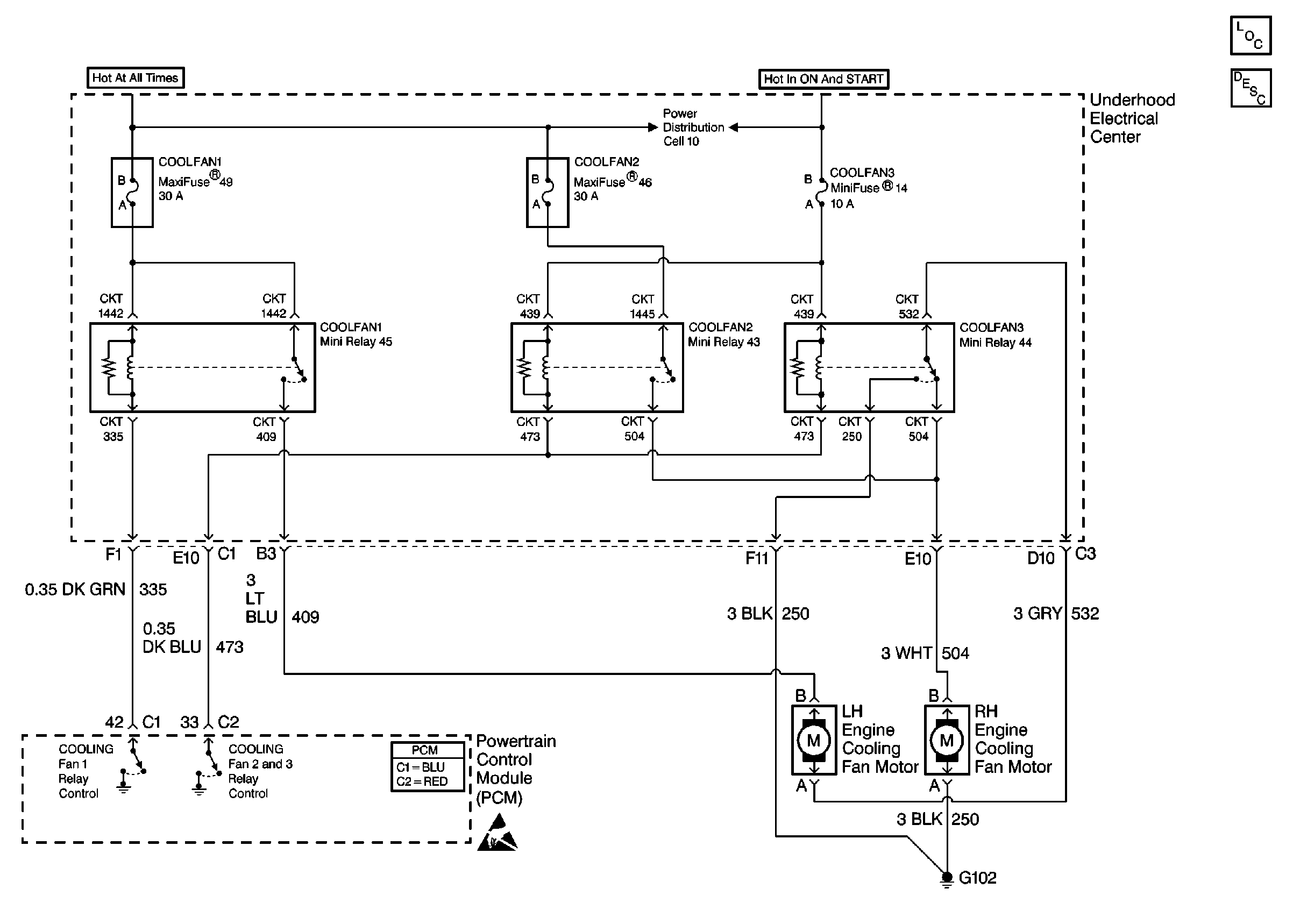
Cooling System Components
Engine Cooling Fan Description - Electric
Cell 10: U/H Fuses 7, 46, 14, 13, Relays 41, 43, 44, 35
Powertrain Control Module Connector End Views
Handling ESD Sensitive Parts Notice