GM Service Manual Online
For 1990-2009 cars only
Makes
🢒
Chevrolet
🢒
1999
🢒
Corvette
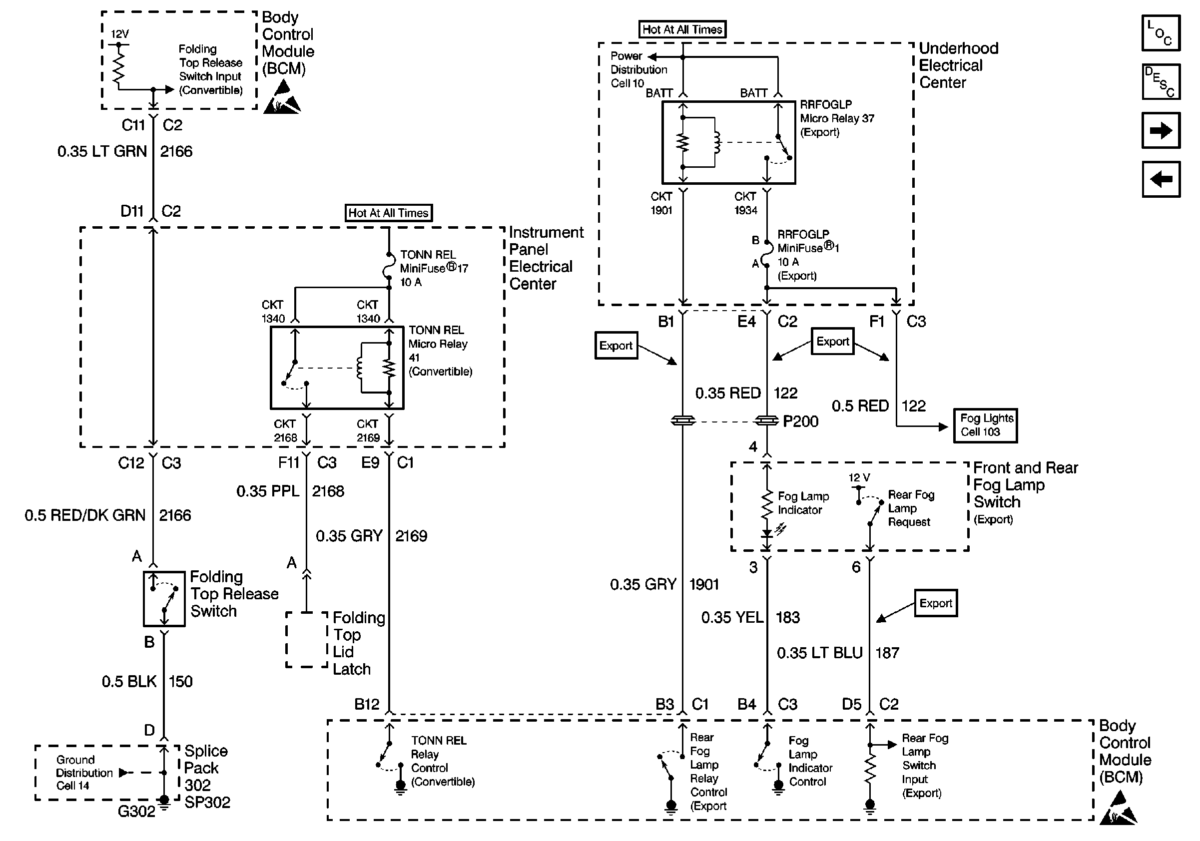
🢒 Cell 51: Folding Top and Rear Fog Lamp Control
Cell 51: Folding Top and Rear Fog Lamp Control
Cell 51: Folding Top and Rear Fog Lamp Control
Body Control Module Components
Body Control System Description
Cell 51: Hood Ajar Indicator Switch
Cell 51: Horn, Backup and Rear Defogger System
Handling ESD Sensitive Parts Notice
Cell 103: Front Fog Lamps
Cell 14: SP302, G302
Handling ESD Sensitive Parts Notice