GM Service Manual Online
For 1990-2009 cars only
Makes
🢒
Chevrolet
🢒
1999
🢒
Corvette
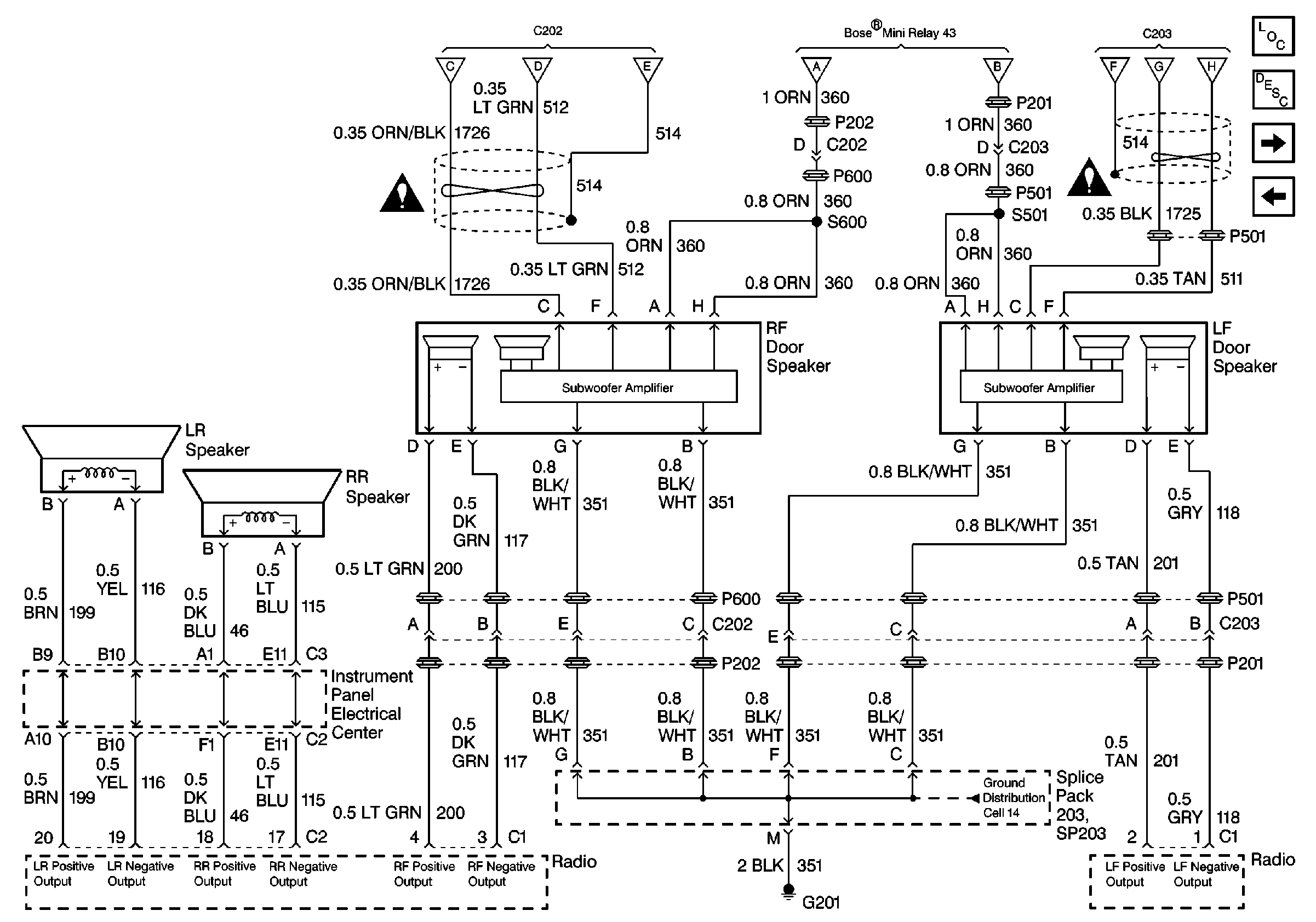
🢒 Cell 150: Front and Rear Speakers (Bose)
Cell 150: Front and Rear Speakers (Bose)
Cell 150: Front and Rear Speakers (Bose)
Entertainment Component Views
Radio/Audio System Circuit Description
Cell 150: Power, Ground and DLC (Base)
Cell 150: Bose Signal Processor (Bose)
Cell 150: Bose Signal Processor (Bose)
Cell 150: Bose Relay Control (Bose)
Cell 150: Bose Signal Processor (Bose)
Cell 14: SP201, SP203, G201