GM Service Manual Online
For 1990-2009 cars only
Makes
🢒
Chevrolet
🢒
2000
🢒
Corvette
🢒
Engine
🢒
Engine Electrical
🢒 Starting and Charging Schematics
Figure
1:
Starting System
Engine Electrical Components
Starting System Description
Charging System
Handling ESD Sensitive Parts Notice
Power Distribution Schematics
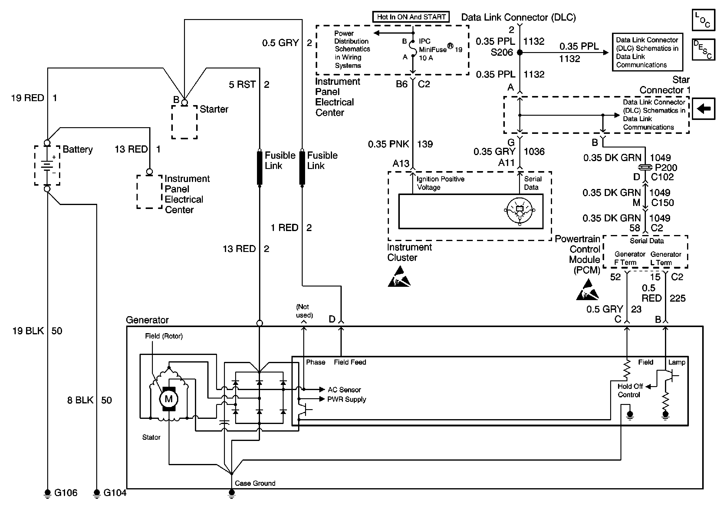
Figure
2:
Charging System
Engine Electrical Components
Charging System Description
Starting System
Power Distribution Schematics
Data Link Connector Schematics
Data Link Connector Schematics
Handling ESD Sensitive Parts Notice
Handling ESD Sensitive Parts Notice