GM Service Manual Online
For 1990-2009 cars only
Figure 1:

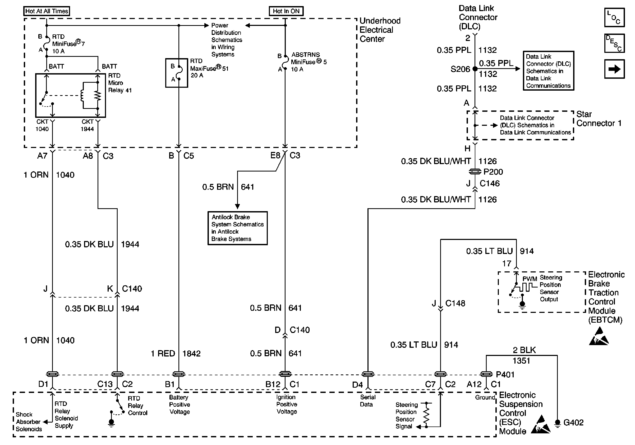
Power, Ground and DLC


Object Number: 586648  Size: FS
Suspension Controls Components
Real Time Damping Description
Suspension Control Switch Input
Handling ESD Sensitive Parts Notice
Handling ESD Sensitive Parts Notice
Data Link Connector Schematics
Data Link Connector Schematics
Power Distribution Schematics
Antilock Brake System Schematics
Figure 2:

Suspension Control Switch Input


Object Number: 586654  Size: FS
Suspension Controls Components
Real Time Damping Description
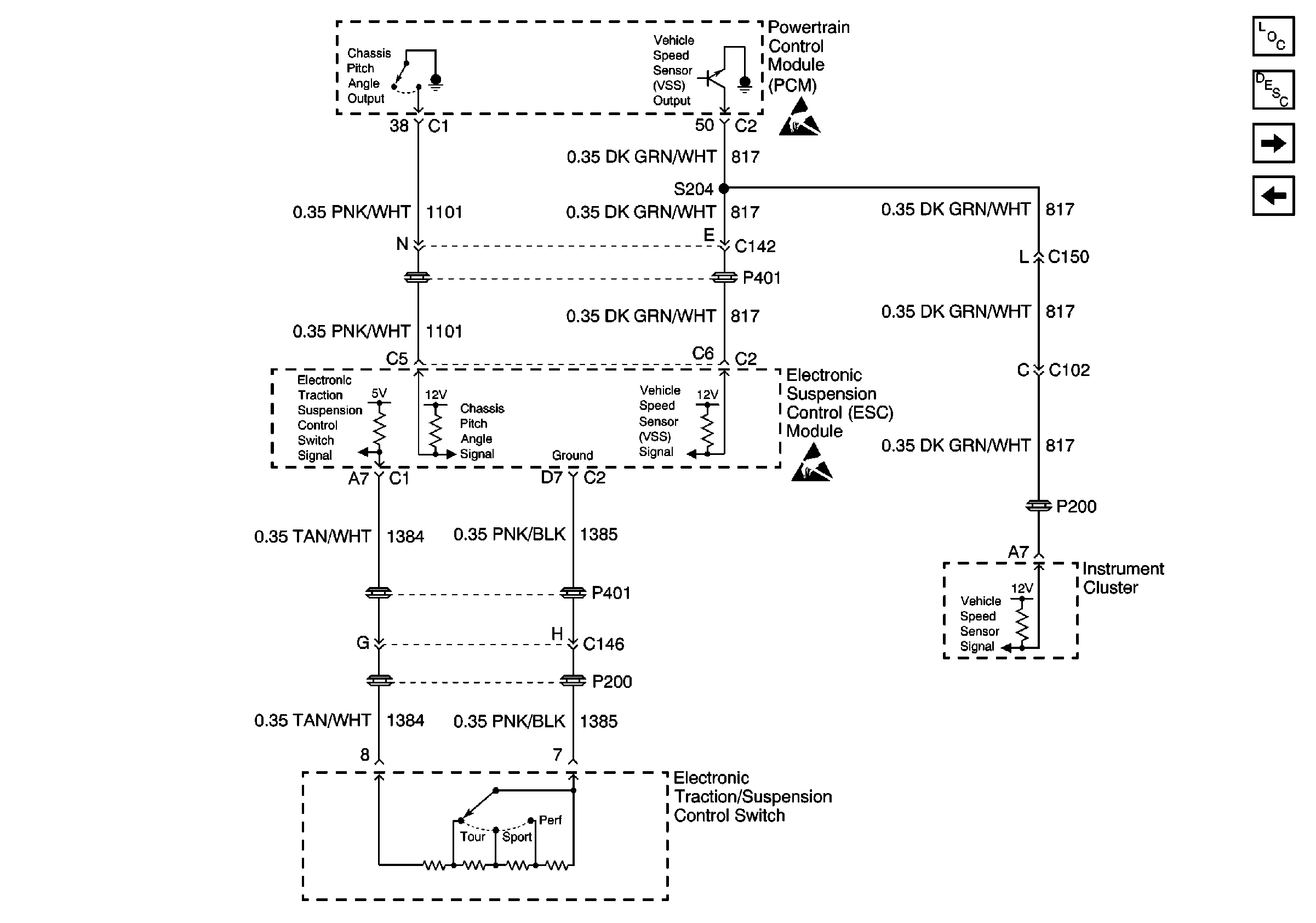
Electronic Suspension Position Sensors
Power, Ground and DLC
Handling ESD Sensitive Parts Notice
Handling ESD Sensitive Parts Notice
Figure 3:

Electronic Suspension Position Sensors


Object Number: 586658  Size: FS
Suspension Controls Components
Real Time Damping Description
Shock Absorber Solenoids
Suspension Control Switch Input
Handling ESD Sensitive Parts Notice
Suspension Controls Schematic Icons
Suspension Controls Schematic Icons
Suspension Controls Schematic Icons
Suspension Controls Schematic Icons
Suspension Controls Schematic Icons
Suspension Controls Schematic Icons
Suspension Controls Schematic Icons
Suspension Controls Schematic Icons
Figure 4:

Shock Absorber Solenoids


Object Number: 586663  Size: FS
Suspension Controls Components
Real Time Damping Description
Electronic Suspension Position Sensors
Handling ESD Sensitive Parts Notice
Suspension Controls Schematic Icons
Suspension Controls Schematic Icons
Suspension Controls Schematic Icons
Suspension Controls Schematic Icons
Suspension Controls Schematic Icons
Suspension Controls Schematic Icons
Suspension Controls Schematic Icons
Suspension Controls Schematic Icons