GM Service Manual Online
For 1990-2009 cars only
Figure 1:

SP101, SP100, G101, G102


Object Number: 586195  Size: FS
Power and Grounding Components
SP102, SP208, G104
SP102, SP208, G104
Figure 2:

SP102, SP208, G104


Object Number: 586199  Size: FS
Power and Grounding Components
SP122, G106, G105
SP101, SP100, G101, G102
SP101, SP100, G101, G102
SP122, G106, G105
Figure 3:

SP122, G106, G105


Object Number: 586201  Size: FS
Power and Grounding Components
G107, G108
SP102, SP208, G104
SP102, SP208, G104
Figure 4:

G107, G108


Object Number: 586204  Size: FS
Power and Grounding Components
SP201, SP203, G201
SP122, G106, G105
Figure 5:

SP201, SP203, G201


Object Number: 586207  Size: FS
Power and Grounding Components
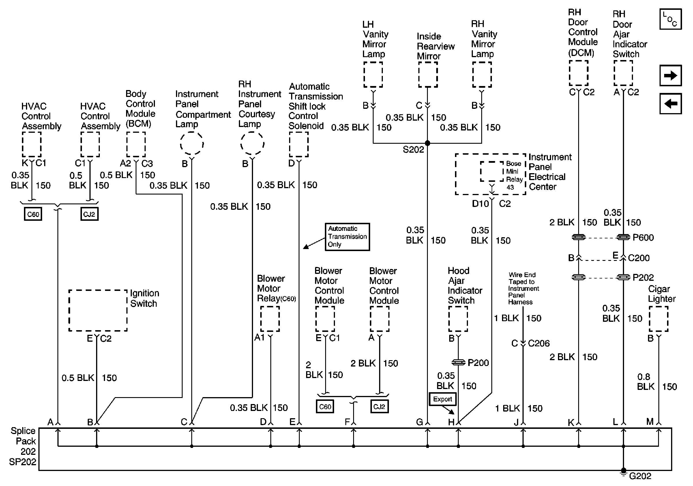
SP202, G202
G107, G108
Figure 6:

SP202, G202


Object Number: 586211  Size: FS
Power and Grounding Components
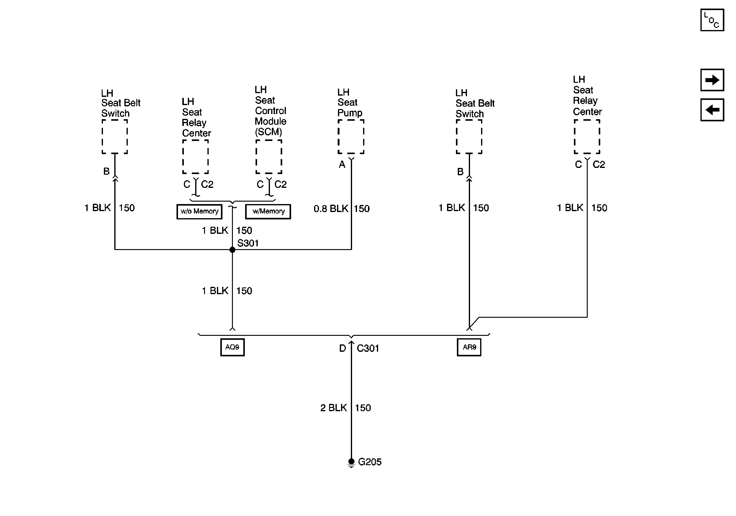
G205
SP201, SP203, G201
Figure 7:

G205


Object Number: 586213  Size: FS
Power and Grounding Components
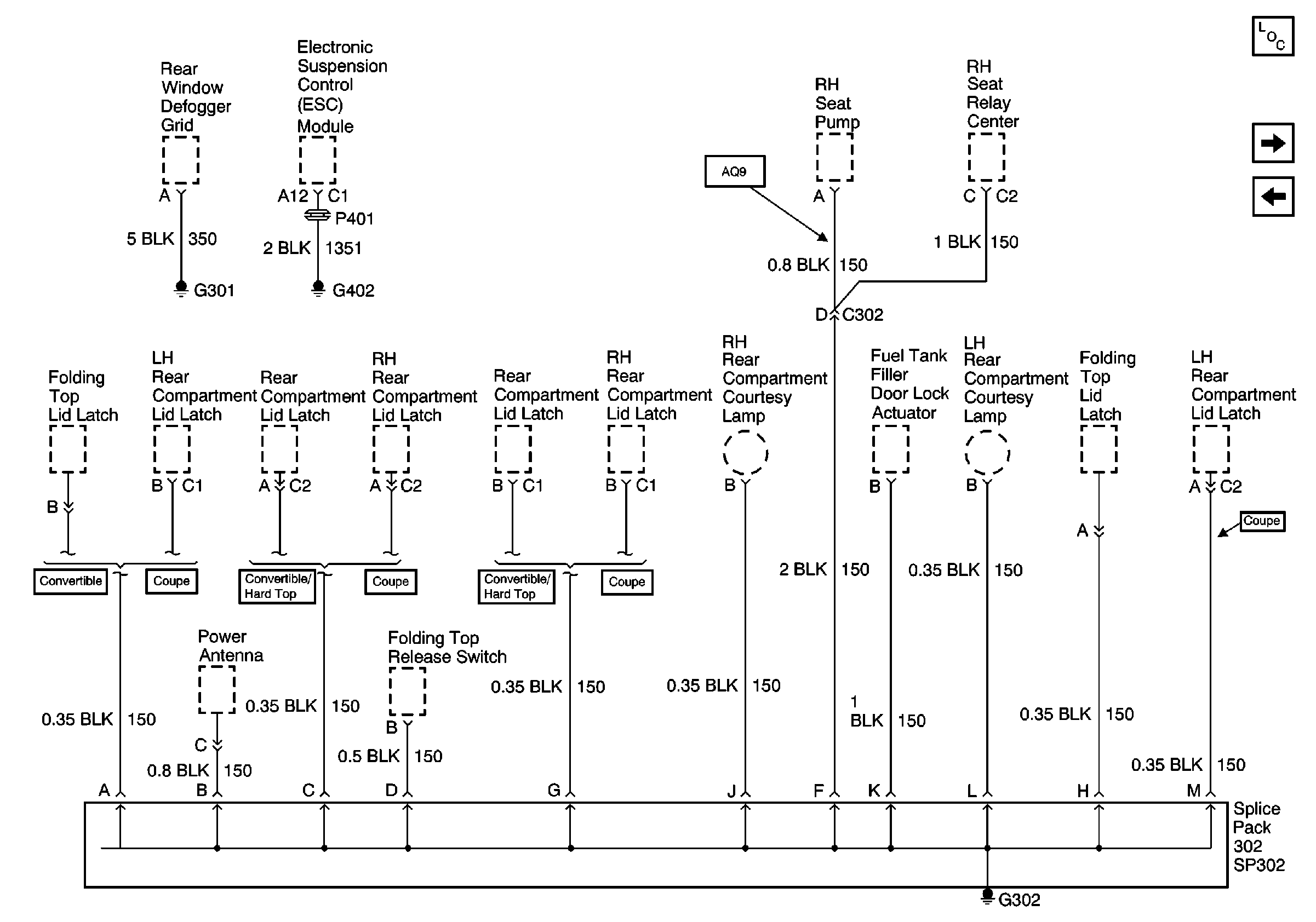
SP302, G302
SP202, G202
Figure 8:

SP302, G302


Object Number: 586215  Size: FS
Power and Grounding Components
SP400, G401
G205
Figure 9:

SP400, G401


Object Number: 586217  Size: FS
Power and Grounding Components
SP402 (Japan)
SP302, G302
SP402 (Japan)
Figure 10:

SP402 (Japan)


Object Number: 586221  Size: FS
Power and Grounding Components
SP402 (Europe)
SP400, G401
SP400, G401
Power and Grounding Schematic Icons
Power and Grounding Schematic Icons
Figure 11:

SP402 (Europe)


Object Number: 586225  Size: FS
Power and Grounding Components
SP402 (Japan)
SP400, G401