GM Service Manual Online
For 1990-2009 cars only
Makes
🢒
Chevrolet
🢒
2000
🢒
Corvette
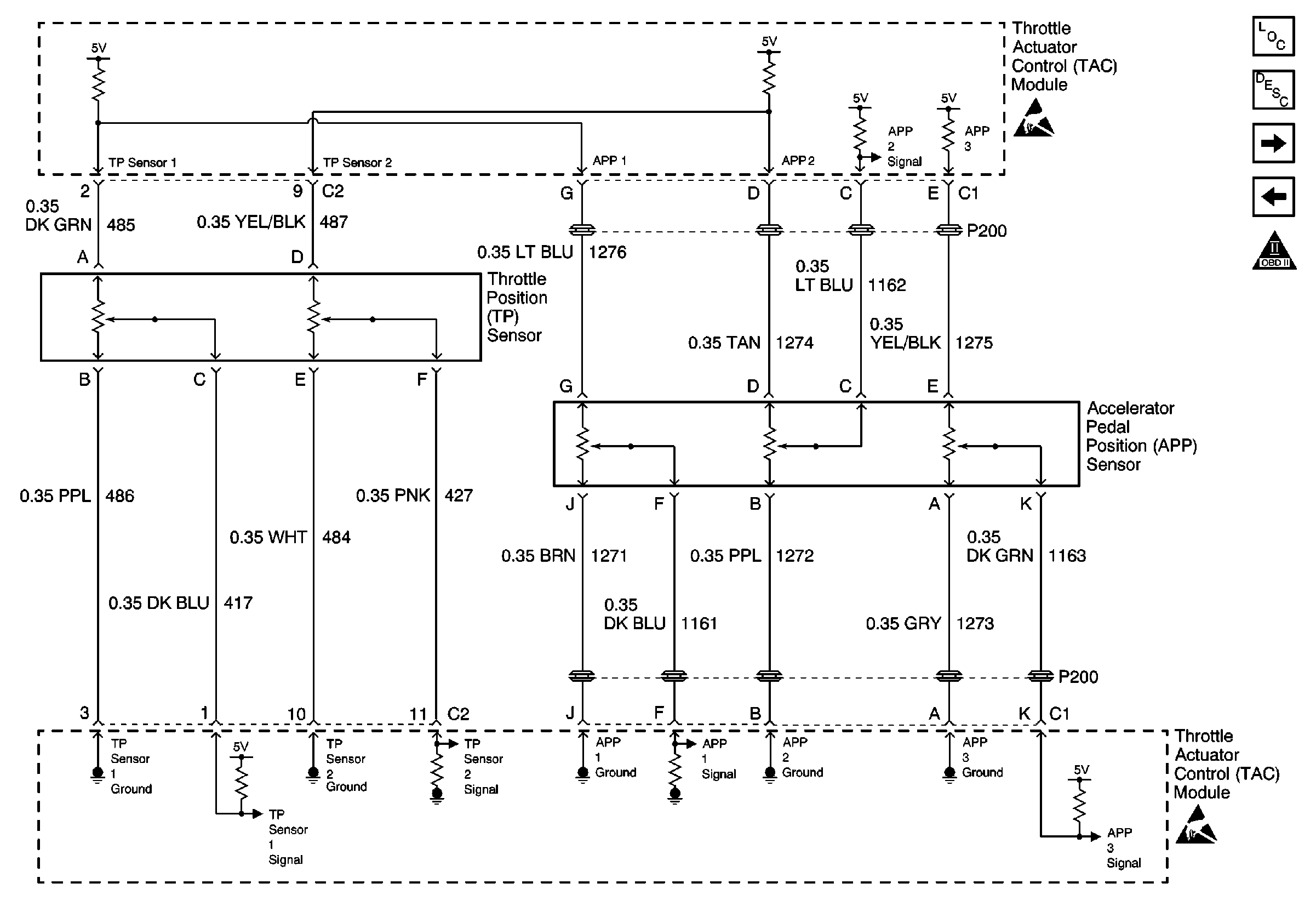
🢒 TP and APP Sensors
TP and APP Sensors
TP and APP Sensors
Engine Controls Components
Engine Data Sensors
Stop Lamp Switch
OBD II Symbol Description Notice
Handling ESD Sensitive Parts Notice
Handling ESD Sensitive Parts Notice