GM Service Manual Online
For 1990-2009 cars only
Makes
🢒
Chevrolet
🢒
2001
🢒
Corvette
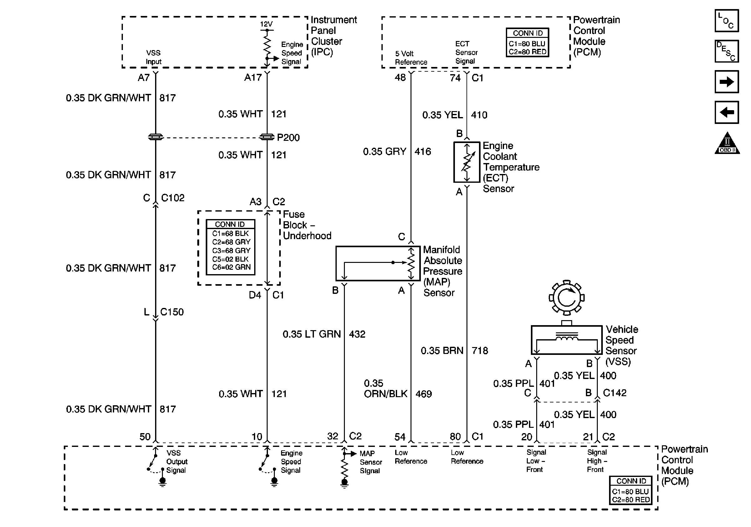
🢒 Manifold Absolute Pressure (MAP), Engine Coolant Temperature(ECT) and Vehicle Speed Sensors and Engine Speed Output
Manifold Absolute Pressure (MAP), Engine Coolant Temperature(ECT) and Vehicle Speed Sensors and Engine Speed Output
Manifold Absolute Pressure (MAP), Engine Coolant Temperature(ECT) and Vehicle Speed Sensors and Engine Speed Output
Master Electrical Component List
Powertrain Control Module Description
Crankshaft Position (CKP), Camshaft Position (CMP) and Front and Rear Knock Sensors
Mass Air Flow (MAF) Sensor and Extended Brake Travel Signal
OBD II Symbol Description Notice