GM Service Manual Online
For 1990-2009 cars only
Makes
🢒
Chevrolet
🢒
2002
🢒
Corvette
🢒
Body and Accessories
🢒
Stationary Windows
🢒 Defogger Schematics
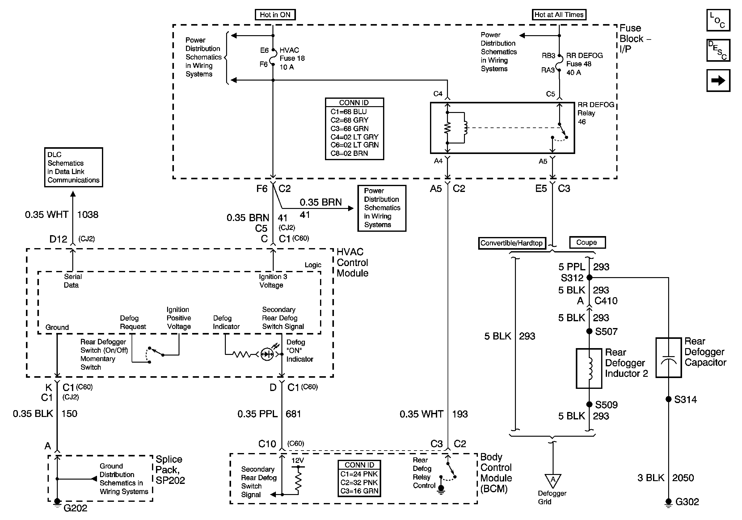
Figure
1:
Power, Switch and Relay
Master Electrical Component List
Rear Window Defogger Description and Operation
Ground and Defogger Grid
Instrument Panel Electrical Center Fuses 50, 14, 21, 22, 18, Relay 44, and the Ignition Switch (2 of 2)
Instrument Panel Electrical Center Bussing (2 of 2)
Instrument Panel Electrical Center Fuses 50, 14, 21, 22, 18, Relay 44, and the Ignition Switch (2 of 2)
Star Connectors
G202
Ground and Defogger Grid
Figure
2:
Ground and Defogger Grid
Master Electrical Component List
Rear Window Defogger Description and Operation
Power, Switch and Relay
Power, Switch and Relay
Antenna Schematic (Coupe and Hardtop)