GM Service Manual Online
For 1990-2009 cars only
Makes
🢒
Chevrolet
🢒
2002
🢒
Corvette
🢒
Body and Accessories
🢒
Retained Accessory Power
🢒 Retained Accessory Power (RAP) Schematics
Figure
1:
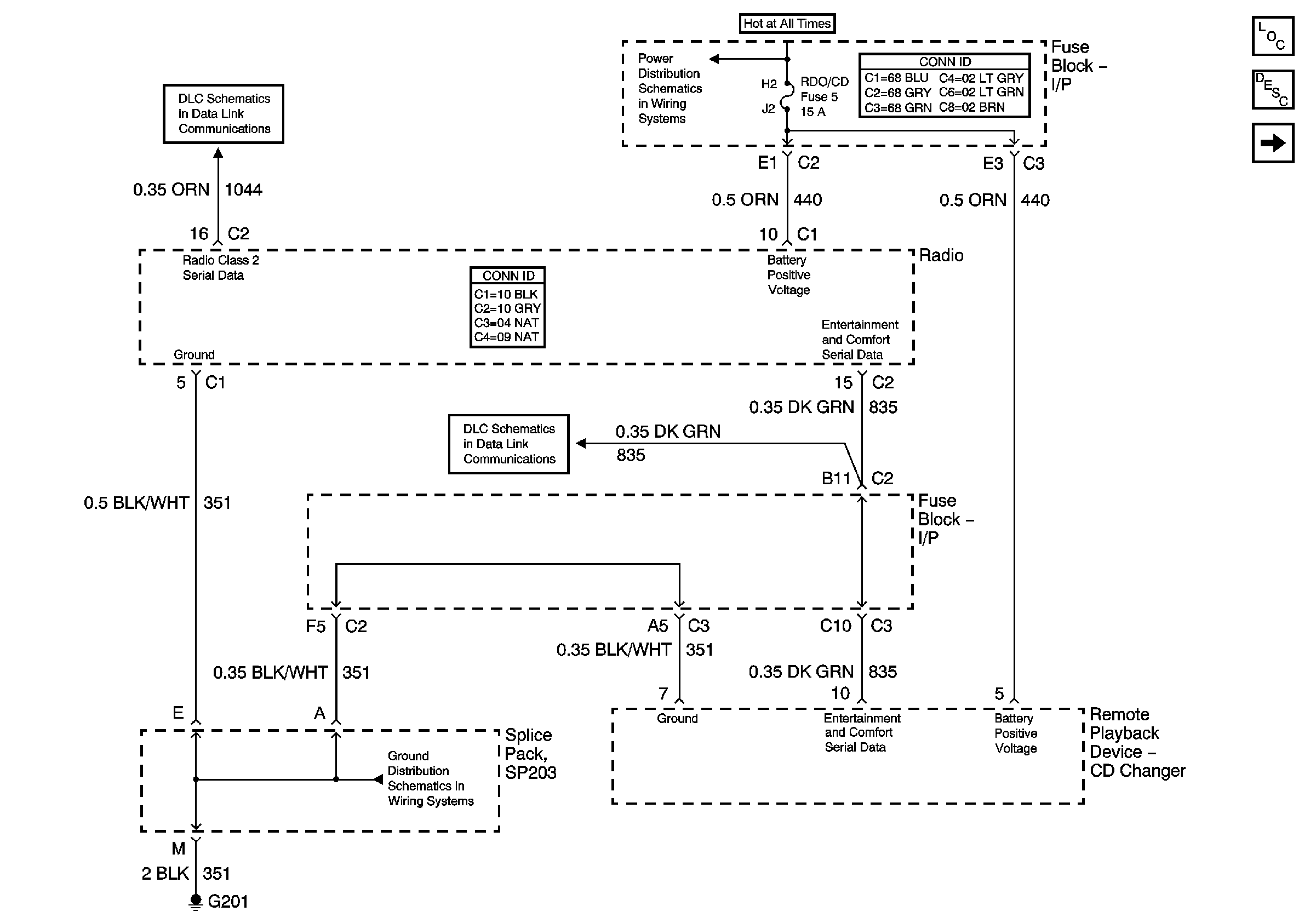
Radio
Master Electrical Component List
Retained Accessory Power (RAP) Description and Operation
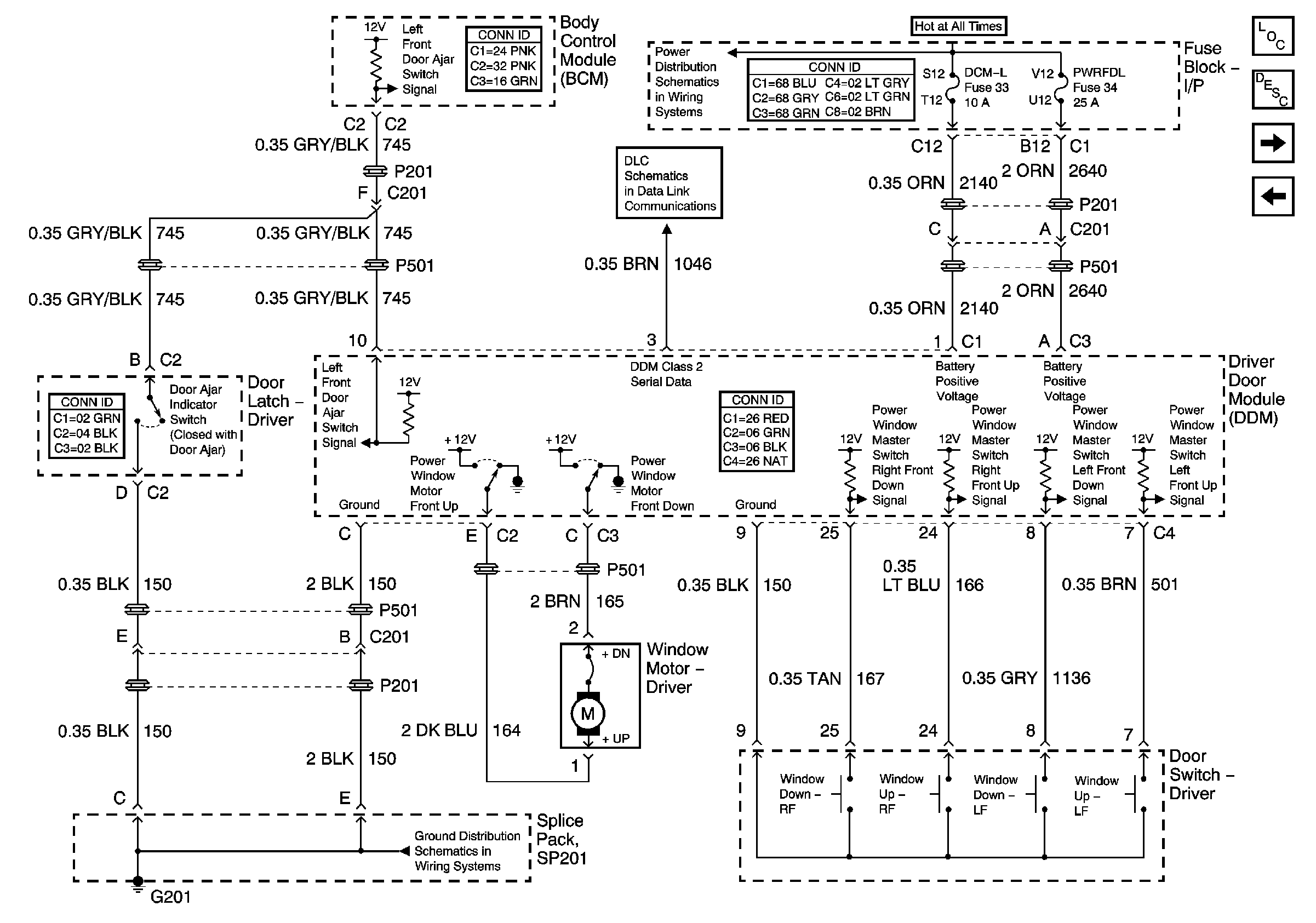
LH Door
Star Connectors
Star Connectors
G201
Instrument Panel Electrical Center Bussing (1 of 2)
Figure
2:
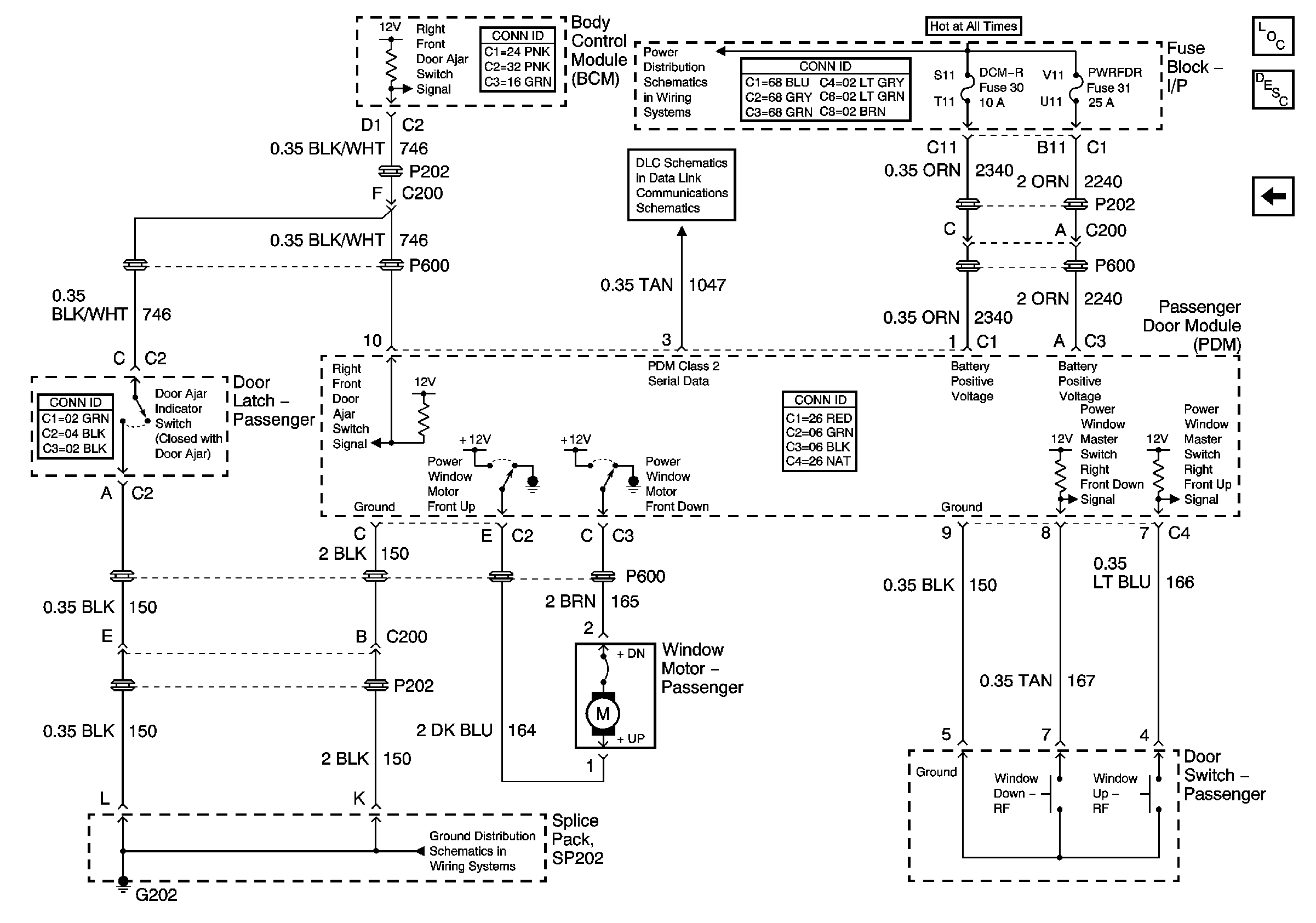
Left Door
Master Electrical Component List
Retained Accessory Power (RAP) Description and Operation
RH Door
Radio
G201
Instrument Panel Electrical Center Bussing (1 of 2)
Star Connectors
Figure
3:
Right Door
Master Electrical Component List
Retained Accessory Power (RAP) Description and Operation
LH Door
Instrument Panel Electrical Center Bussing (1 of 2)
Star Connectors
G202