GM Service Manual Online
For 1990-2009 cars only
Figure 1:

Engine Compartment Under the Battery


Object Number: 531303  Size: LF
(1)Battery
(2)Battery Cables
(3)G104
(4)Engine Coolant Reservoir
(5)Fuse Block-Underhood
Figure 2:

View of Vehicle Without Body Panels


Object Number: 531308  Size: LF
(1)G302
(2)G402
(3)G401
(4)G205 and G301
(5)G201
(6)Grounding Point for Engine Ground Strap
(7)G101
(8)G102
(9)G104 and G108
Figure 3:

Behind the LF Wheel


Object Number: 531324  Size: LF
(1)Engine Grounding Strap
(2)Frame Rail-LH
(3)Engine Grounding Strap Location
Figure 4:

Bottom of the A-Pillar--LF


Object Number: 183977  Size: LF
(1)SP203
(2) SP201
(3) G201
(4)C203
(5) C201
Figure 5:

Bottom of the A-Pillar--RF


Object Number: 532432  Size: MF
(1)C202
(2)C200
(3)G202
(4) SP202
Figure 6:

Instrument Panel


Object Number: 698554  Size: LF
(1)Sunload Sensor
(2)HVAC Module Assembly
(3)Air Temperature Actuator (C60)
(4)Vacuum Control Assembly (CJ2)
(5)Blower Motor
(6)Blower Motor Control Processor
(7)Fuse Block-IP
(8)Body Control Module (BCM)
(9)Ignition Switch
(10)Air Temperature Sensor - Inside
(11)Telescoping Actuator Switch
(12)Data Link Connector (DLC)
(13)Multifunction Turn Signal Lever
(14)Ambient Light Sensor
(15)Windshield Wiper/Washer Switch
Figure 7:

Cockpit View


Object Number: 698492  Size: LF
(1)Outside Rearview Mirror-Driver
(2)Fog Lamp/Rear Compartment Lid Release Switch (Domestic), Fog Lamp Switch (Export)
(3)Dimmer Switch
(4)Dimmer/Head Up Display (HUD) Switch
(5)Instrument Panel Cluster (IPC)
(6)Vanity Mirror Lamp-Left
(7)Driver Information Center (DIC) Switch-Right
(8)Hazard Switch
(9)Radio
(10)HVAC Control Module
(11)Vanity Mirror Lamp-Right
(12)Door Switch-Passenger
(13)Outside Rearview Mirror-Passenger
(14)Footwell Courtesy Lamp-Right
(15)Fuel Door Lock Release Switch (Domestic), Rear Compartment Lid/Fuel Door Lock Release Switch (Export)
(16)Traction/Suspension Control Switch
(17)Auxiliary Power Outlet Connector
(18)Cigar Lighter
(19)Horn Switch
(20)Seat Control Module (SCM)-Driver (W/Memory Seats), Seat Relay Center-Driver (W/O Memory Seats)
(21)Seat Adjuster Switch-Driver
(22)Footwell Courtesy Lamp-Left
(23)Door Switch-Driver
Figure 8:

Steering Column


Object Number: 726262  Size: LF
(1)Telescoping Sensor
(2)Steering Column Lock
(3)C219
(4)C207
(5)C211
(6)C217
(7)C209
(8)Steering Wheel Position Sensor
(9)Telescoping Drive Motor
(10)C210
Figure 9:

Under RH Side of Dash


Object Number: 698593  Size: LF
(1)Theft Deterrent Relay
(2)Fuse Block-IP
(3)Blower Motor Relay
(4)Star Connector #2
(5)Body Control Module (BCM) C3
(6)Body Control Module (BCM) C1
(7)Star Connector #1
(8)Body Control Module (BCM) C2
(9)Steering Column Lock Relay
Figure 10:

Under Side of the Dash--Left


Object Number: 698493  Size: LF
(1)Stop Lamp Switch C1
(2)Stop Lamp Switch C3
(3)C213
(4)Bose Signal Processor
(5)Accelerator Pedal Position (APP) Sensor
(6)Accelerator Pedal
(7)Brake Pedal
(8)Steering Wheel Position Sensor
(9)Clutch Pedal
(10)Clutch Pedal Start Switch
(11)Clutch Pedal Position Switch
(12)Stop Lamp Switch
(13)Stop Lamp Switch Connector C2
Figure 11:

Top of the Instrument Cluster


Object Number: 531006  Size: MF
(1)Heads Up Display (HUD) Connector
(2)Instrument Panel Cluster (IPC)
(3)Driver Information Center (DIC) Switch-Right
(4) Dimmer Switch
(5)Heads Up Display (HUD) Switch
(6)Heads Up Display (HUD)
Figure 12:

Outside Front End of the Vehicle


Object Number: 698494  Size: LF
(1)Headlamp Door Assembly-Right
(2)Headlamp Door Control Module
(3)Headlamp Door Assembly-Left
(4)Repeater Lamp-Left, (Right Side Similiar) (Export)
(5)Marker Lamp -- LF
(6)Park/Turn Signal Lamp--LF (Domestic) Turn Signal Lamp--LF (Export)
(7)Park Lamp--LF (Export)
(8)Fog Lamp-LF
(9)Fog Lamp-RF
(10)Park Lamp--RF (Export)
(11)Park/Turn Signal Lamp-RF (Domestic) Turn Signal Lamp-- RF (Export)
(12)Marker Lamp -- RF
Figure 13:

Outside Rear End of the Vehicle


Object Number: 698543  Size: LF
(1)Center High Mounted Stop Lamp (CHMSL)
(2)Tail/Stop and Turn Signal Lamp-Right (Domestic) Tail/Stop Lamp-Right (Export)
(3)Turn Signal Lamp-RR (Japan), Backup Lamp-RR (Europe)
(4)Tail/Stop and Turn Signal Lamp-Right (Domestic), Tail/Stop Lamp-Right (Export)
(5)Turn Signal Lamp-RR (Export)
(6) Fog Lamp-RR (Europe)
(7)Marker Lamp-RR
(8)Backup Lamp-Right (Domestic/Japan)
(9)License Lamp-Right
(10)License Lamp-Left
(11)Backup Lamp-Left (Domestic and Japan)
(12)Marker Lamp-LR
(13) Fog Lamp-LR (Europe)
(14) Turn Signal Lamp-LR (Export)
(15)Tail/Stop and Turn Signal Lamp-Left (Domestic), Tail/Stop Lamp-Left (Export)
(16)Tail/Stop and Turn Signal Lamp-Left (Domestic) Tail/Stop Lamp-Left (Export)
(17)Turn Signal Lamp-LR (Japan), Backup Lamp-Left (Europe)
Figure 14:

Speakers and Antennas


Object Number: 698571  Size: LF
(1)Front Window Antenna
(2)Speaker-RR
(3)Antenna Buffer
(4)Rear Window Antenna
(5)Speaker-LR
(6)G205
(7)Radio Antenna Module (Coupe)
(8)C301
(9)Speaker-LF Door
(10)Speaker-RF Door
Figure 15:

Rear of Vehicle--Left


Object Number: 698596  Size: LF
(1)Defogger Grid
(2)Electronic Suspension Control (ESC) Module
(3)Remote Control Door Lock Receiver (RCDLR)
Figure 16:

SIR Components


Object Number: 698599  Size: LF
(1)Inflatable Restraint IP Module
(2)IP Compartment Lamp
(3)Inflatable Restraint IP Module Disable Switch
(4)Inflatable Restraint IP Module Disable Switch LED
(5)Traction/Suspension Control Switch
(7)Inflatable Restraint Steering Wheel Module Coil
(8)Inflatable Restraint Steering Wheel Module
(9)SIR Wiring Harness
(10)Inflatable Restraint Sensing and Diagnostic Module (SDM)
Figure 17:

Engine View


Object Number: 695524  Size: LF
(1)Fuel Injector 6
(2)Fuel Injector 8
(3)Fuel Injector 3
(4)Fuel Injector 5
(5)Fuel Injector 7
(6)Ignition Coil/Module 7
(7)Ignition Coil/Module 5
(8)C109
(9)Ignition Coil/Module 3
(10)Ignition Coil/Module 1
(11)Engine Oil Temperature (EOT) Sensor
(12)Engine Coolant Temperature (ECT) Sensor
(13)Evaporative Emission (EVAP) Canister Purge Solenoid
(14)Fuel Injector 1
(15)Throttle Actuator Control (TAC) Motor
(16)Throttle Position (TP) Sensor
(17)Fuel Injector 2
(18)Ignition Coil/Module 2
(19)Ignition Coil/Module 4
(20)Fuel Injector 4
(21)C110
(22)Ignition Coil/Module 6
(23)Ignition Coil/Module 8
Figure 18:

Knock Sensors


Object Number: 698339  Size: LF
(1)Knock Sensor (KS) 1
(2)Knock Sensor (KS) 2
Figure 19:

Lower Side of Engine--Left


Object Number: 697239  Size: LF
(1)G105
(2)Engine Oil Temperature (EOT) Sensor
(3)Heated Oxygen Sensor (HO2S) Bank 1 Sensor 1
Figure 20:

Lower Side of Engine--Right


Object Number: 698352  Size: LF
(1)Crankshaft Position (CKP) Sensor
(2)Heated Oxygen Sensor (HO2S) Bank 2 Sensor 1
Figure 21:

Oxygen Sensors--Rear


Object Number: 698361  Size: LF
(1) Heated Oxygen Sensor (HO2S) Bank 1 Sensor 2
(2)Heated Oxygen Sensor (HO2S) Bank 2 Sensor 2
Figure 22:

Front of Engine Compartment


Object Number: 696034  Size: LF
(1)Generator
(2)Mass Air Flow (MAF) Sensor
Figure 23:

Rear of Engine


Object Number: 696026  Size: LF
(1)Engine Oil Pressure (EOP) Sensor
(2)Manifold Absolute Pressure (MAP) Sensor
(3)Camshaft Position (CMP) Sensor
(4)G107
(5)C112
Figure 24:

Front of Engine Compartment


Object Number: 698487  Size: LF
(1)A/C Refrigerant Pressure Sensor
(2)Secondary Air Injection (AIR) Pump
(3)SP100
(4)G102
(5)Headlamp Door Assembly-Right Connector
Figure 25:

RH Wheel Well


Object Number: 696610  Size: LF
(1)Secondary Air Injection (AIR) Solenoid
(2)Powertrain Control Module (PCM)
(3)Throttle Actuator Control (TAC) Module
Figure 26:

Evaporative Emission (EVAP) Canister Vent Solenoid


Object Number: 698362  Size: LF
(1)Evaporative Emission (EVAP) Canister Vent Solenoid
Figure 27:

Cooling Fans


Object Number: 727448  Size: SF
(1)Cooling Fan-Left
(2)Cooling Fan-Right
Figure 28:

A/C Compressor


Object Number: 698560  Size: LF
(1)A/C Compressor Clutch Diode
(2)A/C Compressor Clutch
(3)A/C Compressor
Figure 29:

Manual Transmission


Object Number: 184235  Size: LF
(1)Reverse Inhibit Solenoid
(2)Skip Shift Solenoid
(3)Vehicle Speed Sensor (VSS)
Figure 30:

Automatic Transmission


Object Number: 183863  Size: LF
(1)Park/Neutral Position (PNP) Switch
Figure 31:

Wheel with Tire Pressure Monitor Sensor


Object Number: 698576  Size: LF
(1)Tire Pressure Monitor Sensor
Figure 32:

Left Front of Engine Compartment


Object Number: 698587  Size: LF
(1)Electronic Brake Control Module (EBCM)
(2)Brake Pressure Modulator Valve (BPMV)
(3)SP101
(4)G101
Figure 33:

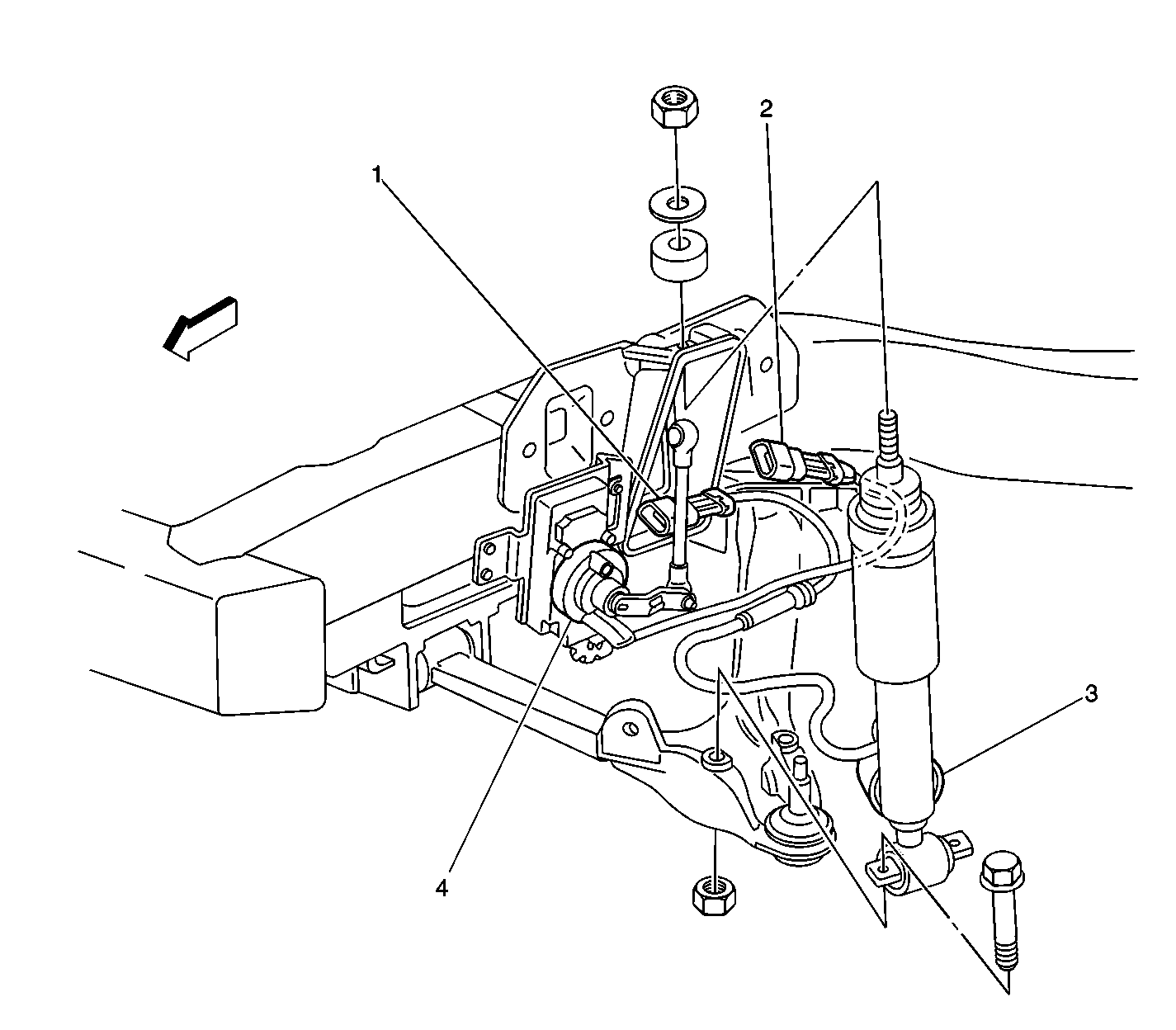
Shock Absorber Solenoid - LF and Suspension Position Sensor - LF (RF Similar)


Object Number: 727010  Size: LF
(1)C103
(2)C101
(3)Shock Absorber Solenoid - LF
(4)Suspension Position Sensor - LF
Figure 34:

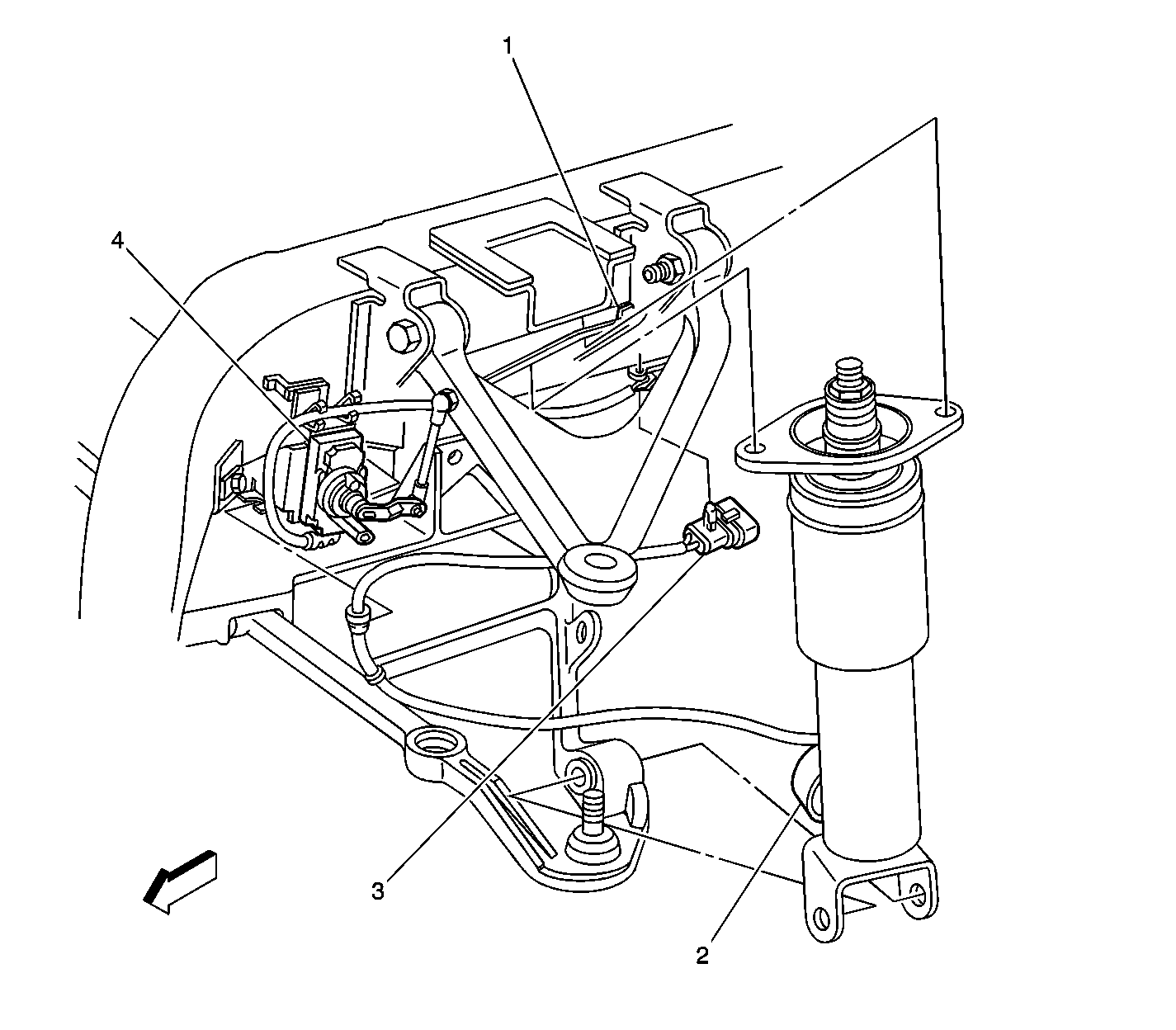
Shock Absorber Solenoid - LR and Suspension Position Sensor - LR (RR Similar)


Object Number: 727011  Size: LF
(1)C401
(2)Shock Absorber Solenoid - LR
(3)C403
(4)Suspension Position Sensor - LR
Figure 35:

Brake Fluid Level Switch


Object Number: 727338  Size: LF
(1)Brake Fluid Level Switch
Figure 36:

Behind Brake Rotor--LF (Rotor--RF Similar)


Object Number: 183978  Size: LF
(1) Wheel Speed Sensor (WSS)-LF