GM Service Manual Online
For 1990-2009 cars only
Makes
🢒
Chevrolet
🢒
2002
🢒
Corvette
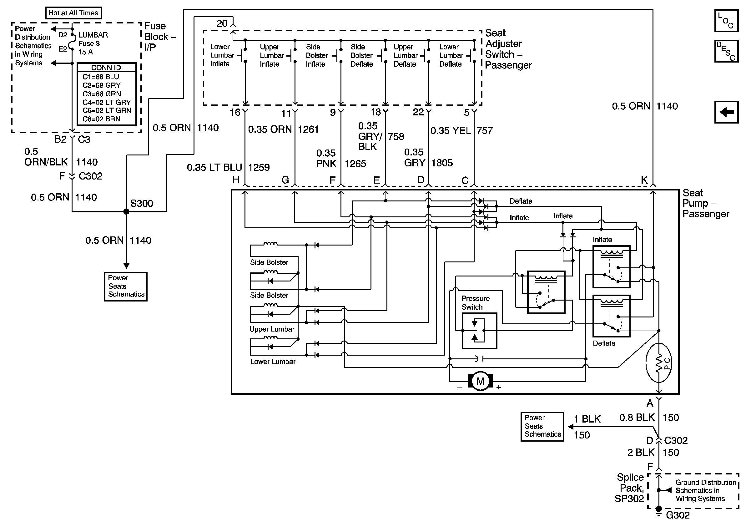
🢒 RH Seat Pump
RH Seat Pump
Right Seat Pump
Master Electrical Component List
Lumbar Support Description and Operation
LH Seat Pump
Instrument Panel Electrical Center Bussing (1 of 2)
RH Seat Relay Center
RH Seat Relay Center
G301, G402 and G302