GM Service Manual Online
For 1990-2009 cars only
Figure 1:

Power, Ground, DLC, and Seat Adjuster Switch - Driver


Object Number: 690918  Size: FS
Master Electrical Component List
Memory Seats Description and Operation
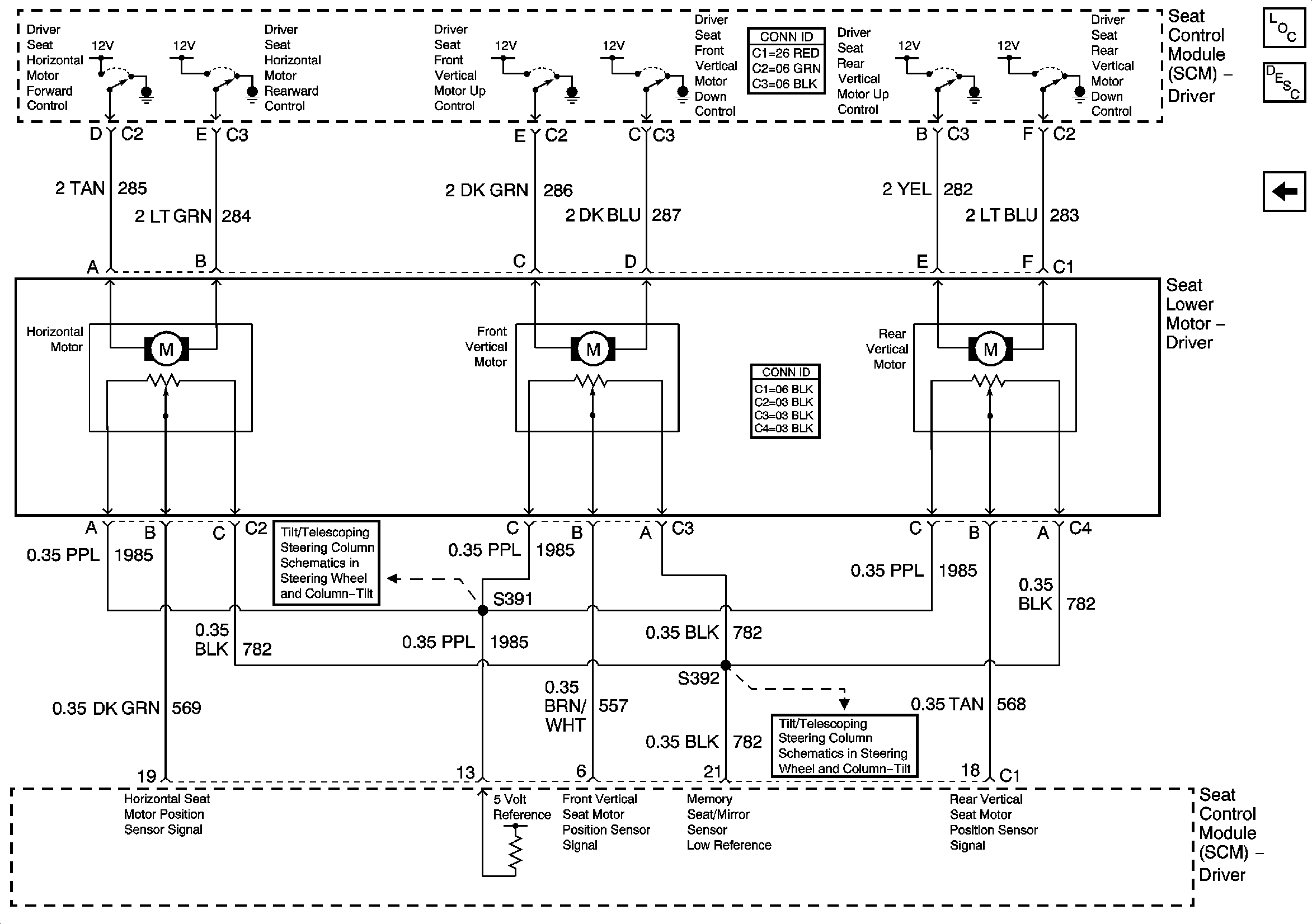
Seat Control Module - Driver w/o Telescoping Steering Column
Fuse Block-I/P Bussing (1 of 2)
Power, Ground and Seat Pump - Driver
Star Connectors
G205
Figure 2:

Seat Control Module -- Driver W/O Telescoping Steering Column


Object Number: 690925  Size: FS
Master Electrical Component List
Memory Seats Description and Operation
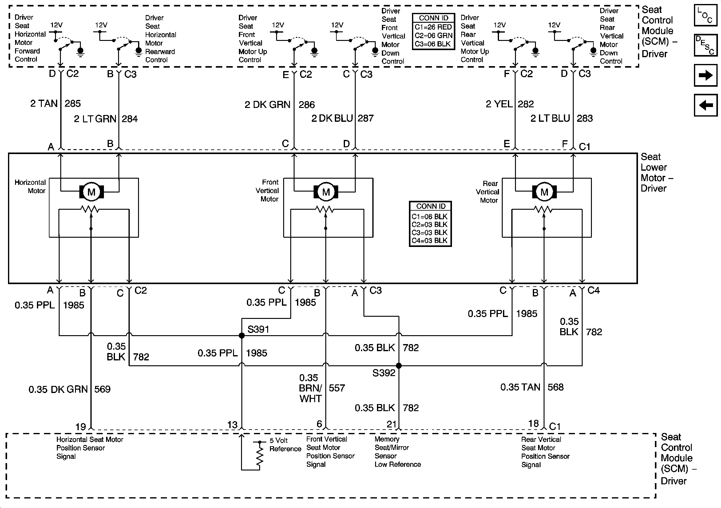
Seat Control Module - Driver W/Telescoping Steering Column
Power, Ground, DLC and Seat Adjuster Switch - Driver
Figure 3:

Seat Control -- Driver Module W/Telescoping Steering Column


Object Number: 690927  Size: FS
Master Electrical Component List
Memory Seats Description and Operation
Seat Control Module - Driver w/o Telescoping Steering Column
Tilt/Telescoping Column Schematic
Tilt/Telescoping Column Schematic