GM Service Manual Online
For 1990-2009 cars only
Makes
🢒
Chevrolet
🢒
2003
🢒
Corvette
🢒
Body and Accessories
🢒
Seats
🢒 Power Seats Schematics
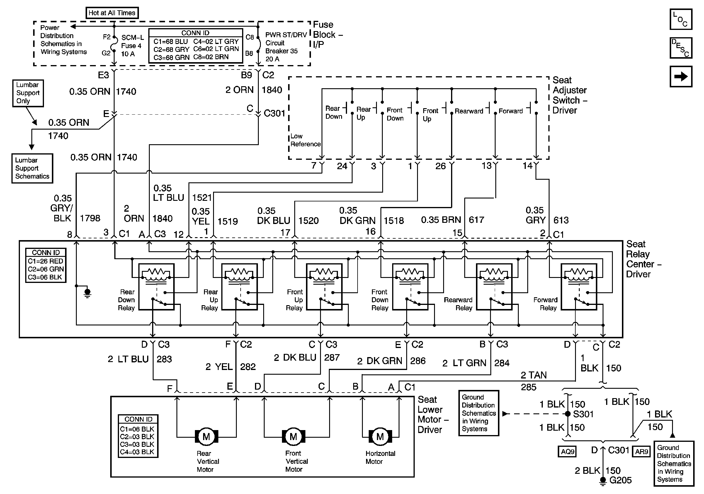
Figure
1:
Power, Ground, and Seat Controls - Driver
Master Electrical Component List
Power Seats System Description and Operation
Power, Ground and Seat Controls-Passenger
Fuse Block-I/P Bussing (1 of 2)
Power, Ground and Seat Pump - Driver
G205
G205
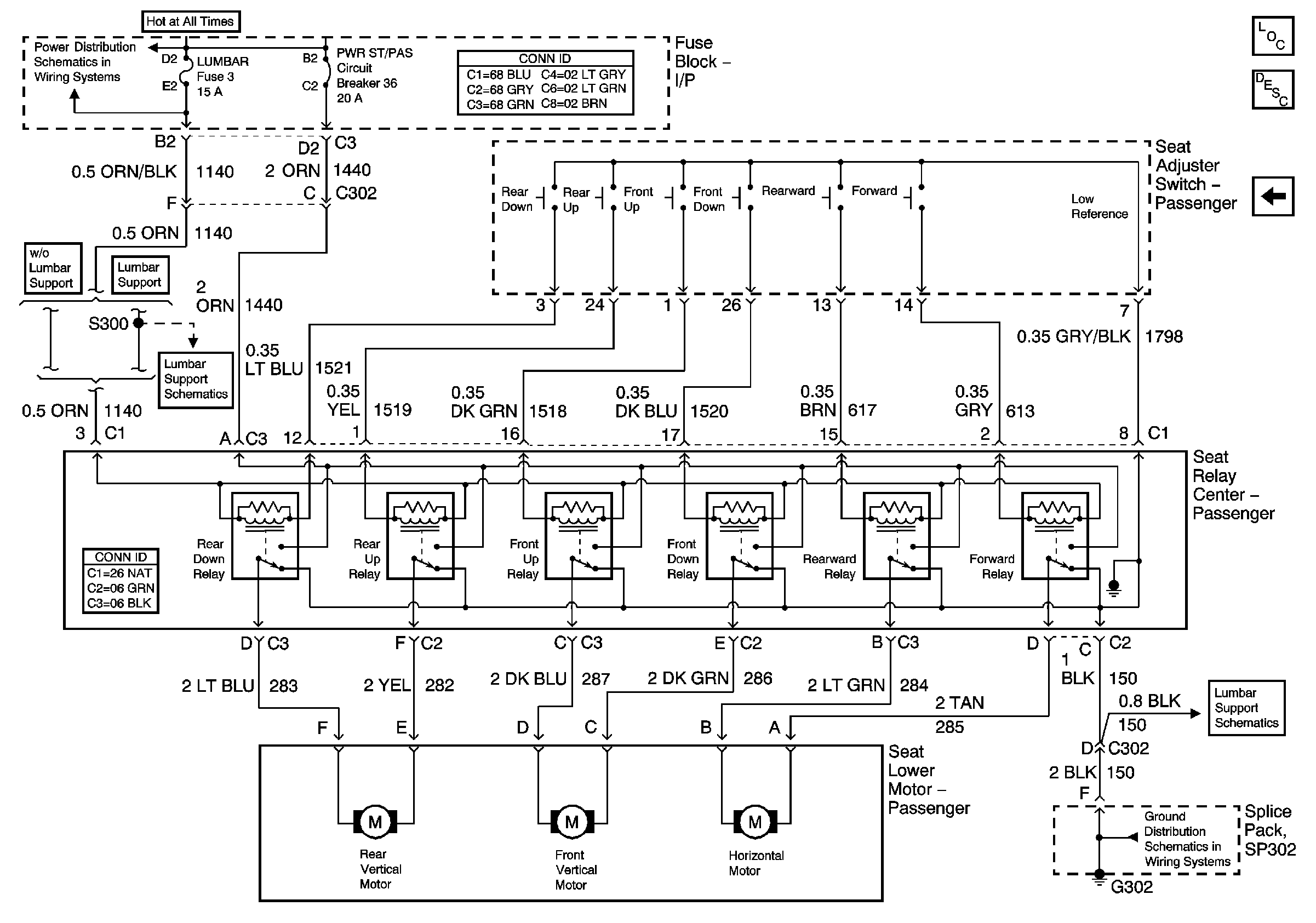
Figure
2:
Power, Ground and Seat Controls -- Passenger
Master Electrical Component List
Power Seats System Description and Operation
Power, Ground and Seat Controls-Driver
Fuse Block-I/P Bussing (1 of 2)
Power, Ground and Seat Pump - Passenger
Power, Ground and Seat Pump - Passenger
G301, G402 and G302