GM Service Manual Online
For 1990-2009 cars only

Removal Procedure


    Object Number: 64022  Size: SH
  1. Drain the cooling system. Refer to Cooling System Draining and Filling .
  2. Remove the upper surge tank nuts.
  3. Loosen the surge tank side nut.

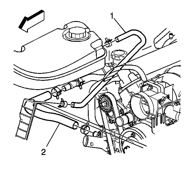
  4. Object Number: 672480  Size: SH
  5. Reposition the surge tank inlet hose (1) clamp.
  6. Remove the surge tank inlet (1) hose from the surge tank.
  7. Reposition the surge tank outlet hose (2) clamp.
  8. Remove the surge tank outlet hose (2).

  9. Object Number: 672478  Size: SH
  10. Reposition the heater outlet hose clamp from the surge tank.
  11. Remove the heater outlet hose from the surge tank.
  12. Remove the surge tank.

Installation Procedure

Important: Lubricate the inside diameters of the hoses with clean coolant prior to installation.

  1. Install the surge tank.

  2. Object Number: 672478  Size: SH
  3. Install the heater outlet hose to the surge tank.
  4. Reposition the heater outlet hose clamp to the surge tank.

  5. Object Number: 672480  Size: SH
  6. Install the surge tank inlet (1) hose to the surge tank.
  7. Reposition the surge tank inlet hose clamp.
  8. Install the surge tank outlet hose to the surge tank.
  9. Reposition the surge tank outlet hose clamp (2) to the surge tank.

  10. Object Number: 64022  Size: SH

    Important: When installing the surge tank ensure that the front stud is fully seated in the slot.

  11. Install the surge tank onto the studs.
  12. Notice: Use the correct fastener in the correct location. Replacement fasteners must be the correct part number for that application. Fasteners requiring replacement or fasteners requiring the use of thread locking compound or sealant are identified in the service procedure. Do not use paints, lubricants, or corrosion inhibitors on fasteners or fastener joint surfaces unless specified. These coatings affect fastener torque and joint clamping force and may damage the fastener. Use the correct tightening sequence and specifications when installing fasteners in order to avoid damage to parts and systems.

  13. Install the surge tank nuts.
  14. Tighten the nuts.
  15. 10.1. Bottom
    10.2. Top rear
    10.3. Top front

    Tighten
    Tighten the radiator surge tank nuts to 10 N·m (89 lb in).

  16. Fill the cooling system. Refer to Cooling System Draining and Filling .