GM Service Manual Online
For 1990-2009 cars only
Makes
🢒
Chevrolet
🢒
2004
🢒
Corvette
🢒
HVAC
🢒
HVAC Systems - Automatic
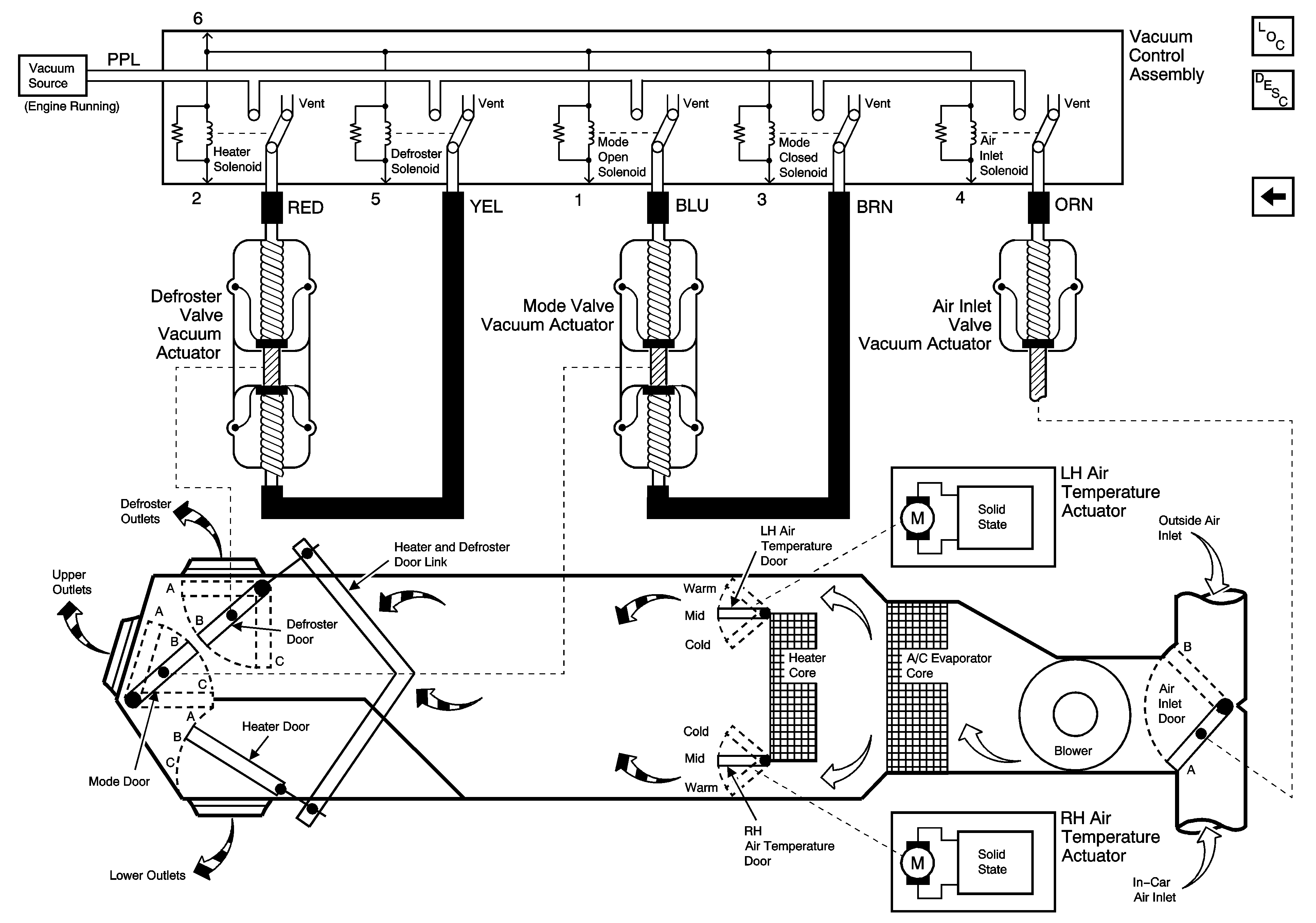
🢒 HVAC Vacuum Schematics
Air Delivery (CJ2)