GM Service Manual Online
For 1990-2009 cars only
Makes
🢒
Chevrolet
🢒
2004
🢒
Corvette
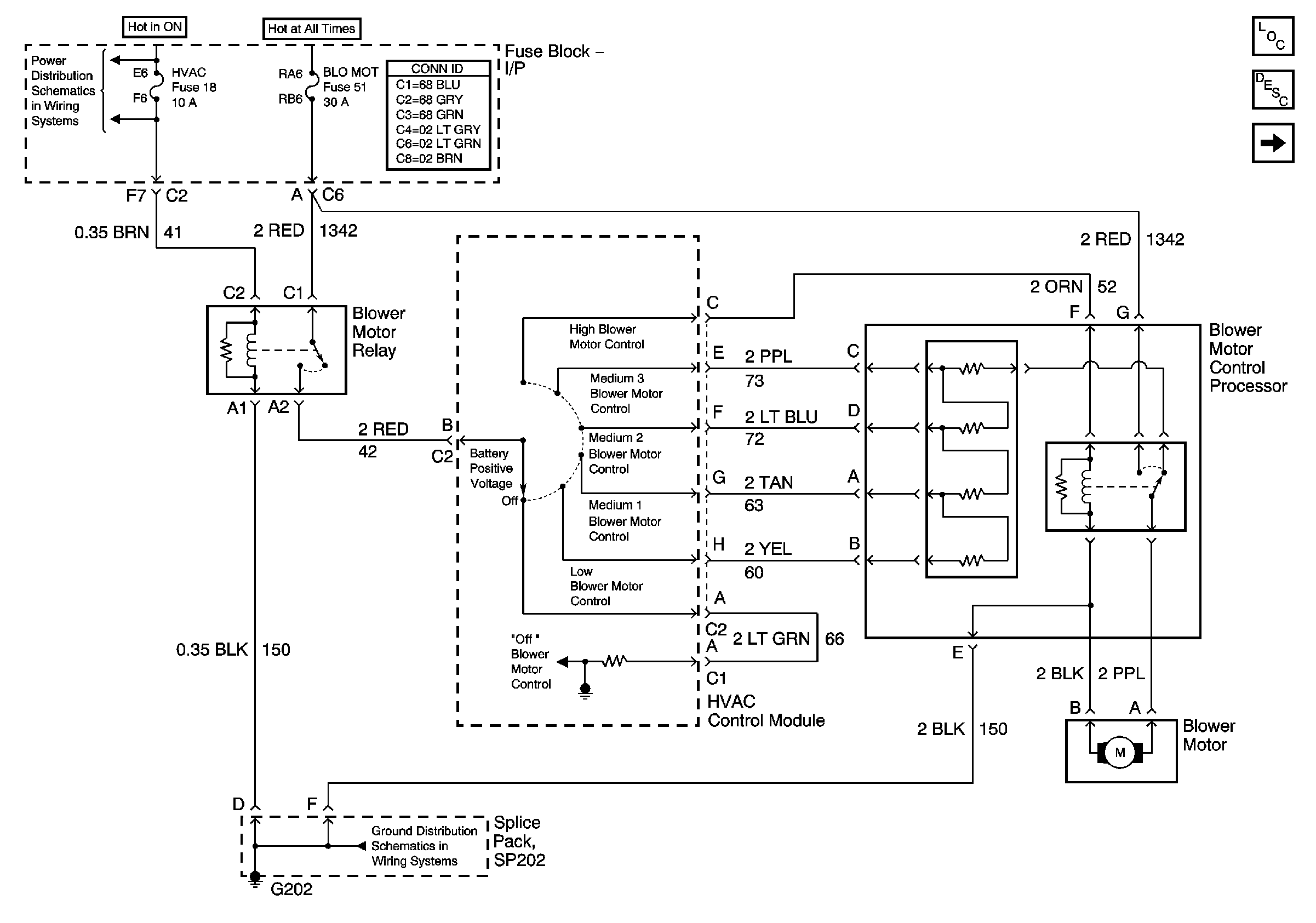
🢒 Blower Controls
Blower Controls
Blower Controls
Master Electrical Component List
Air Delivery Description and Operation
Compressor Controls
Fuse Block-I/P Fuses 50, 14, 21, 22, 18 and Relay 44
G202