GM Service Manual Online
For 1990-2009 cars only
Makes
🢒
Chevrolet
🢒
2004
🢒
Corvette
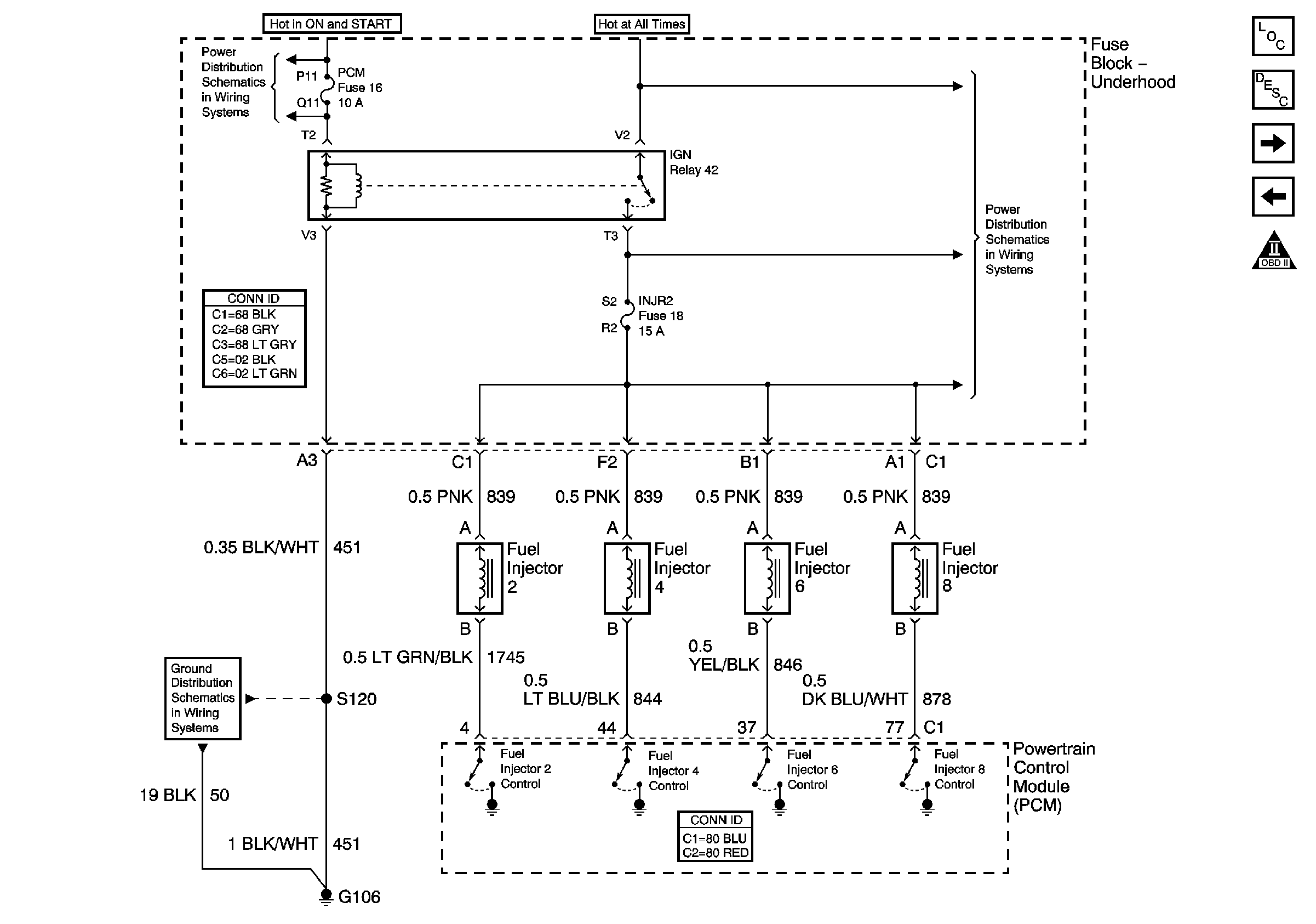
🢒 Fuel Controls - Fuel Injectors 2,4,6,8
Fuel Controls - Fuel Injectors 2,4,6,8
Fuel Controls -- Fuel Injectors 2,4,6,8
Master Electrical Component List
Fuel System Description with FFS
Fuel Controls - Evap Controls
Fuel Controls - Fuel Injectors 1,3,5,7
Engine Controls Schematic Icons
G106 and G105
Fuse Block-Underhood Fuses 14, 13, 16, 15, 5 and Relays 43, 44, 35 and 42
Fuse Block-Underhood Bussing (2 of 2)