GM Service Manual Online
For 1990-2009 cars only
Makes
🢒
Chevrolet
🢒
2004
🢒
Corvette
🢒 Torque Converter Clutch (TCC) Control Switch
Torque Converter Clutch (TCC) Control Switch
Torque Convertor Clutch (TCC) Control Switch
Master Electrical Component List
Transmission Component and System Description
Transmission Valve Controls
Fuse Block-Underhood Fuses 14, 13, 16, 15, 5 and Relays 43, 44, 35 and 42
Fuse Block-Underhood Bussing (2 of 2)
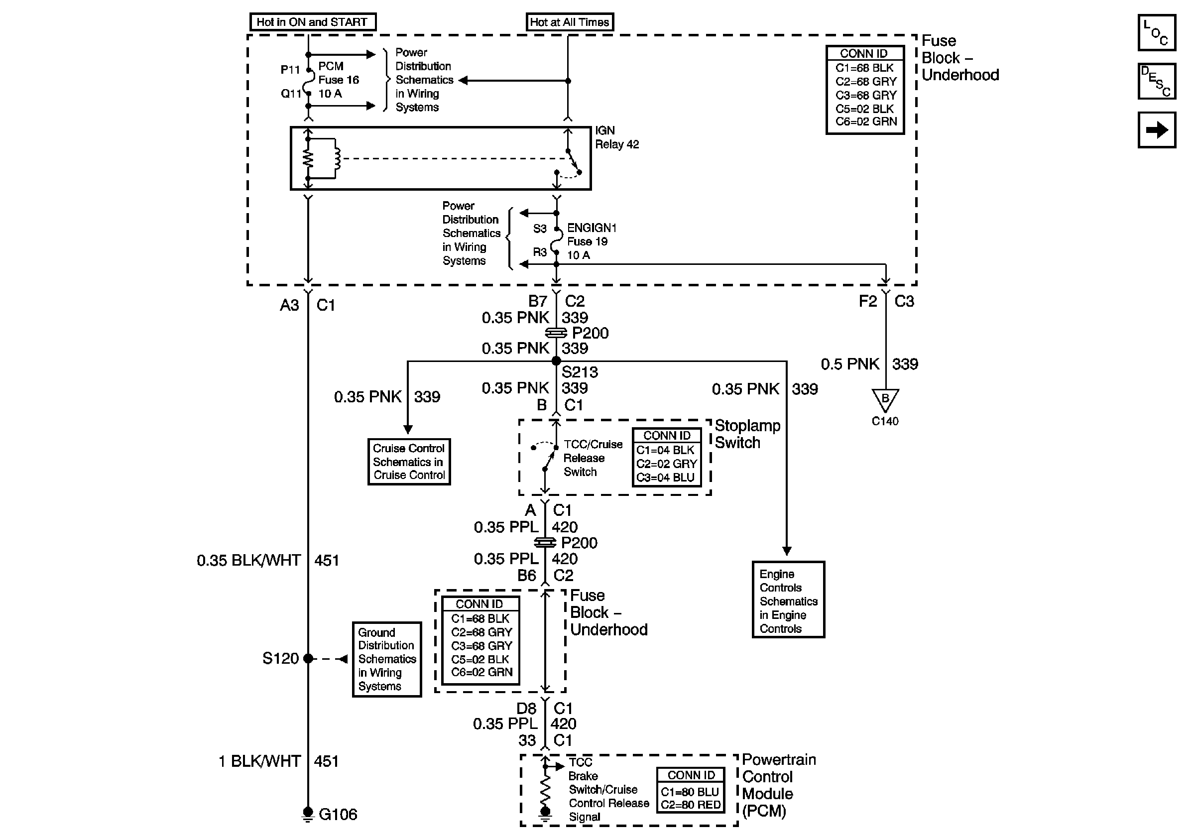
Power, Ground and Stoplamp Switch
G106 and G105
Engine Data Sensors - Pressure, Temperature and VSS
Transmission Valve Controls