GM Service Manual Online
For 1990-2009 cars only
Makes
🢒
Chevrolet
🢒
2004
🢒
Corvette
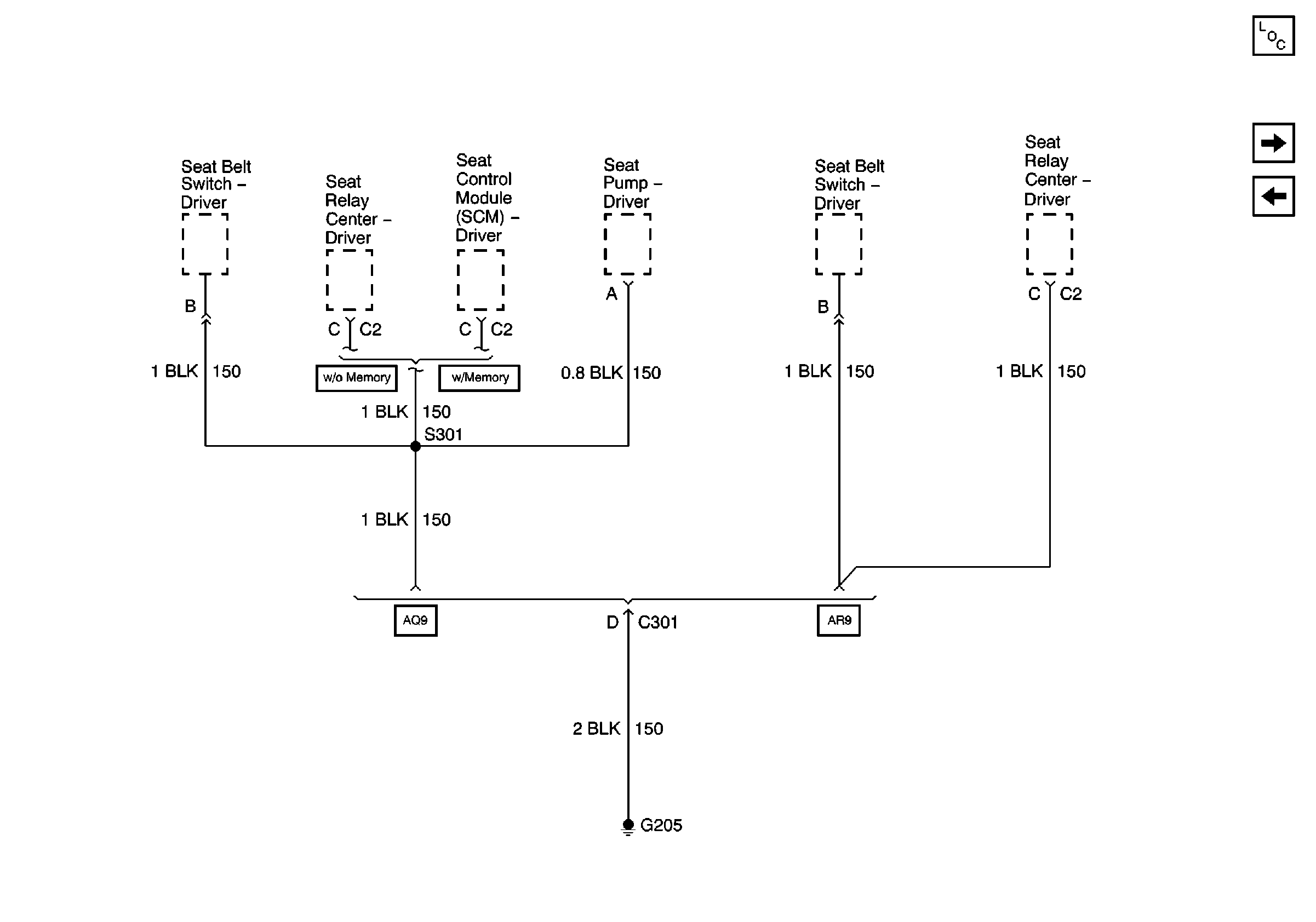
🢒 G205
G205
G205
Master Electrical Component List
G301, G402 and G30
G202