GM Service Manual Online
For 1990-2009 cars only
Makes
🢒
Chevrolet
🢒
2004
🢒
Corvette
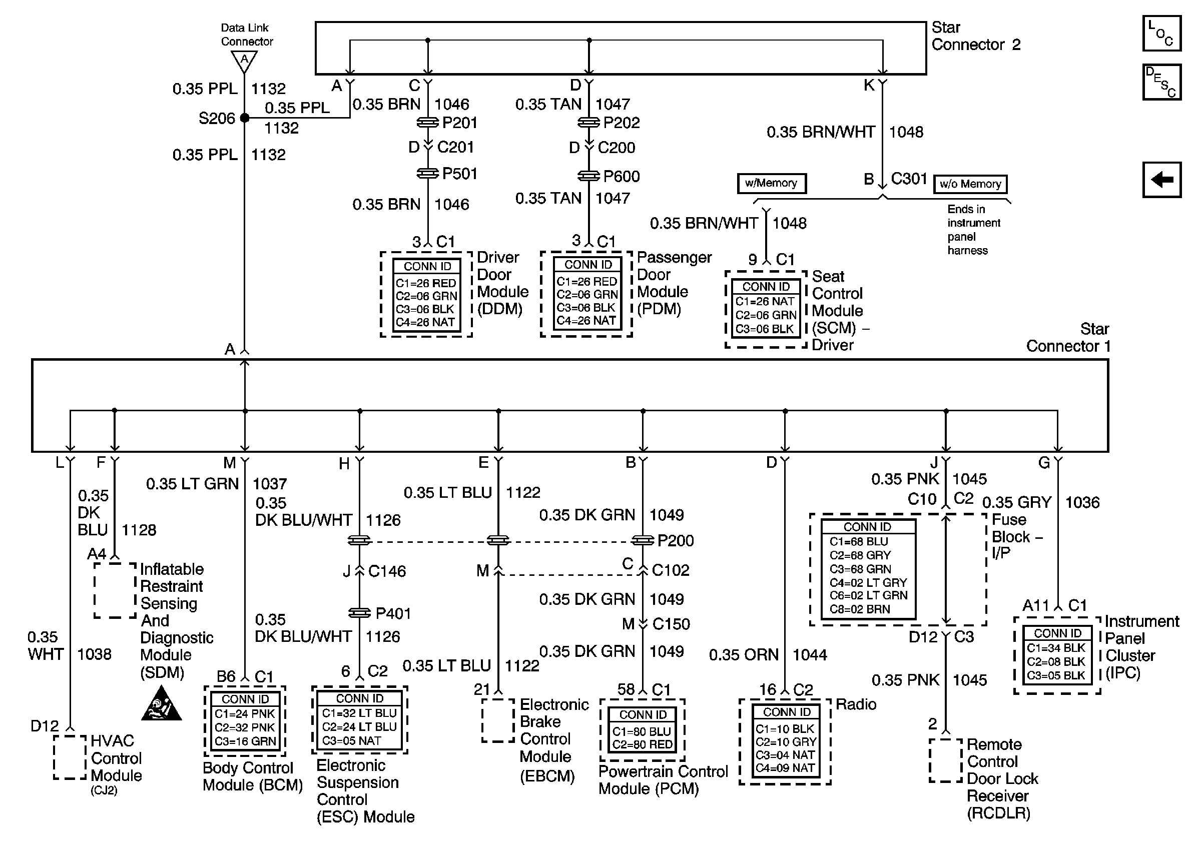
🢒 Star Connectors
Star Connectors
Star Connectors
Master Electrical Component List
Data Link Communications Description and Operation
Power and Ground
Power and Ground
SIR Caution for Zoning