GM Service Manual Online
For 1990-2009 cars only
Makes
🢒
Chevrolet
🢒
2004
🢒
Corvette
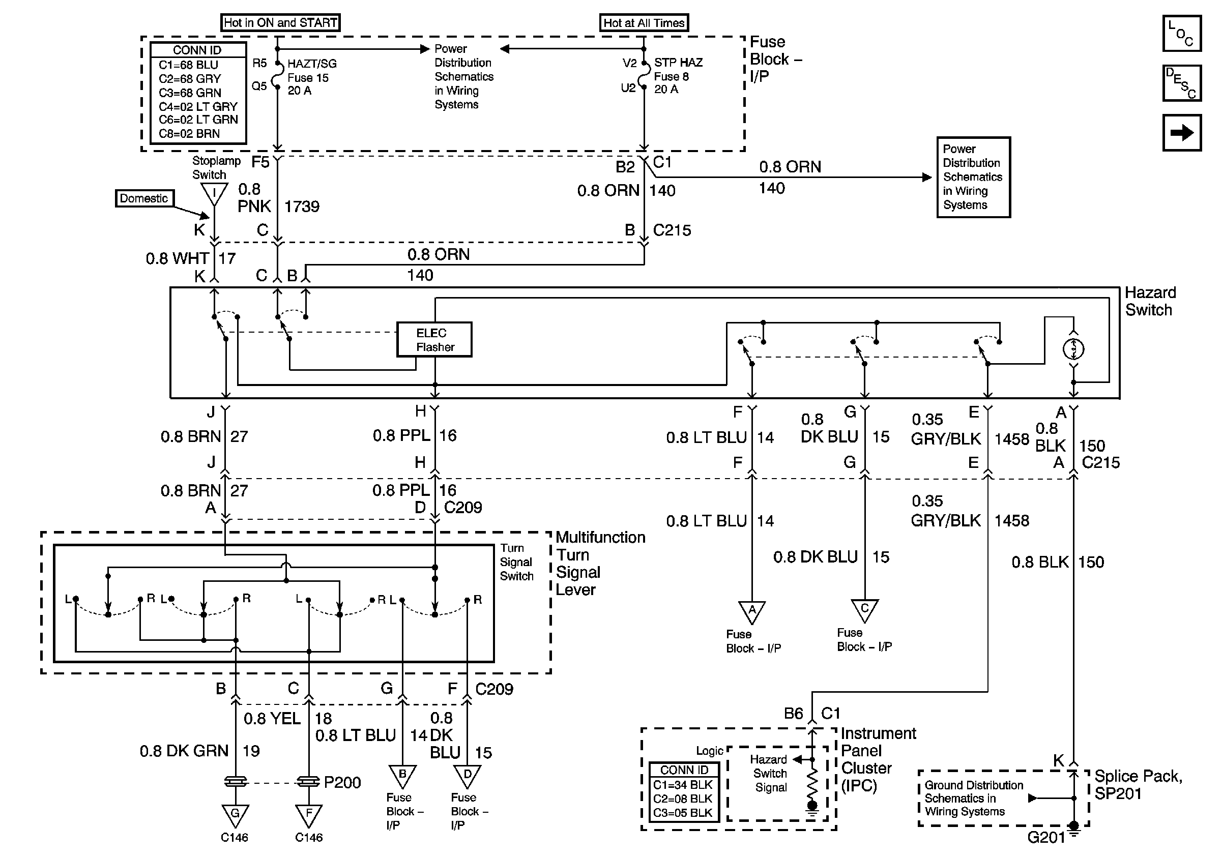
🢒 Hazard Warning Switch and Turn Signal Switch
Hazard Warning Switch and Turn Signal Switch
Hazard Warning Switch and Turn Signal Switch
Master Electrical Component List
Exterior Lighting Systems Description and Operation
Ambient Light Sensor and RF Turn Signal Indicators
Figure 1
RR Turn Signal Indicators
LR Turn Signal Indicators
LF Turn Signal Indicators
Ambient Light Sensor and RF Turn Signal Indicators
Fuse Block-I/P Fuses 15, 16, 13, 20 and 19
LF Turn Signal Indicators
Ambient Light Sensor and RF Turn Signal Indicators
Fuse Block-I/P Fuses 51, 27, 8, 1 and 7
G201