GM Service Manual Online
For 1990-2009 cars only
Makes
🢒
Chevrolet
🢒
2004
🢒
Corvette
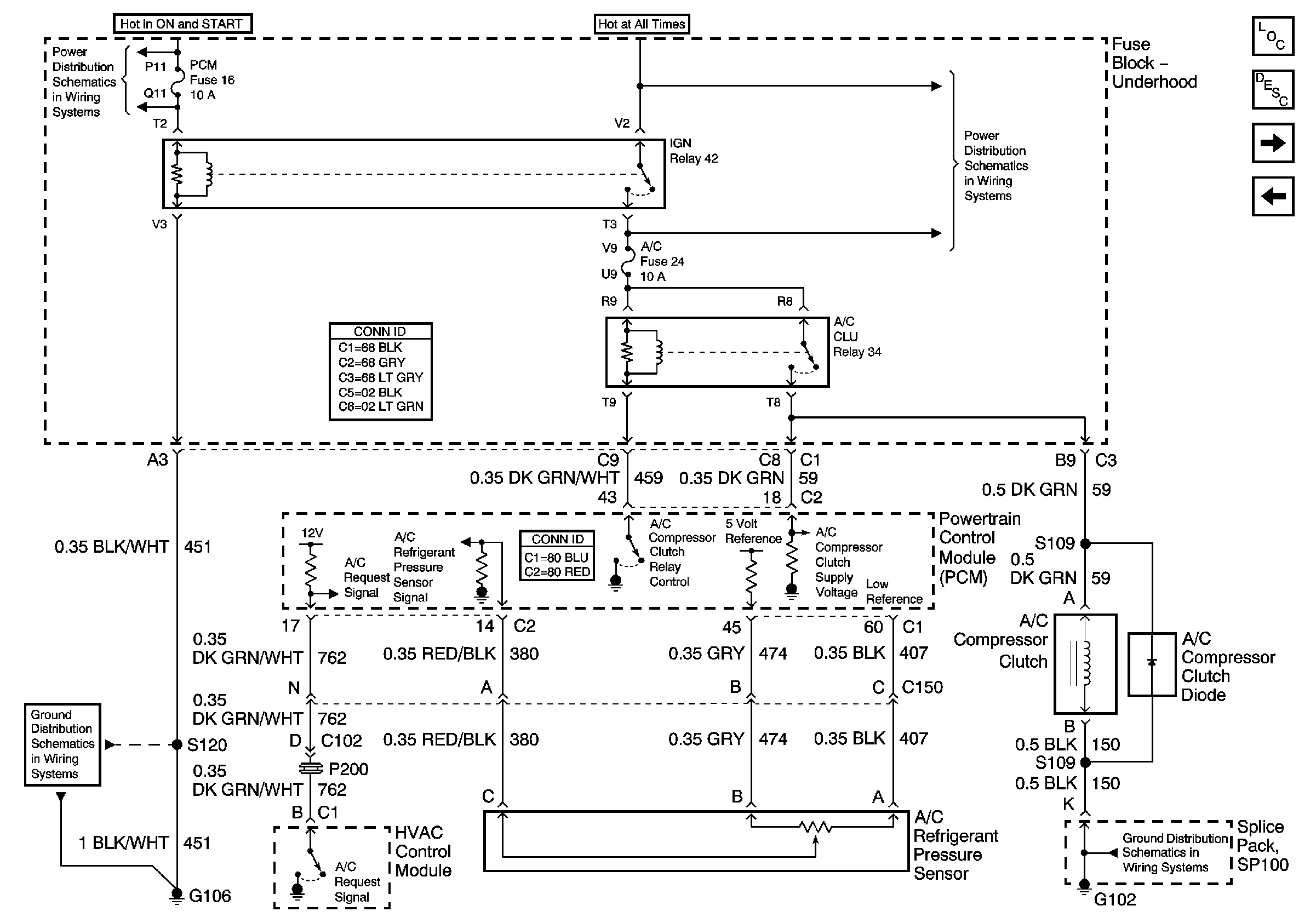
🢒 Compressor Controls
Compressor Controls
Compressor Controls
Master Electrical Component List
Air Delivery Description and Operation
Air Delivery/Temperature Controls
Blower Controls
Underhood Electrical Center Fuses 14, 13, 16, 15, 5 and Relays 43,44, 35 and 42
G106 and G105
Underhood Electrical Center Bussing (2 of 2)
G101 and G102