GM Service Manual Online
For 1990-2009 cars only
Makes
🢒
Chevrolet
🢒
2004
🢒
Corvette
🢒 Air Delivery/Temperature Controls (Vacuum Control)
Air Delivery/Temperature Controls (Vacuum Control)
Air Delivery/Temperature Controls - Vacuum Control
Master Electrical Component List
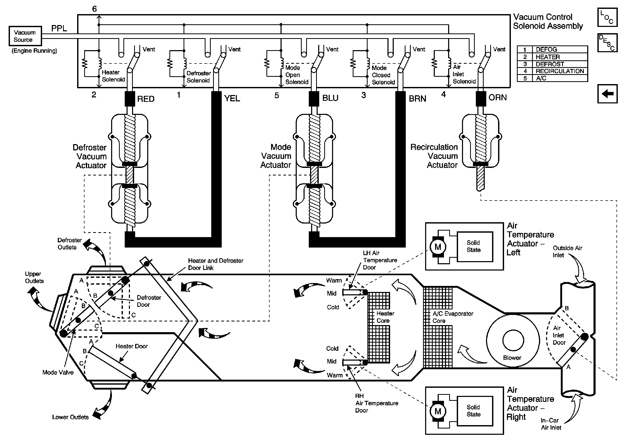
Air Delivery Description and Operation
Air Delivery/Temperature Controls (Solenoid Control)