GM Service Manual Online
For 1990-2009 cars only
Makes
🢒
Chevrolet
🢒
2004
🢒
Corvette
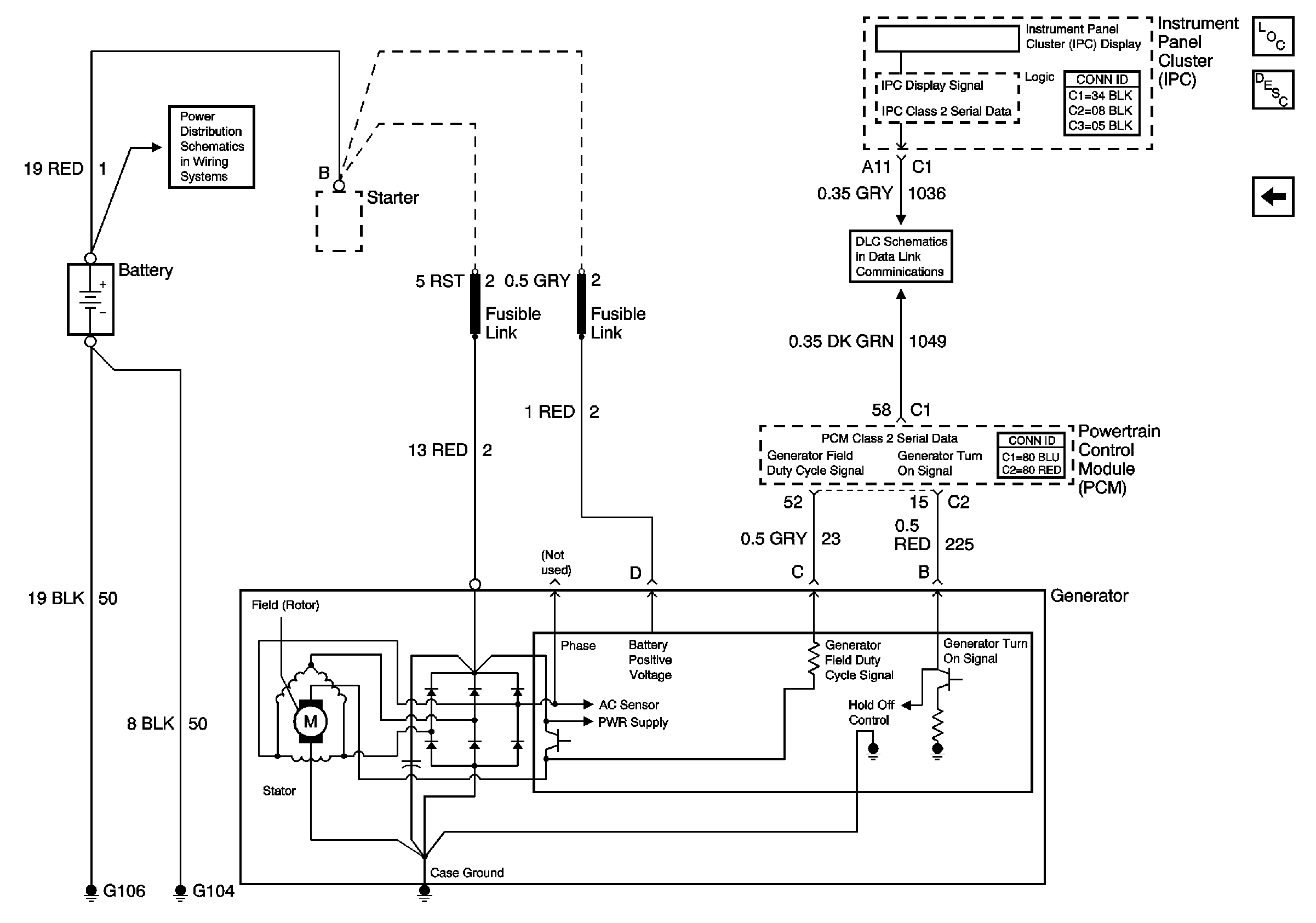
🢒 Generator
Generator
Generator
Master Electrical Component List
Charging System Description and Operation
Starter
Star Connectors
Underhood Electrical Center Bussing (1 of 2)