GM Service Manual Online
For 1990-2009 cars only
Makes
🢒
Chevrolet
🢒
2004
🢒
Corvette
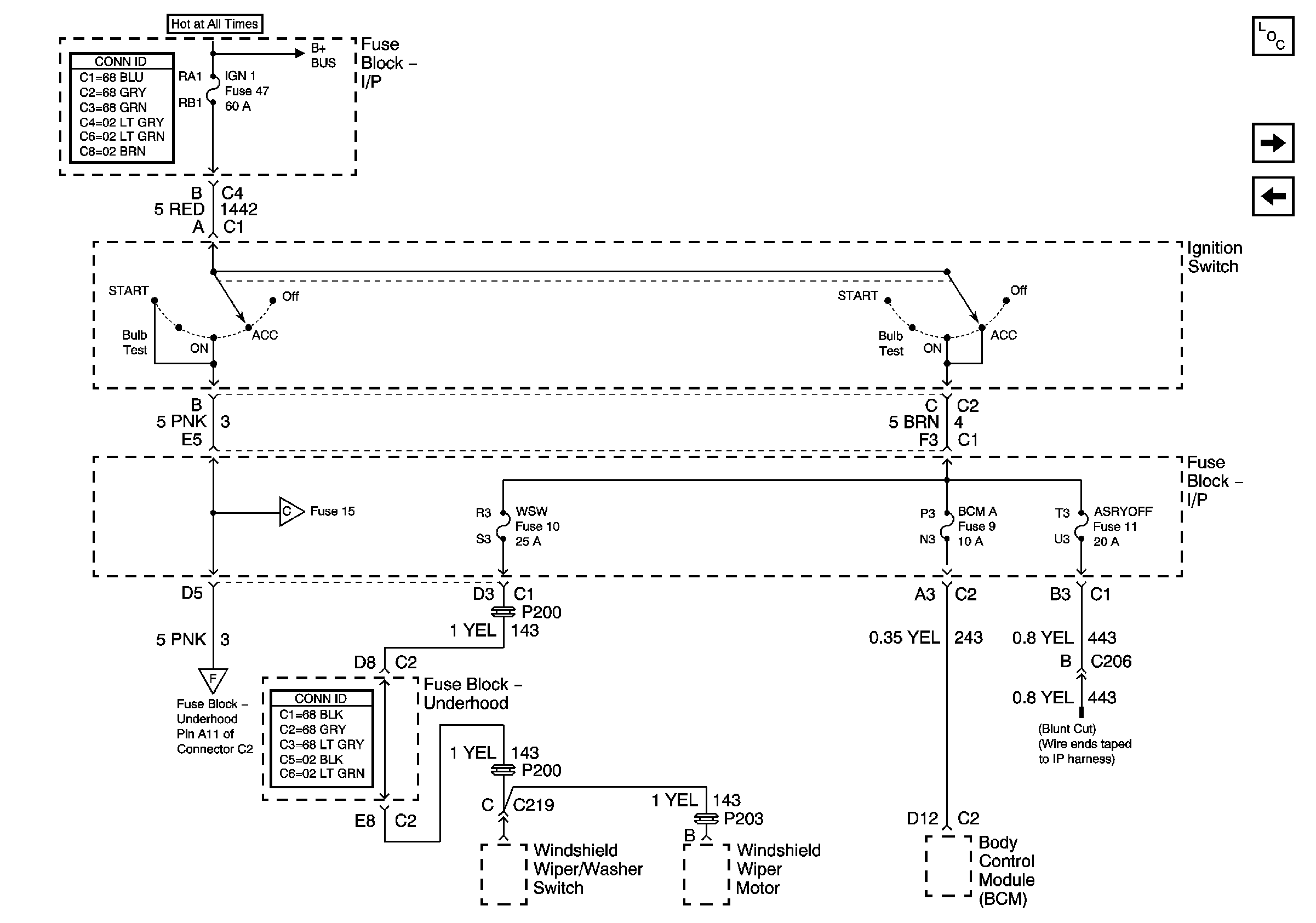
🢒 Fuse Block-I/P Fuses 47, 10, 9 and 11
Fuse Block-I/P Fuses 47, 10, 9 and 11
Fuse Block - I/P Fuses 47, 10, 9, and 11
Master Electrical Component List
Fuse Block-I/P Fuses 15, 16, 13, 20 and 19
Fuse Block-I/P Fuses 6, 29, Circuit Breaker 54, Relays 43, 44 and 42
Fuse Block-I/P Fuses 15, 16, 13, 20 and 19
Fuse Block-Underhood Fuses 14, 13, 16, 15, 5 and Relays 43, 44, 35 and 42